Van will not start, Instrument cluster not working

Tiny
TCROSIER
  • MEMBER
  • 1996 FORD E-SERIES VAN
  • 5.8L
  • V8
  • 2WD
  • AUTOMATIC
  • 145,000 MILES
Had this vehicle for some time, but never used it. Installed new battery and tried to start it. First four to five times the starter solenoid clicked but did not turn over, then it did. Seemed like it was starting (very rough as expected from lack of use), shut off and from then on, it would just click but nothing. Replaced solenoid next to battery, reconnected cables to original positions on solenoid, reinstalled battery (positive cable first), turned the key, got one click and then nothing from then on.
Disconnected negative battery cable and pulled, tested and cleaned blades of all the fuses in the power dist box, as well as tested all the fuses under the dash.
As most of my experience is with Dodges, any suggestions would be appreciated. Also, any ideas on locating a shop manual and electrical wiring diagram online?
Sunday, October 1st, 2017 AT 12:51 PM

6 Replies

Tiny
KEN L
  • MASTER CERTIFIED MECHANIC
  • 55,090 POSTS
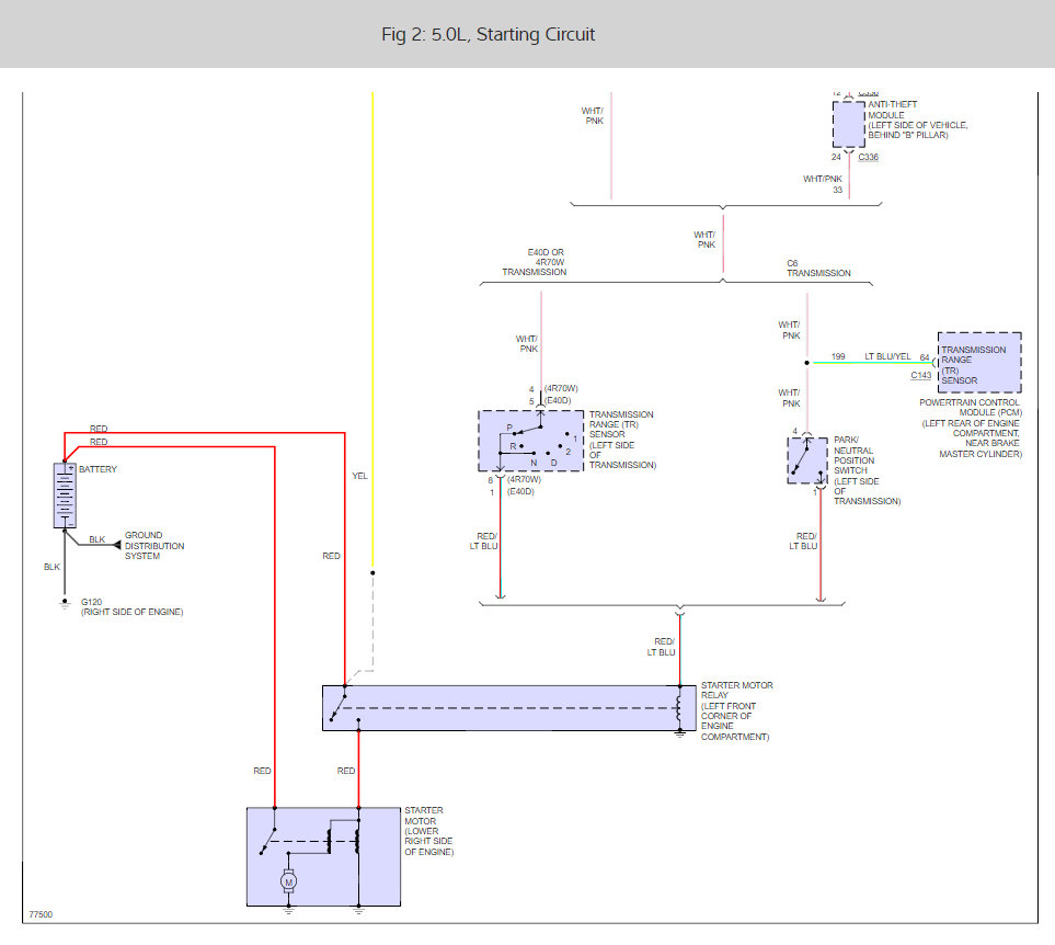
It sounds like you have a starter motor or battery cables that are going out. To be sure use a test light on the power wire down to the starter to see if you have power when the key is being cranked over. If power is there then I would replace the starter motor.

Here is a guide that will help:

https://www.2carpros.com/articles/how-to-use-a-test-light-circuit-tester

You must raise the car safely to begin.

https://www.2carpros.com/articles/jack-up-and-lift-your-car-safely

Here is a guide that will help us change the starter out:

https://www.2carpros.com/articles/how-to-replace-a-starter-motor

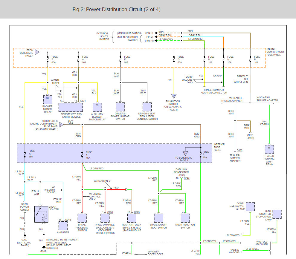
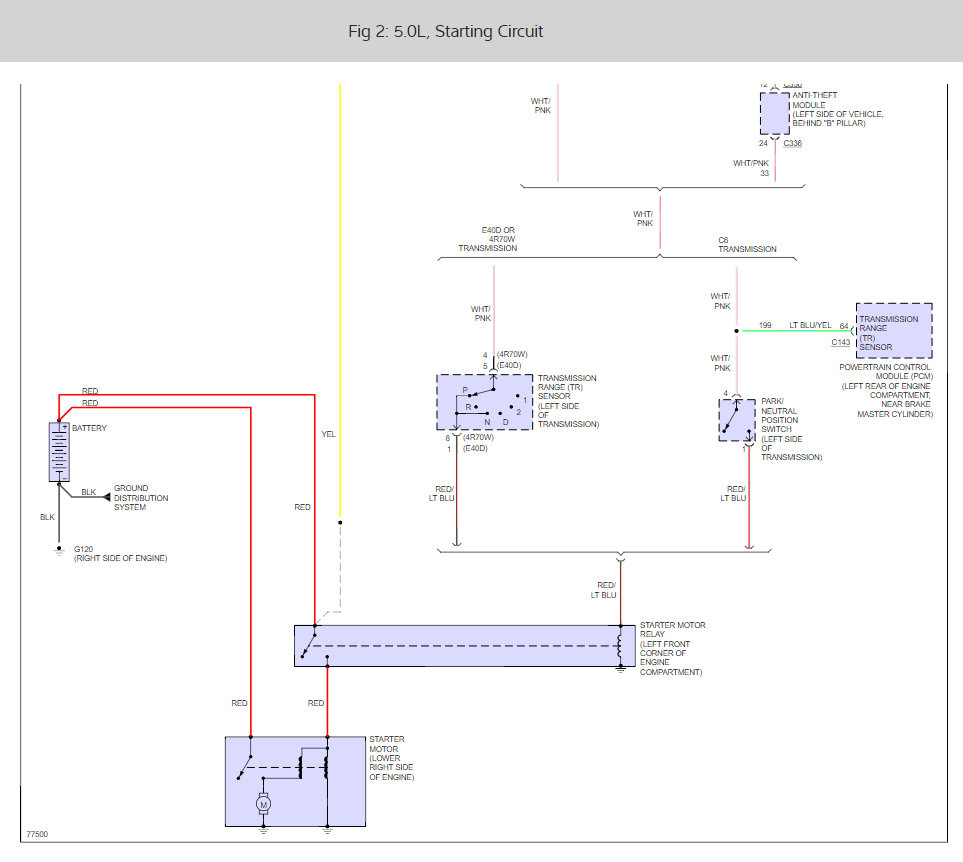
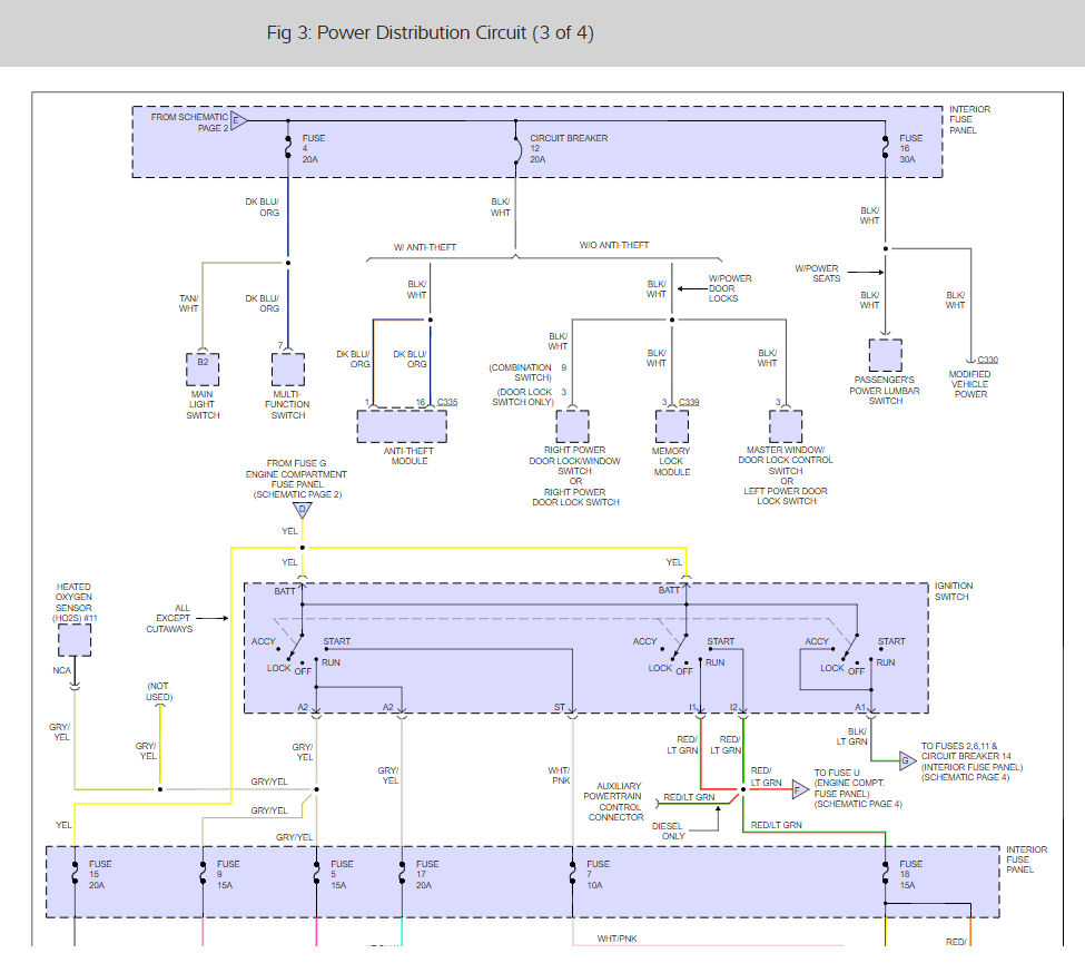
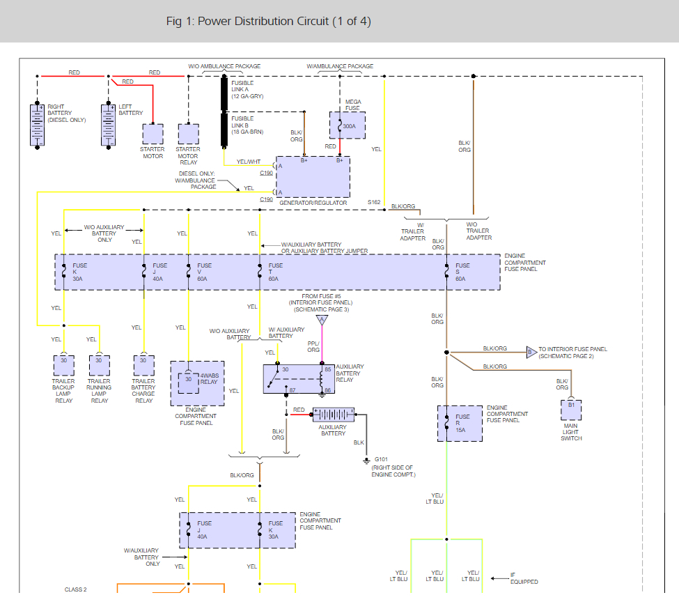
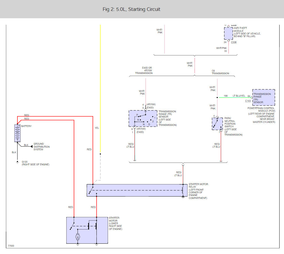
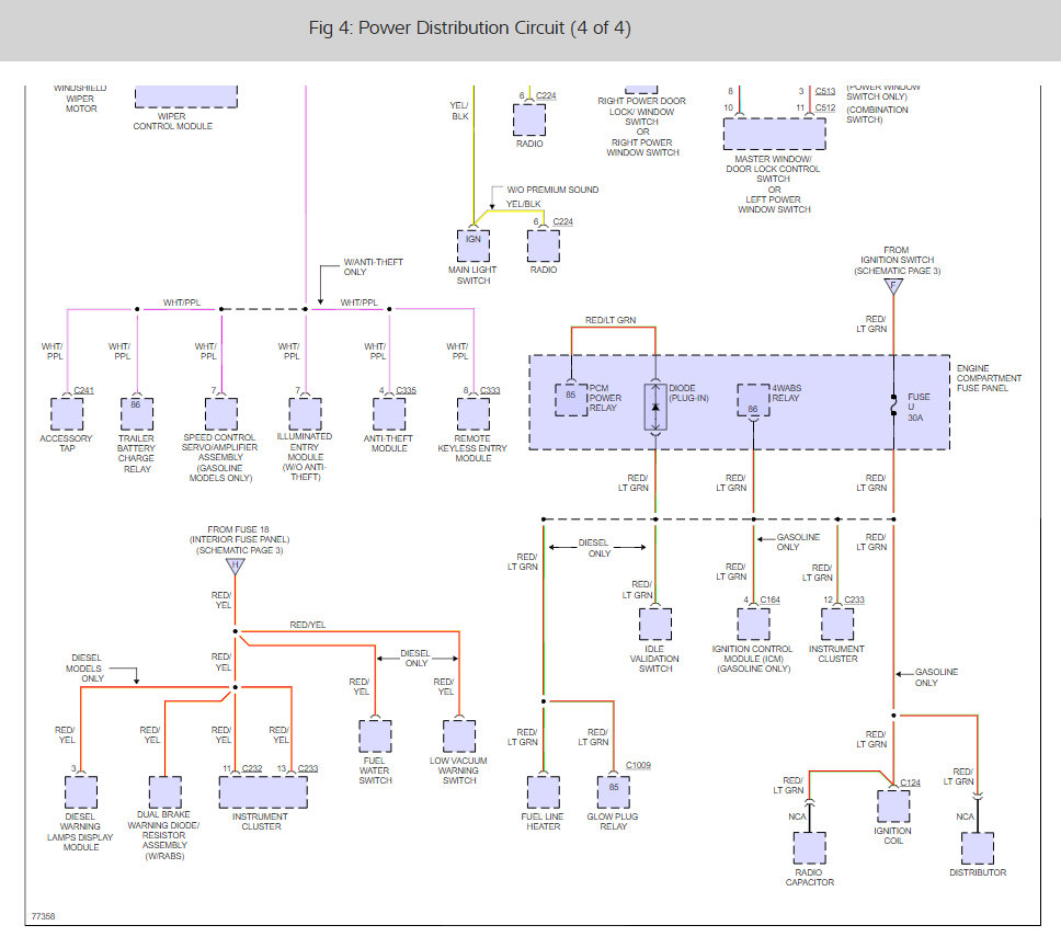
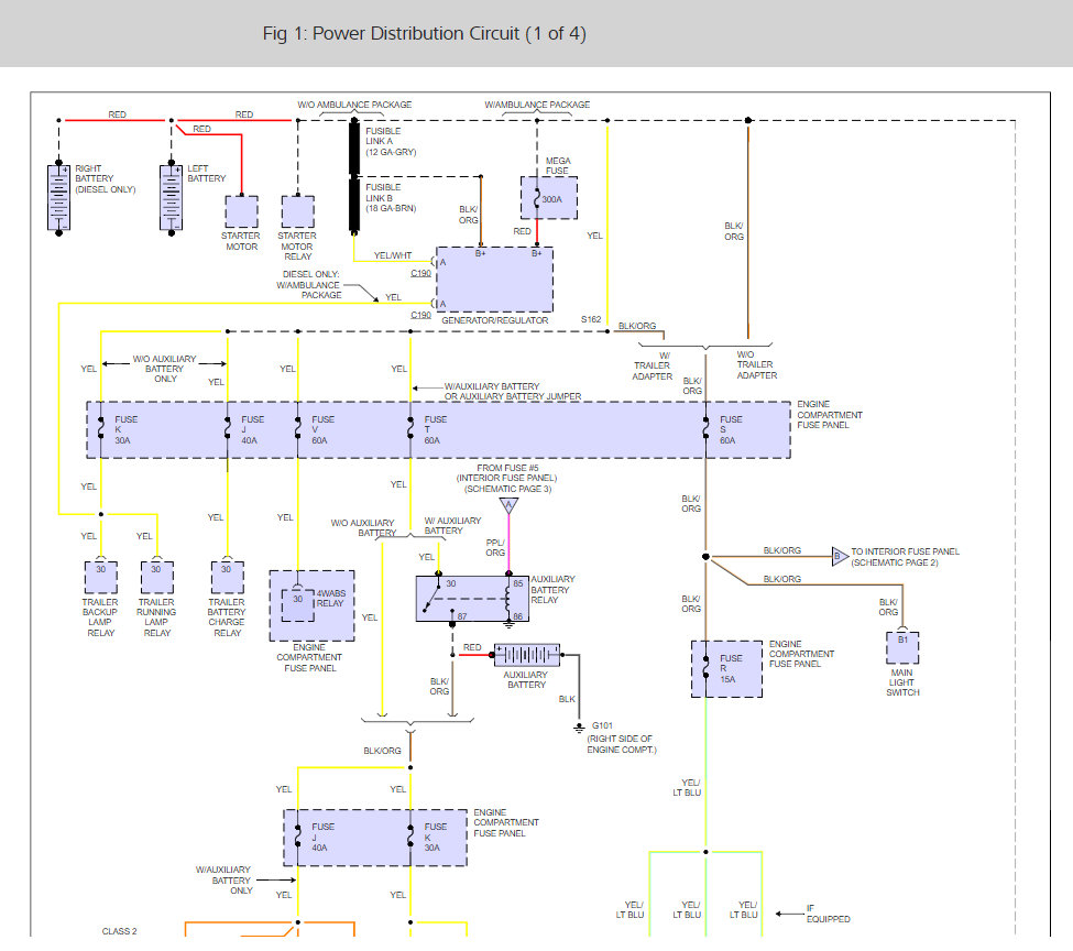
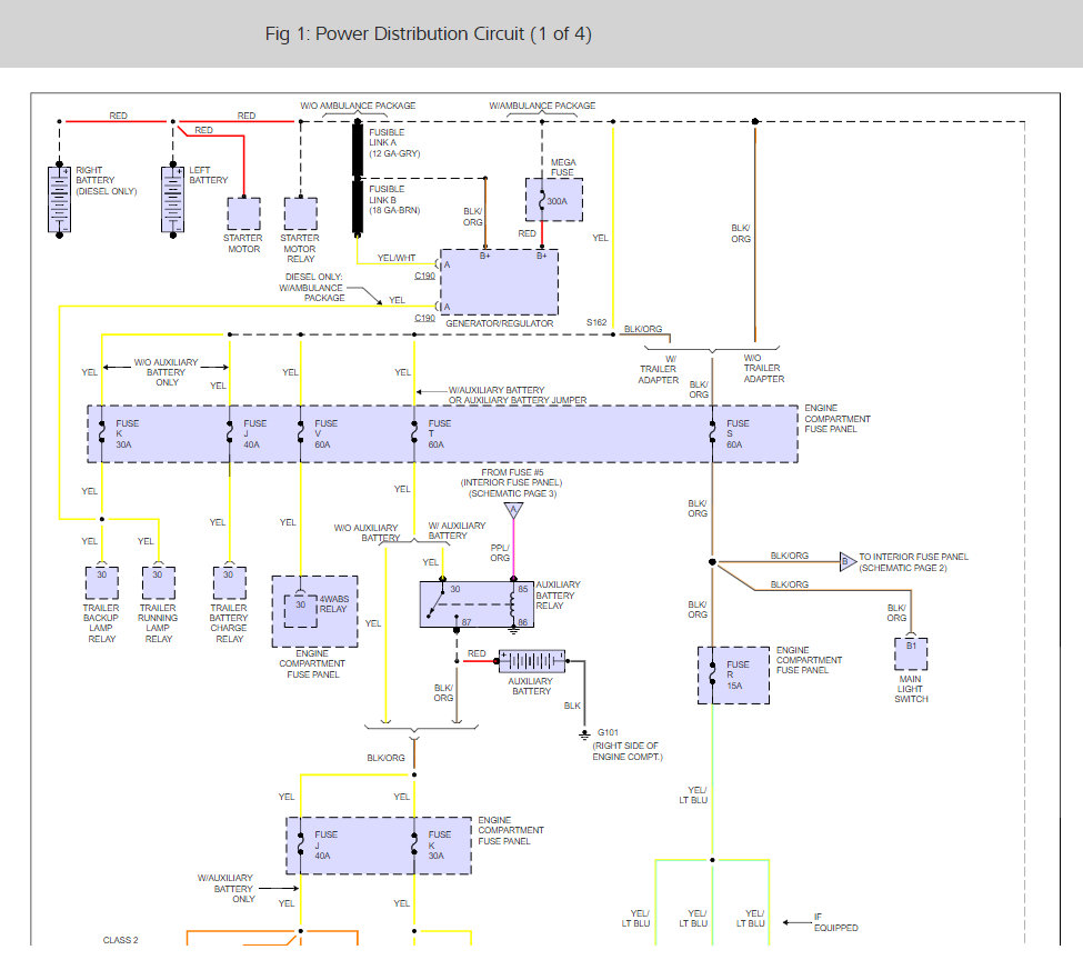
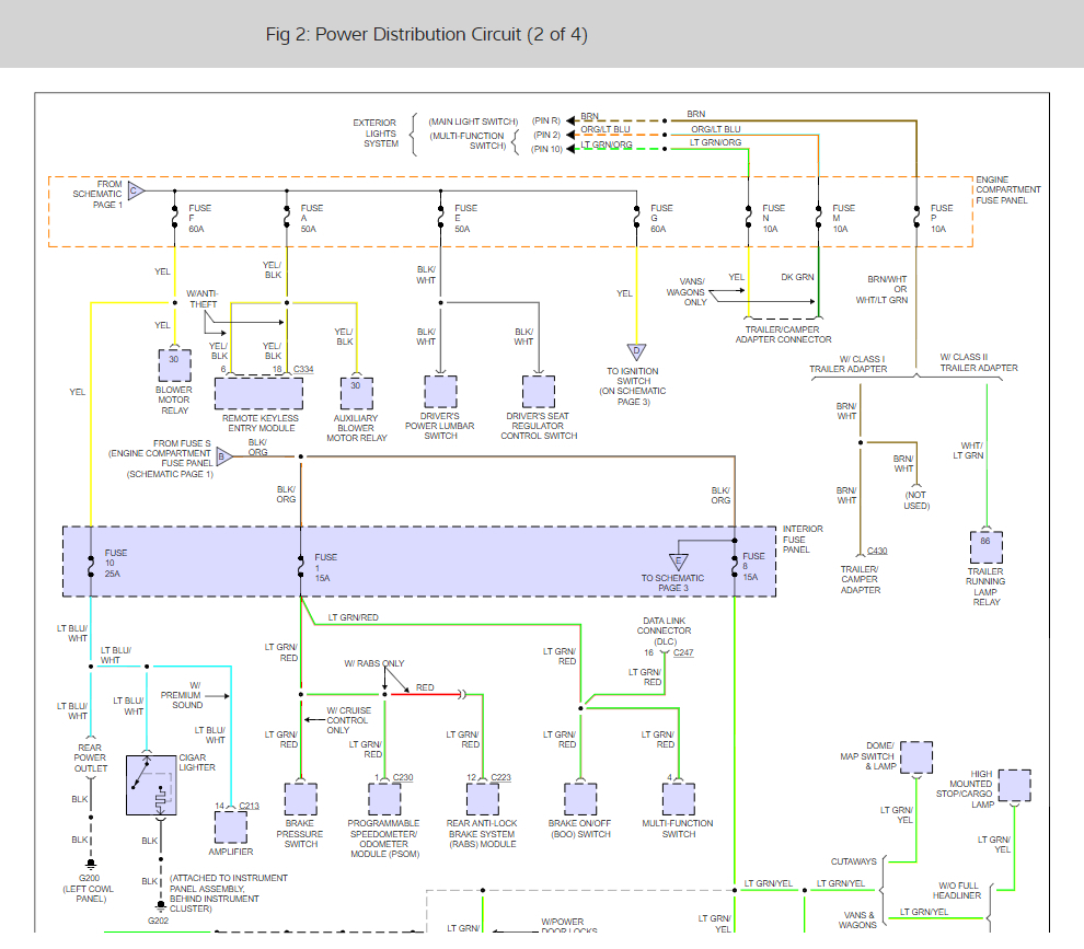
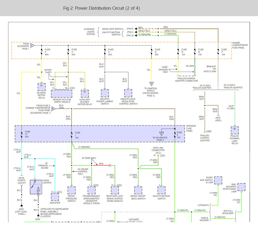
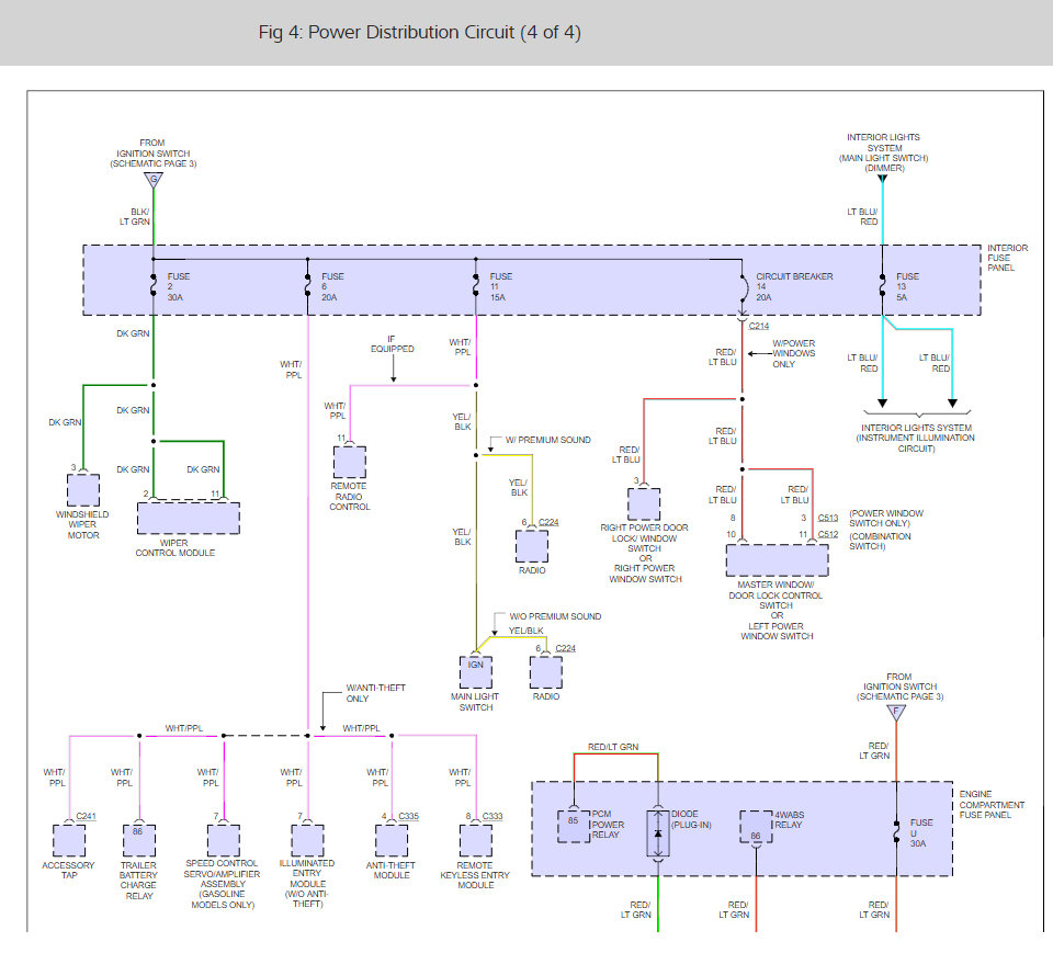
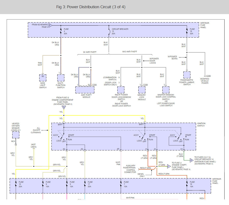
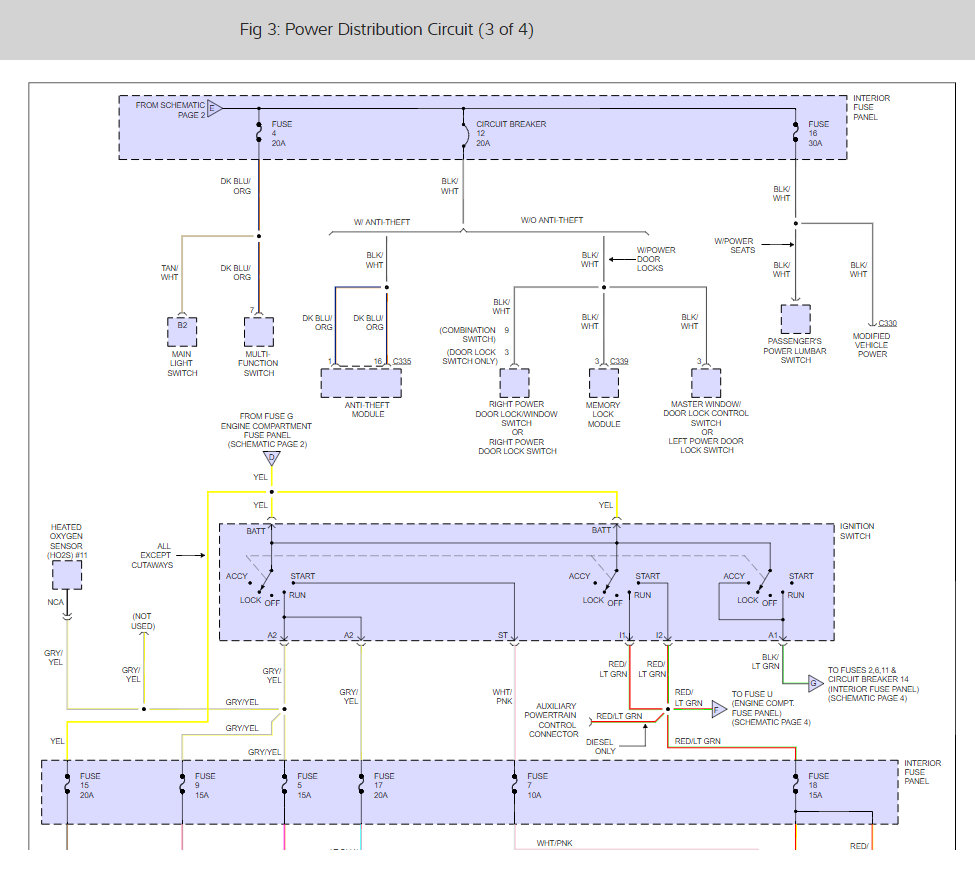
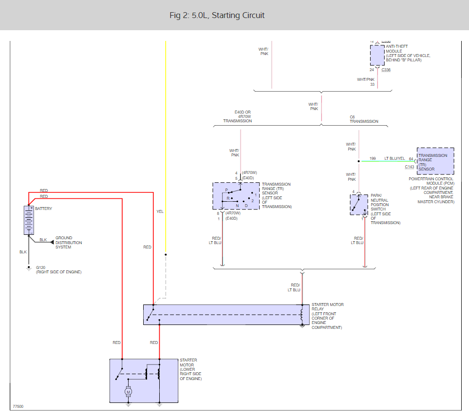
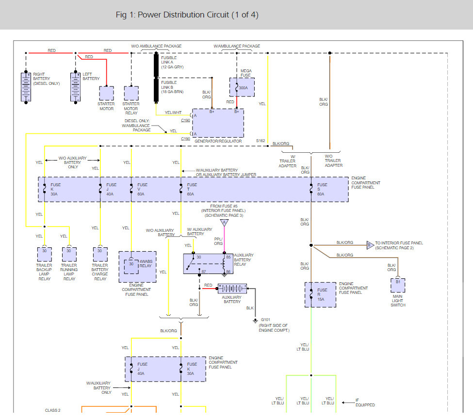
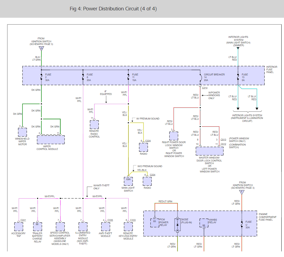
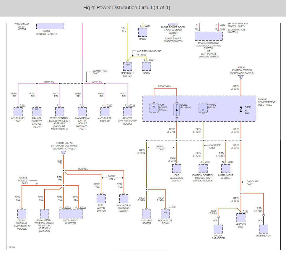
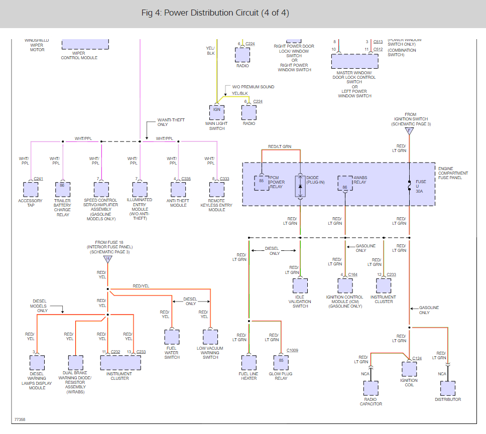
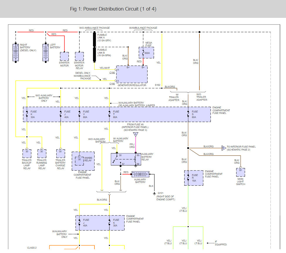
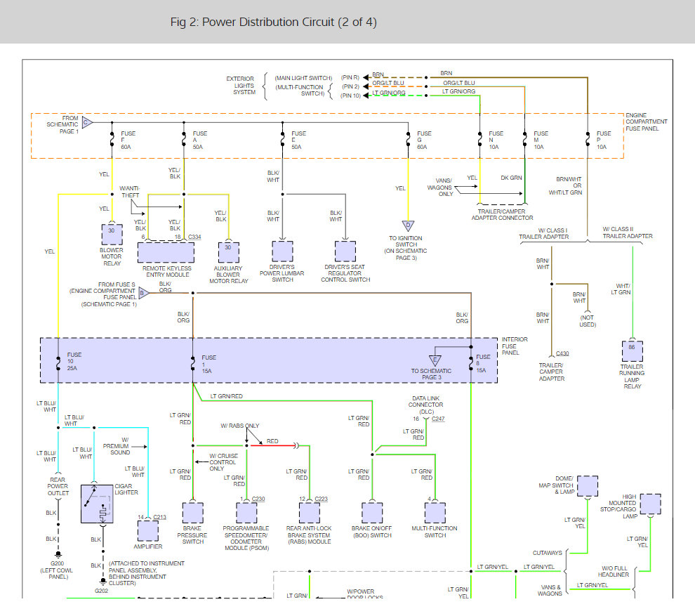
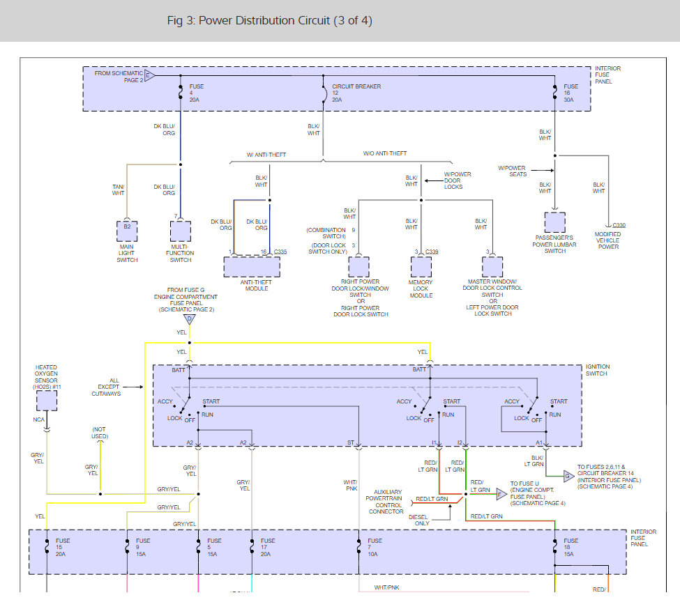
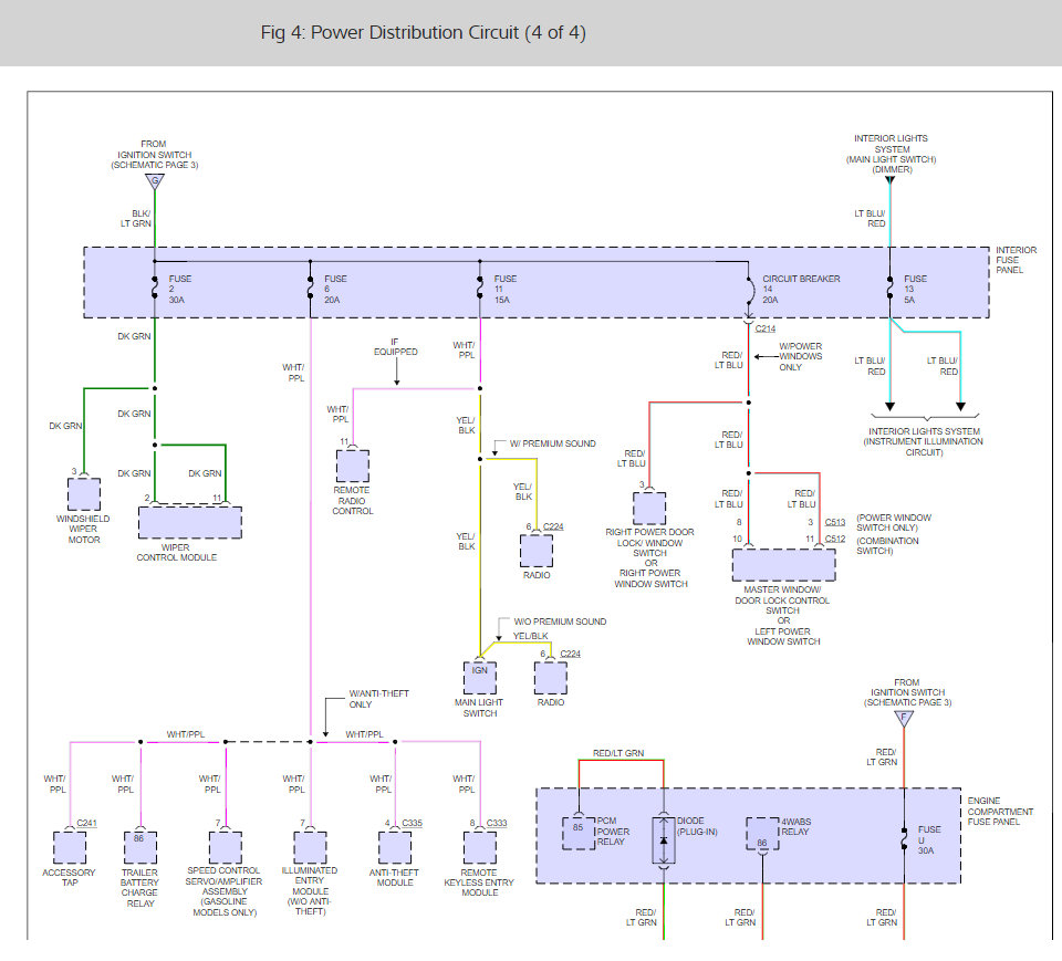
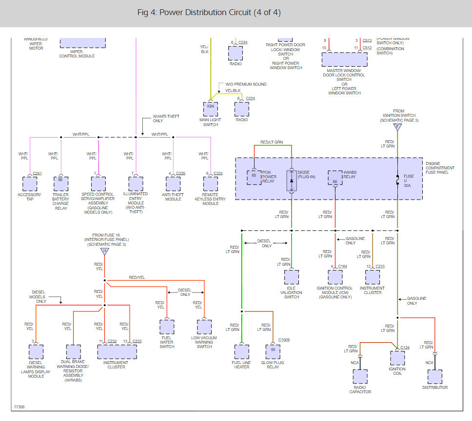
Below are some wiring diagrams to help us do additional testing to figure out the problem.

Please let us know what happens so it will help others.

Cheers, Ken

Was this
answer
helpful?
Yes
No
+1
Monday, October 2nd, 2017 AT 1:32 PM
Tiny
TCROSIER
  • MEMBER
  • 4 POSTS
Thanks Ken, Think this one may to be a little more complicated. The starter turns fine when I jump power to the output side of the solenoid. What I have determined is there is no power to most of the fuses in the Power Dist panel. Using a test meter, I checked both sides of all the fuses, and only a couple showed power. The G fuse for the Ign. Switch is dead, as are the others that are not ignition switch dependent. The horn, lights, etc, work.
Is there a fusible link before the PD panel or something of that nature? Trying to get access to the PD panel to debug is near impossible. I've ordered the Factory Wiring Diagrams manual for the vehicle but it is a few days out.
Thanks,
Todd
Was this
answer
helpful?
Yes
No
Monday, October 2nd, 2017 AT 10:28 PM
Tiny
KEN L
  • MASTER CERTIFIED MECHANIC
  • 55,090 POSTS
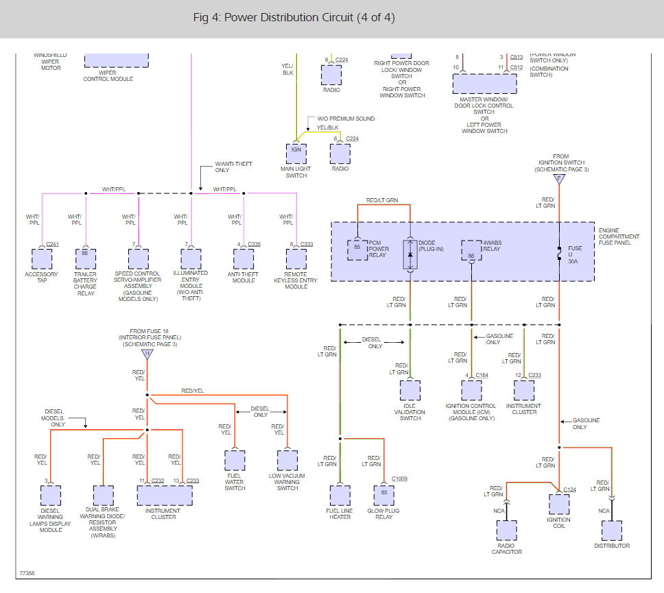
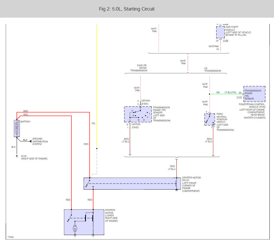
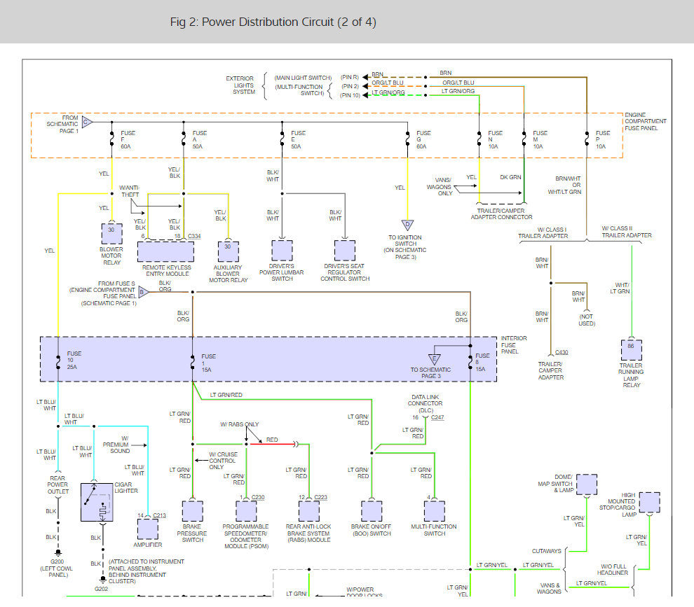
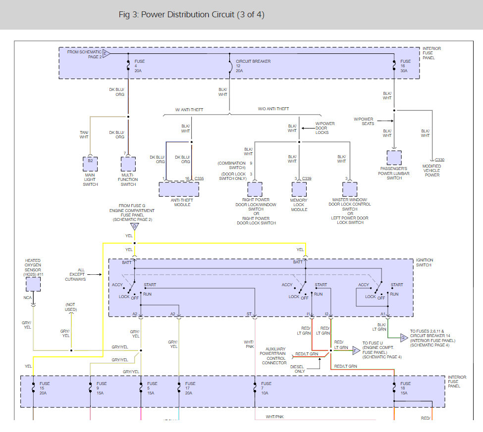
I have all the wiring diagrams you need.

Here are the power distribution diagrams to get you started.

It sounds like you have as fusible link that is out.

Please let us know what happens and upload pictures or videos of the problem.

Cheers, Ken
Was this
answer
helpful?
Yes
No
+1
Tuesday, October 3rd, 2017 AT 10:41 AM
Tiny
TCROSIER
  • MEMBER
  • 4 POSTS
Well, got the engine running, but now none of the lights, horn, or other components that are serviced by the PD panel fuses S, T and V (not worrying about the trailer circuits at this point). These circuits get energized when I move the small yellow wire on the Starter relay to the side with the battery cable. Of course the starter also wants to engage when I do.

Thanks,
Todd
Was this
answer
helpful?
Yes
No
Wednesday, October 4th, 2017 AT 1:26 PM
Tiny
TCROSIER
  • MEMBER
  • 4 POSTS
I made a mistake, the little yellow wire needed to go to the battery side of the relay. The only wire on the starter side of the relay is the red wire side of the Y connector. All fixed. Thanks for providing the PD diagrams, they helped.
Was this
answer
helpful?
Yes
No
Thursday, October 5th, 2017 AT 10:11 AM
Tiny
KEN L
  • MASTER CERTIFIED MECHANIC
  • 55,090 POSTS
Nice work, we are here to help, please use 2CarPros anytime.

Cheers, Ken
Was this
answer
helpful?
Yes
No
Friday, October 6th, 2017 AT 9:31 AM

Please login or register to post a reply.