Saturday, May 8th, 2021 AT 7:25 PM
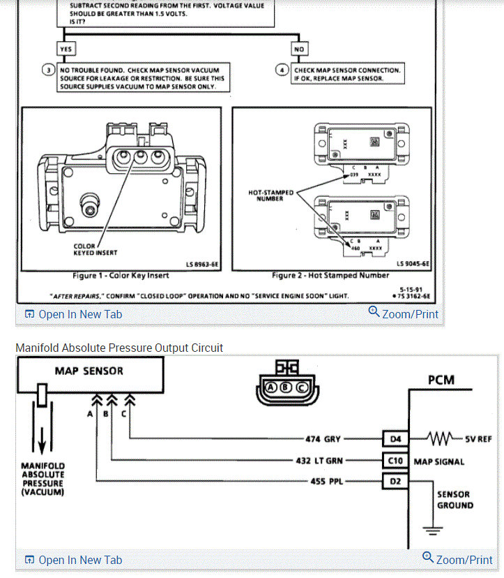
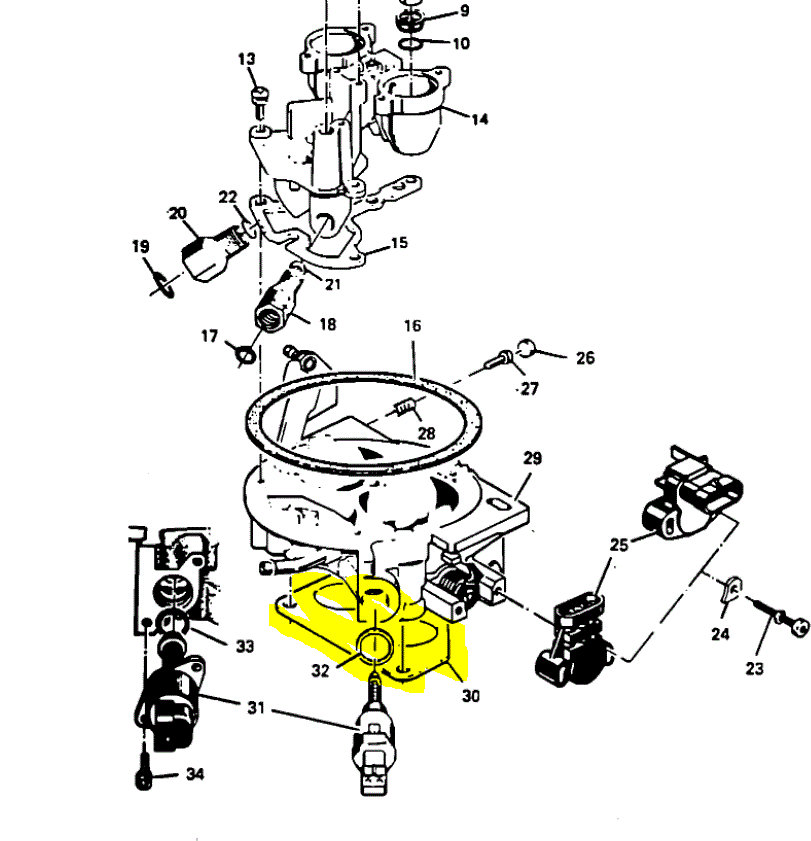
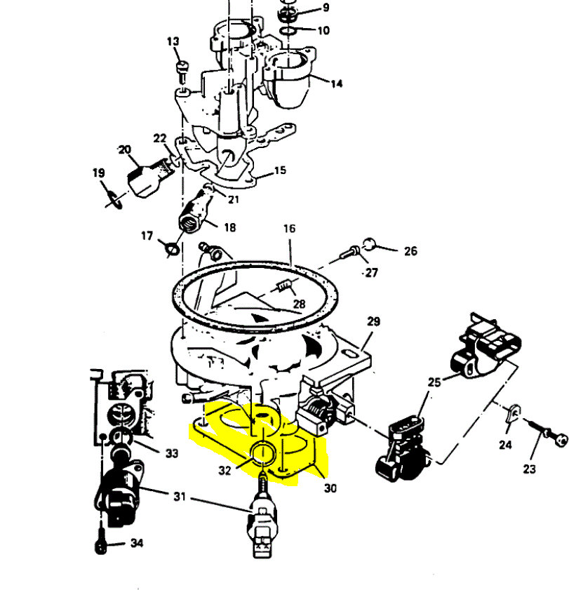
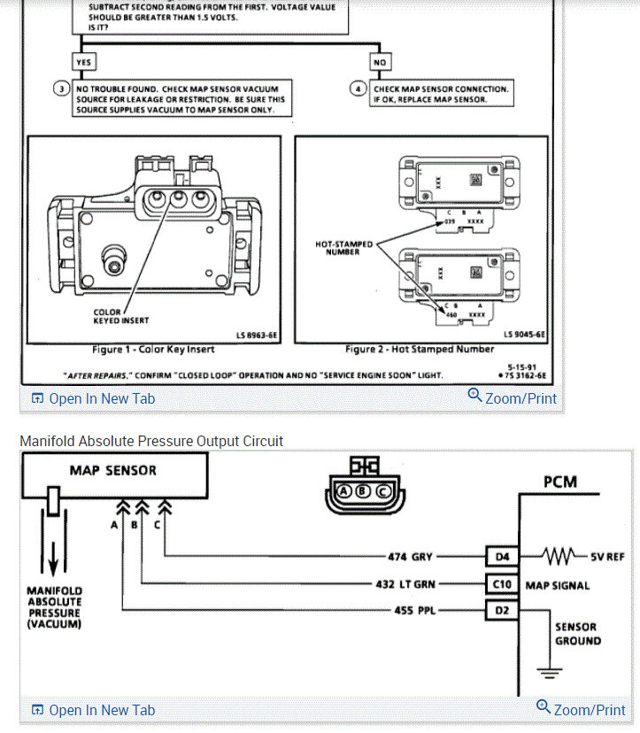
I have been trying to figure this out but it has me stumped. When you start the truck it idles good for 2 seconds and then starts surging. 300 RPMs to 1,500. When you try to accelerate the surging is still there. It won'the get over 2,500 RPMs. If you unplug the map sensor, it idles high but smooth. When it's surging you can watch the injectors flutter when it idles down. I am embarrassed to say but this is what has been replaced:fuel pump and filter, MAP, TPS, coil, distributor checked EGR valve and solenoid and throttle body base gasket. Checked for vacuum leaks with brake cleaner, propane and finally smoke machine, nothing.










