Will not start, only half of the fuses are getting power

Tiny
JONGONZALES
  • MEMBER
  • 2012 VOLKSWAGEN JETTA
  • 2.5L
  • 5 CYL
  • AUTOMATIC
  • 120,325 MILES
Went to go start my car and it will not start. Battery is good so is the starter. So I check the fuses under the hood and found out half of my fuse do not have power going to them and the other half do. I do not know what is wrong. I lifted up the fuse box and found no burnt wiring so I am stumped. Please help. Thank you. Side note; inside the car the area where you plug in the test to read the codes does not have power either not working.
Sunday, July 8th, 2018 AT 8:49 AM

1 Reply

Tiny
JACOBANDNICKOLAS
  • MECHANIC
  • 110,194 POSTS
Hi and thanks for using 2CarPros.com.

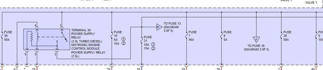
Since you have power only to limited places, I suspect one of the main fuses has blown which allow power to be distributed to different places. I have attached a few wiring schematics for you to review.

Picture one is of fuse panel A which is located on the left side of the engine compartment. You should check all main fuses first. However, my focus is on the 80 amp fuse, number 5. Here is why, from that point, power is sent to a 30 amp fuse (picture 2) in the vehicle. From there, power is sent to the power supply relay (picture 3) and then distributed further to other items, including the OBD port you indicated was not working (picture 4). Please keep in mind, I am looking at pictures and trying to determine a common pathway for the problems you described. It can be tricky. If you could tell me the location and number of each fuses that has no power, it may help me narrow things down.

Take a look at all main fuses and let me know what you find. Also, even if the main fuses are good, confirm there is power to them. Here are some links that may help:

https://www.2carpros.com/articles/how-a-car-fuse-works

https://www.2carpros.com/articles/how-to-use-a-test-light-circuit-tester

https://www.2carpros.com/articles/how-to-check-wiring

Let me know if this helps or if you have other questions.

Take care,
Joe
Was this
answer
helpful?
Yes
No
-1
Tuesday, July 10th, 2018 AT 6:46 PM

Please login or register to post a reply.