Under-hood fuse block C1 connector wiring diagram needed?

Tiny
AL514
  • MECHANIC
  • 5,584 POSTS
Okay, I can still help you, it's just on my time now. So where are you at currently?
Was this
answer
helpful?
Yes
No
Wednesday, November 1st, 2023 AT 10:49 AM
Tiny
1CHEVYSSGUY
  • MEMBER
  • 14 POSTS
Good evening,

To answer your question as to where I'm at with my demonic possessed truck. It runs and drives but is still has an electrical diva fit. We are still currently in Washington State and trying desperately to move to Cherryville N.C. Hoping by the grace of God that you are located relatively close to our destination.
Was this
answer
helpful?
Yes
No
Wednesday, November 1st, 2023 AT 9:11 PM
Tiny
AL514
  • MECHANIC
  • 5,584 POSTS
We can communicate here, I'm staying on without pay so I can continue to help you and a couple other customers out. Your case is a rather difficult one, and I want to help you get this resolved. It looks like you will be 1:15min from me, so not terribly far.

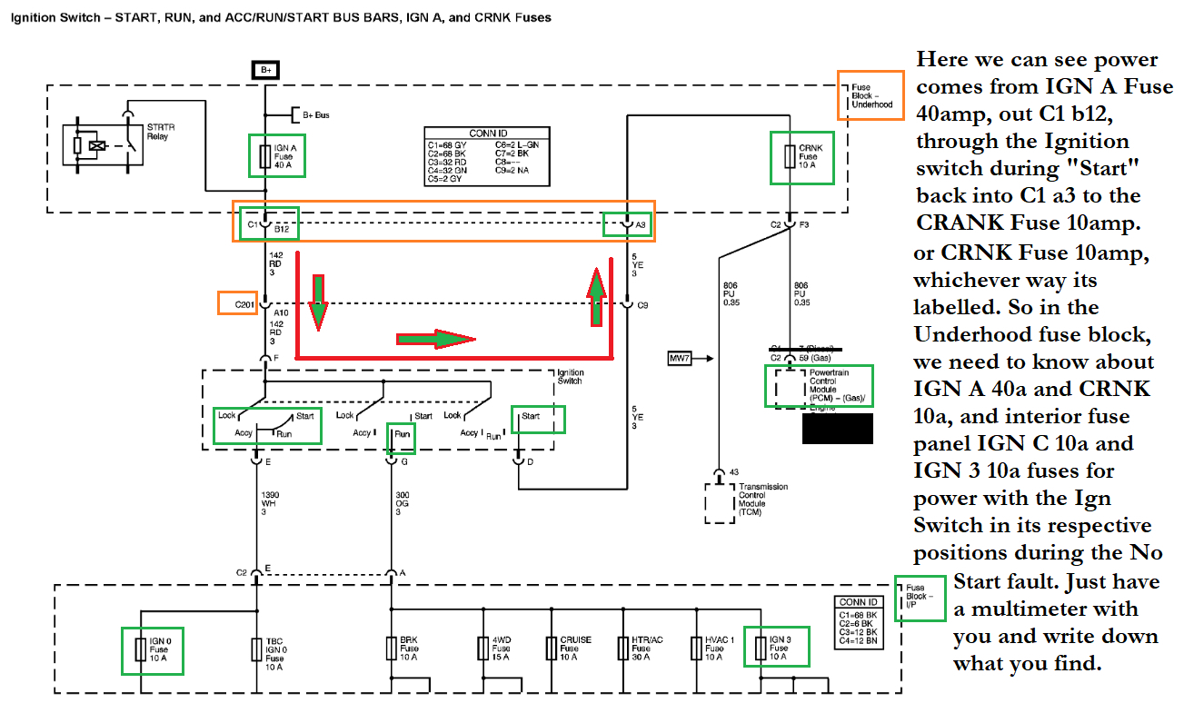
Did you get to clear the codes out by chance and see what codes come back at just key On first? I know the starting issue is related to the Ignition switch sensor and ignition switch itself. There is a ring around the ignition switch where you put the key in and it reacts to the magnetic field that the key produces when put into the switch. A Hall Effect sensor reacts to magnetic fields and sends a signal that the key is being put into the switch. I'm just going by the codes that had set, and parts of the ignition switch seem to be losing the 12v feed, which comes from C1. So, I think that is what is causing the restart issue.

These trucks are known for the ignition switch itself getting hot in some cases and the pins in the connector loosen up. I have seen that happen. The trick here is catching the circuit that is losing power or lower than normal voltage, which will cause modules to do all kinds of strange things. The interior lights losing power is most likely going to be all related. You still have the old BCM just in case, I hope.
Are you still getting the situation where you get stuck somewhere after a drive? When that restart issue happens is when we need to find out which wire power is missing from. Low or complete voltage loss is what is probably causing the "U" communication codes. Once a module loses its voltage feed, anything connected to that module goes down too. Which is why so many codes are setting.
So, if you can be prepared somewhat to take some voltage readings when the no start condition happens, that will really give us some direction. But circuit codes will set when the key is turned to just the on position, because modules will be monitoring circuits at that point. I have to go through your folder again, but I do remember seeing a lot of Cluster loss communication codes set in other modules. Let me know what codes are setting after clearing them all out, and just turn the key on to begin with.

Here are some fuses to check when it won't start, since this happens after you drive for a bit, you could even try letting the vehicle run at home for a half hour and see if that is enough to duplicate the fault.
Was this
answer
helpful?
Yes
No
+1
Thursday, November 2nd, 2023 AT 10:31 AM
Tiny
1CHEVYSSGUY
  • MEMBER
  • 14 POSTS
Good evening,
I'm 1chevyssguy Fiancé Cherie, and I'm going to fill you in on a few gaps that are missing, so we are up to speed on our current Divas electrical issues.
The very first thing that set us on this nightmare was the airbag light came on. Ran a scan and clock spring needed replaced. Bought, installed and after that it's been a sporadic electrical nightmare. Interior lights would flicker 3 times, steering wheel controls stopped working, MIL light would come on but no codes. Cluster would do weird things but come to find out these cluster are notorious for failing. Replaced last year right around time of rat chew problem. BCM, Clock spring, Cluster, Engine fuse block and C1 part of fuse block replaced. C1 wring was replaced/fixed. Few other things. Sensors, throttle body, center console wiring harness, rewired the main engine grounds. Battery, alternator (shops said alternator was bad, but we don't really think was). The truck voltage was always at 14.5 until alternator was replaced, now it won't go past 13.5
Starter was replaced and that was an issue (not on our part). Starter was replaced but the truck wouldn't start. Looked through everything and truck would only crank but no start. Come to find out when Starter come out, it kind of slipped and broke 2 wires off the crankshaft position sensor. Well, someone stopped to help us and he connected them back together but switched the wires fuel to him being colorblind (found that out later). Truck started and he accidentally zapped the battery pretty darn good with a wrench and put a nice weld chunk in the wench. We were mobile but the truck didn't quite run right. Had a stumble, finally replaced Crankshaft position sensor and that's when we found the crossed repaired wires. Not sure what kind of actual damage that could've/did cause or if it's part of our issue now. Transmission was replaced at the end of April this year. Wiring still isn't 100% and need it to be. Seems as though we haven't made it worse considering we're doing this by ourselves with very little electrical knowledge. Issues are still arising. Sometimes we have high beams then we don't, but we do have flash to pass. Battery light is constantly on, MIL code but no MIL light. On/off P0455 code. Ignition housing was replaced, we are thinking the cylinder itself needs replaced (cylinder is slightly loose but tumblers are fine).
Just one question on my part. (I know the answer, but my head is tired), what engine grounds should go where and in what sequence? Battery to alternator/starter, then frame, engine, chassis? I feel like my IQ drops 1 point every time we open the hood.
Oh, and I was able to write down quite a few of the codes before the Innova software update that wiped our codes from the scan tool, if that does help with anything.
Again, thank you so very much. We owe you so very much and it's greatly appreciated.
Was this
answer
helpful?
Yes
No
Sunday, November 5th, 2023 AT 5:42 PM
Tiny
AL514
  • MECHANIC
  • 5,584 POSTS
Okay, just to keep things simple and not spiral out of control here. I think a lot of sections of wiring harness have been replaced that may not have needed to be. And I've stated this before, the harness connectors are not designed to be unplugged and reconnected more than a few times during the life of the vehicle. It causes the pins in the connectors to loosen up creating poor connections. I'm not sure why the dash harness was replaced, but this case has been going on for a very long time now. With lights flickering and things coming and going, you won't be able to figure everything out at one time, there is no overall grand fix for these issues. Too much has been messed with and replaced.

Let's just start with the Alternator for instance. I'm willing to bet anything it's a remanufactured alternator from AutoZone or some other aftermarket place. And as you stated, it's not charging over 13.5, that's not good. Sounds like a junk alternator. If it is putting out any AC voltage due to a bad diode inside, it will eventually cause the ECM to do all kinds of strange things, and then fail. The Alternator has a pack of diodes that rectify the AC voltage is produces into DC voltage that the vehicles modules can work off of. I didn't know if it was replaced or about the battery being shorted out.

Your Fiancé had mentioned that starting issue was the biggest concern because you're trying to get here to NC. So, we need to concentrate on that first. You guys are way down the rabbit hole on this as we would call it.
Now whatever code set that caused you to replace the Clock Spring, it was most likely not the problem, I'm sure the SRS light is still on. There are TSB (Technical Service Bulletins) on the SRS setting codes and the issue is connector problems that are not even near the steering column. Never replace a component because of a code. The circuit needs to be checked first. I have a huge list of codes from your vehicle already and many of them begin with a U1000 code or one like it. Which is a network communications code. If a module is not communicating, everything that has to do with that module will set codes as well. Reestablishing communication is the first step when a communication code sets. Then if there are still codes for that module, you deal with those after.

Start Here:
If there are codes stored, write them down with the date so you have a record, clear them all out. And do a full system scan with just the key on engine off for right now. Thats the first thing, modules will be monitoring circuits when first powered up.
Next check what battery voltage is with nothing on. Just to know if the battery is holding a charge. Should be at least 12.6v minimum.
And next check for any AC voltage ripple with the red meter lead on the Alternator post and the other meter lead on battery negative and meter set on AC voltage. Check it at idle, then check it at 1500rpm. Write it down. It should not be more that 50mv (0.05v) If there is excessive AC voltage. Right away that's a problem.
I will check for your replies at least once a day.. But I would like to help you get to NC. You'll only be a little over an hour from me then. I did give your fiancé a list of wires to check for voltage on C1 when the no Start condition occurs based on some of the previous codes that set having to do with the ignition circuits. I think there are possibly some connector pins that are not making good contact. C1 feeds a lot of the ignition switch circuits power. Sorry for the long post, but we haven't gotten anywhere with these issues yet.
Was this
answer
helpful?
Yes
No
+1
Tuesday, November 7th, 2023 AT 1:11 PM

Please login or register to post a reply.