Two or three second delay before cranking/starting, now, it does not crank?

Tiny
ABRAM BUTLER
  • MEMBER
  • 1998 NISSAN ALTIMA
  • 4 CYL
  • 2WD
  • 90,000 MILES
Supposedly bad starter. We don't know how the system works in terms of the anti-theft and starting relays. Thanks for the directions!
Monday, January 23rd, 2023 AT 9:00 AM

3 Replies

Tiny
KEN L
  • MASTER CERTIFIED MECHANIC
  • 55,512 POSTS
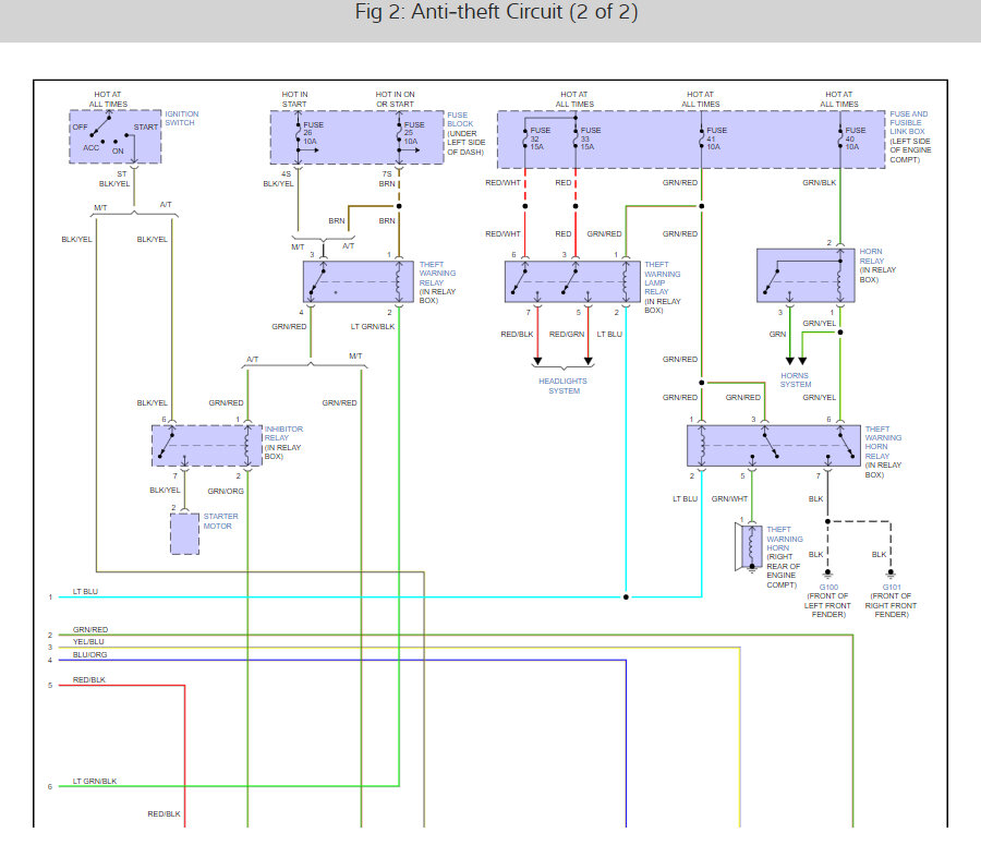
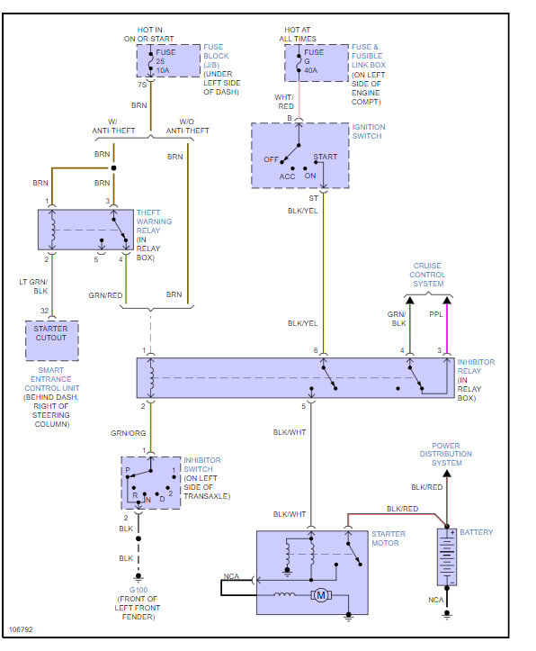
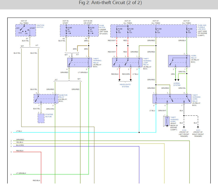
There are two relays that run the system, one is the inhibitor relay, and the other is controlled from the smart entrance control unit. Either of these can be causing the problem. Here is the location of the relays and the starter wiring diagrams so you can see how the system works. I would make sure the battery was in good shape because I have seen low voltage cause this problem.

https://www.2carpros.com/articles/car-battery-load-test

Check out the images (below). Please let us know what you find. We are interested to see what it is.
Was this
answer
helpful?
Yes
No
+1
Monday, January 23rd, 2023 AT 12:38 PM
Tiny
ABRAM BUTLER
  • MEMBER
  • 14 POSTS
This model has a relay box with 12 relays, 3 of which are anti-theft. They are Anti-Theft 3, Anti-Theft 2, and Anti-Theft 1. Can you assist with a wiring diagram or instructions for this setup please? Thanks!
Was this
answer
helpful?
Yes
No
Wednesday, January 25th, 2023 AT 6:00 AM
Tiny
KEN L
  • MASTER CERTIFIED MECHANIC
  • 55,512 POSTS
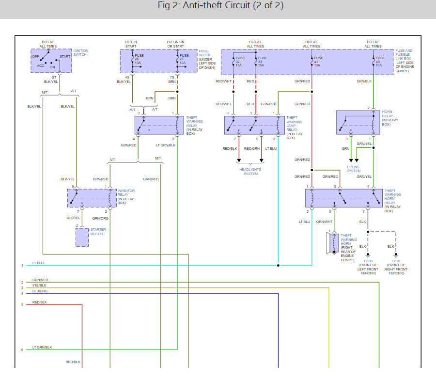
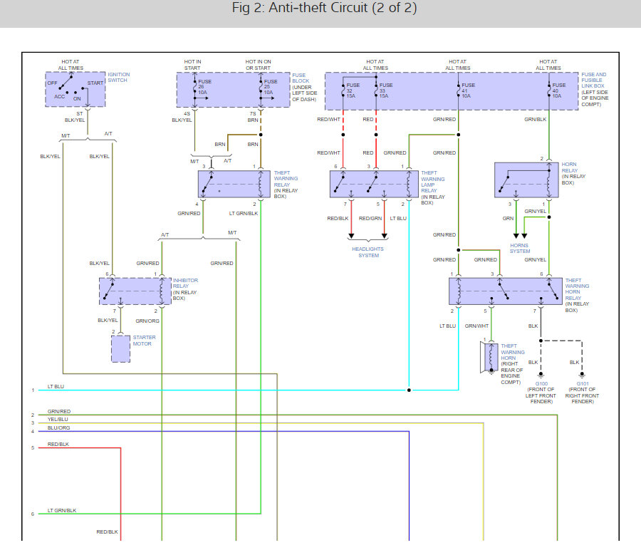
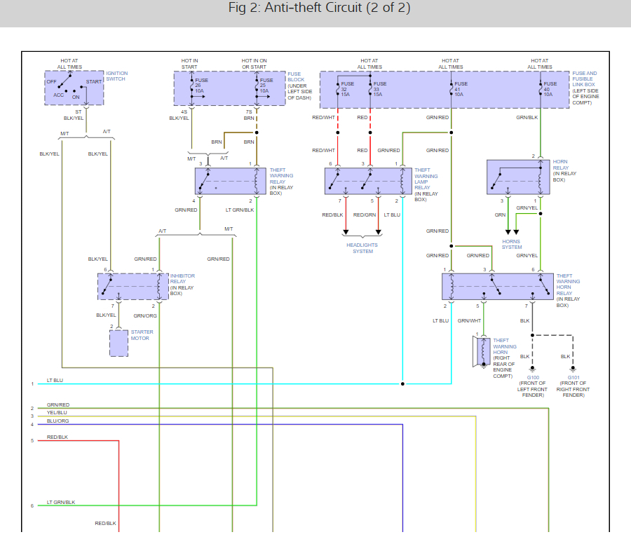
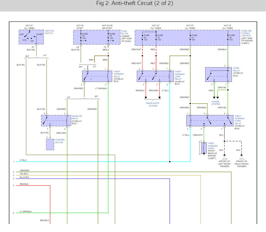
Sure, here is the security system wiring diagrams with relays so you can see how the system works. Check out the images (below). Please let us know what happens.
Was this
answer
helpful?
Yes
No
Thursday, January 26th, 2023 AT 4:28 PM

Please login or register to post a reply.