Turn Signals and Tire Low?

Tiny
COM1TECH
  • MEMBER
  • 2000 BUICK CENTURY
  • 3.8L
  • V6
  • 2WD
  • AUTOMATIC
  • 200,000 MILES
Both the turn signals and low tire lite not working. Flashers either. But right cornering light works, and hazards work if I hold button in. Cannot find a wiring diagram anywhere but assume TPMS and signals tie in somewhere. Shop just replaced serpentine belt and low press steering line. Not sure what connector might be over there. Any ideas?

Any source for a wiring diagram?
Saturday, December 10th, 2022 AT 11:22 AM

1 Reply

Tiny
JACOBANDNICKOLAS
  • MECHANIC
  • 110,194 POSTS
Hi,

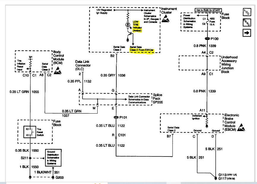
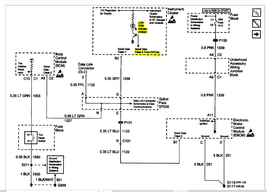
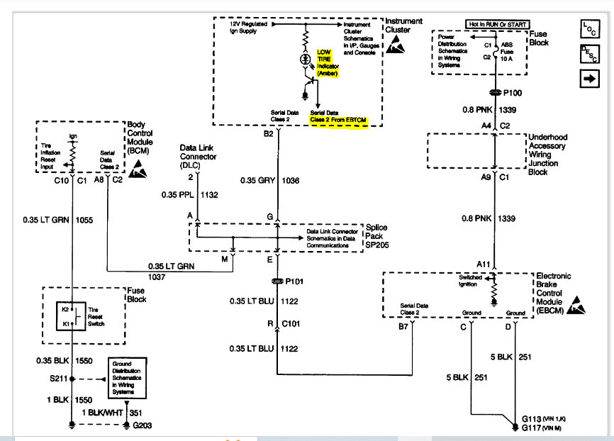
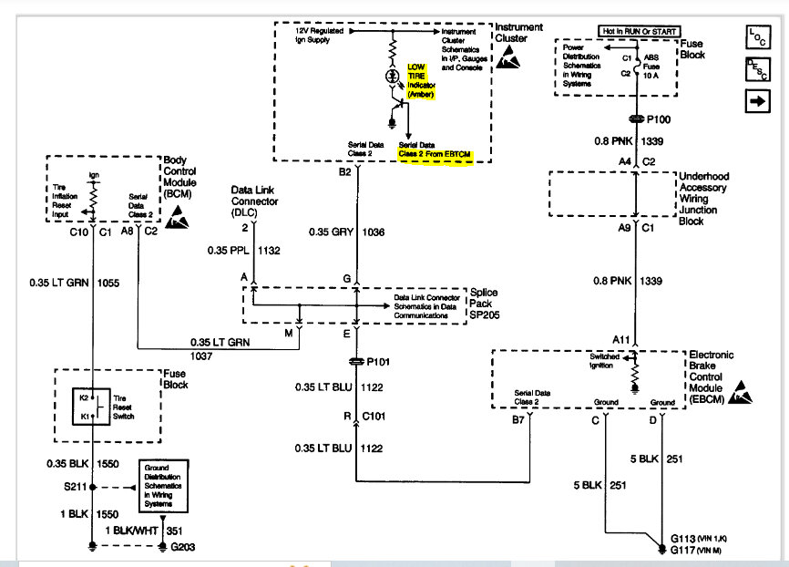
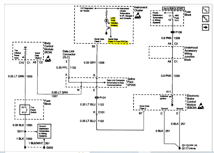
The TPMS works through the electronic brake control module (EBCM). If you look at the first two pics below, I attached the wiring schematics I have for the circuit.

Next, do the turn signals do anything when you turn them on? Did this happen right after the other repairs? Also, the idea that the flasher needs to be held in leads me to think the switch itself has failed. This is a theory, but here are my thoughts.

The signal switch has more than one role. The brake lamp power goes through the signal switch. If there is a failure there, the EBCM may see it as a fault causing the TPMS circuit to fail. Again, this is a theory. Not being there makes it difficult to be positive.

Also, if you look at the last pic below, it shows possible codes related to the TPMS. I'm not sure if you scanned the system or not.

Pics 1 and 2 are independent pics. Pics 3 and 4 came from one page. I had to cut that page in half to make it readable, but I did overlap them so you can follow from one to the next. As in all cases, make sure the fuses are good and have power to and from them. And, just for curiosity, see if the brake lamps are working properly and if there is any evidence of a disconnected or damaged wire at the EBCM.

Let me know what you find or if you have questions.

Take care,

Joe

See pics below.
Was this
answer
helpful?
Yes
No
Saturday, December 10th, 2022 AT 2:09 PM

Please login or register to post a reply.