Turn signals and hazards not working

Tiny
LIGHTLESS
  • MEMBER
  • 2010 MAZDA 6
  • 3.7L
  • V6
  • 2WD
  • AUTOMATIC
  • 115,000 MILES
Turn signals and hazards are suddenly not working. Fuses are fine. Where is the relay located?
Thursday, November 14th, 2019 AT 7:22 PM

3 Replies

Tiny
KEN L
  • MASTER CERTIFIED MECHANIC
  • 55,512 POSTS
Hello,

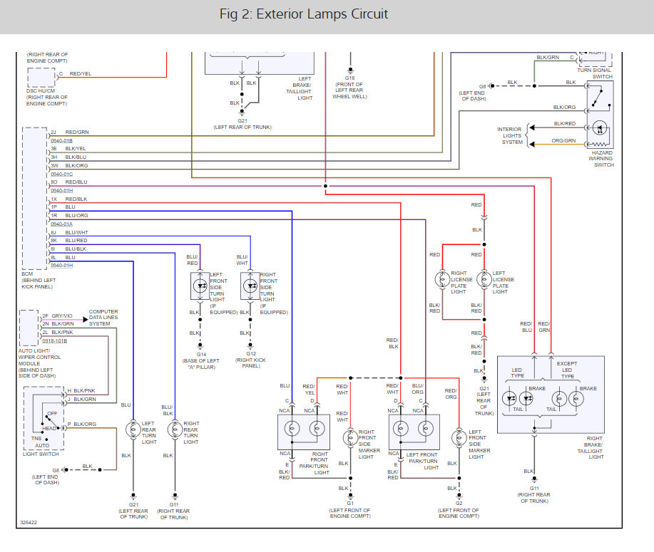
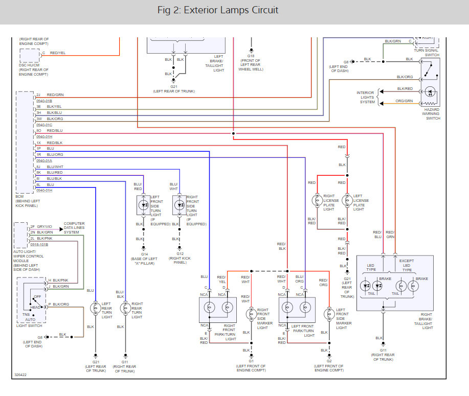
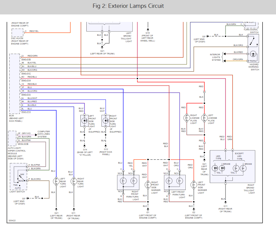
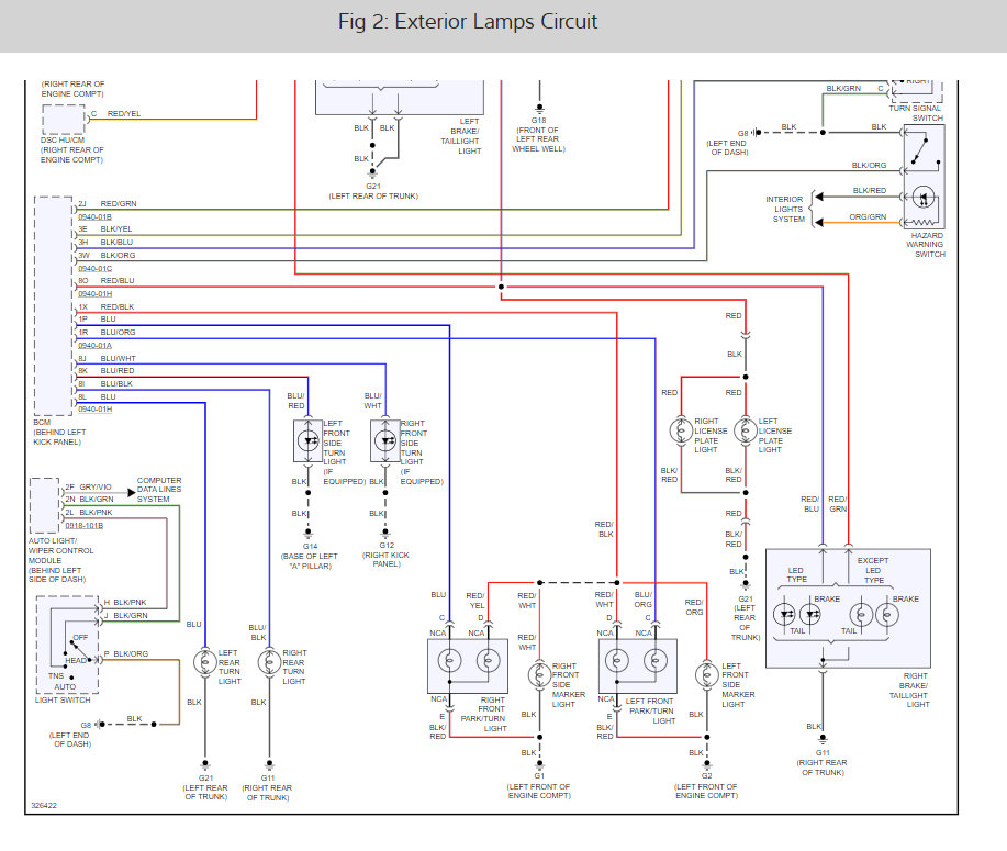
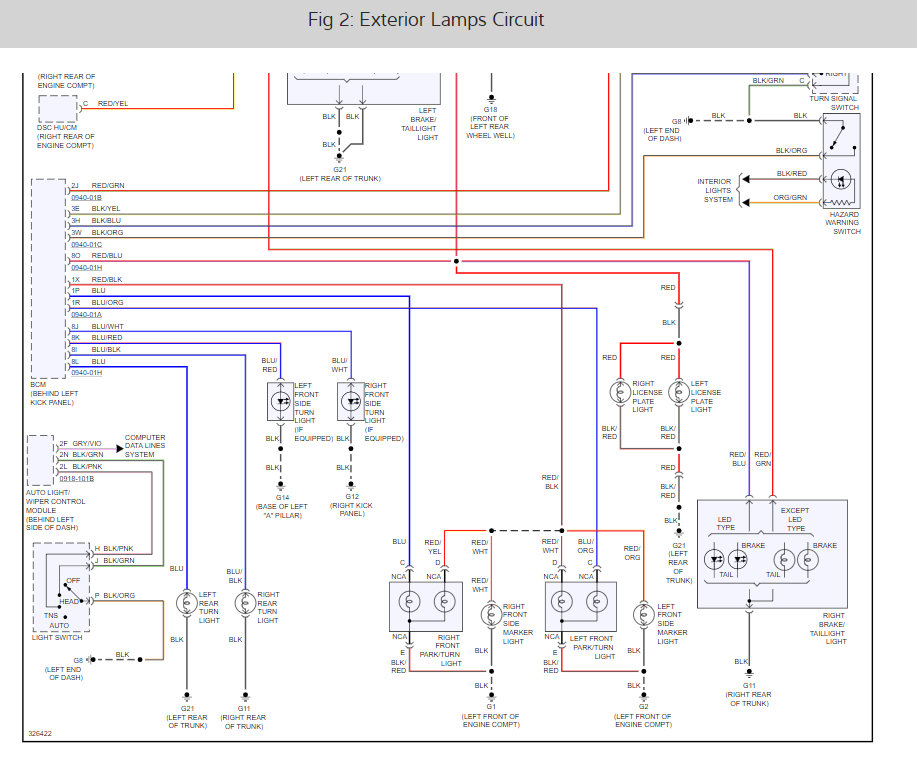
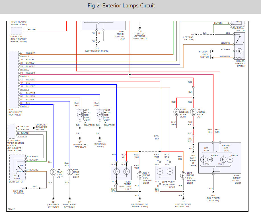
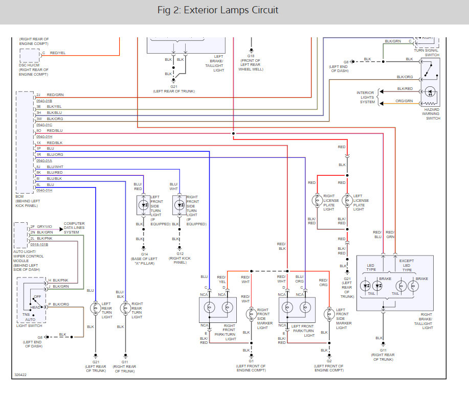
It sounds like the BCM went out. To be sure here is a guide so you can check for power at the fuses (stop, hazard) and the instruction on how to replace the BCM as well. I also have the turn signal wiring diagrams so you can see how the system works.

https://www.2carpros.com/articles/how-to-check-a-car-fuse

Check out the diagrams (below). Let us know what happens and please upload pictures or videos of the problem.
Was this
answer
helpful?
Yes
No
+1
Saturday, November 16th, 2019 AT 12:15 PM
Tiny
LIGHTLESS
  • MEMBER
  • 2 POSTS
Thanks for the help, Ken. I did a bit more research on the BCM and it looks like it's a common problem with this car (mostly due to water leaks).

Fuses are okay, but I'll have to replace the BCM. If I buy one used, will I have to reprogram it? If so, how can I avoid going to the dealership for this? I haven't found a concrete answer for my specific vehicle.
Was this
answer
helpful?
Yes
No
+1
Sunday, November 17th, 2019 AT 4:20 PM
Tiny
KEN L
  • MASTER CERTIFIED MECHANIC
  • 55,512 POSTS
Yes, reprogramming will need to be done but if you find a re-builder then can program it for you before they send it. They just need the VIN number. Let me know how it goes.
Was this
answer
helpful?
Yes
No
Monday, November 18th, 2019 AT 11:03 AM

Please login or register to post a reply.