Where is turn signal flasher located?

Tiny
FAMILY7
  • MEMBER
  • 2006 MAZDA 6
  • 114,000 MILES
I have no turn signals or hazard lights. I want to change the flasher but I cant find it
Saturday, April 7th, 2012 AT 11:51 PM

26 Replies

Tiny
KEN L
  • MASTER CERTIFIED MECHANIC
  • 55,512 POSTS
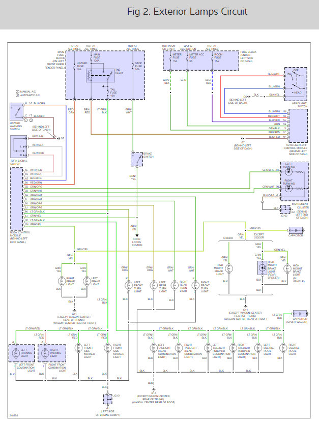
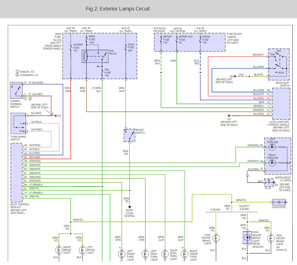
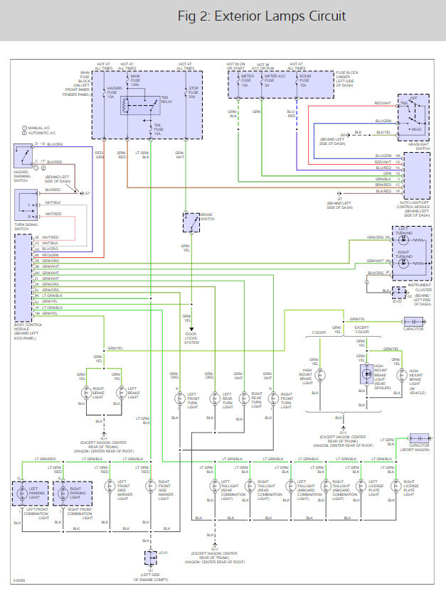
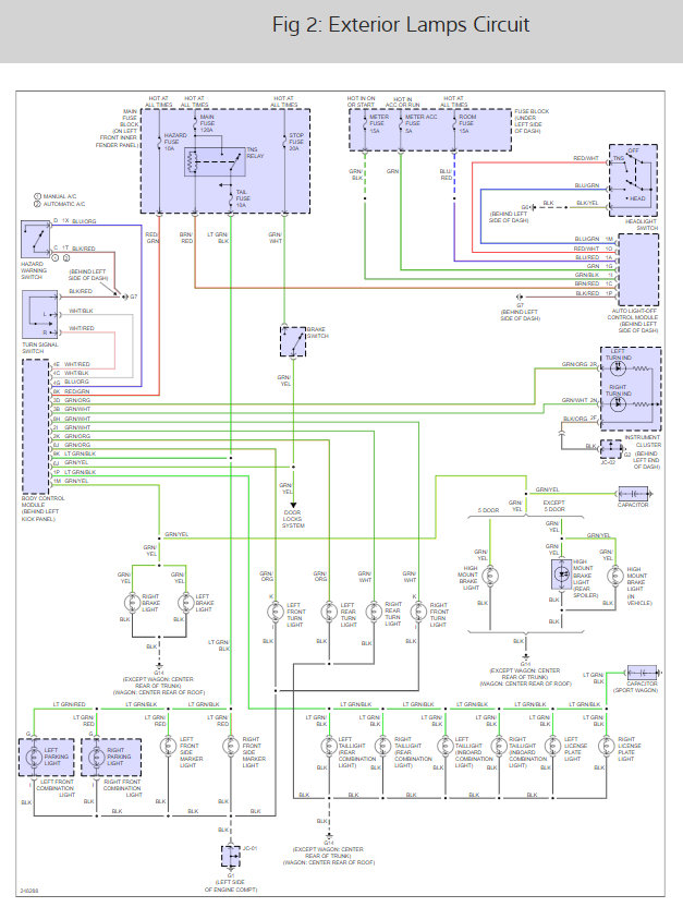
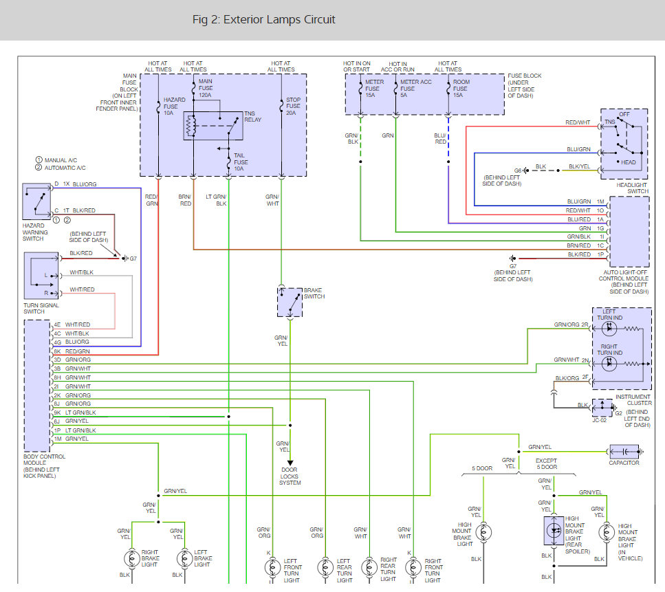
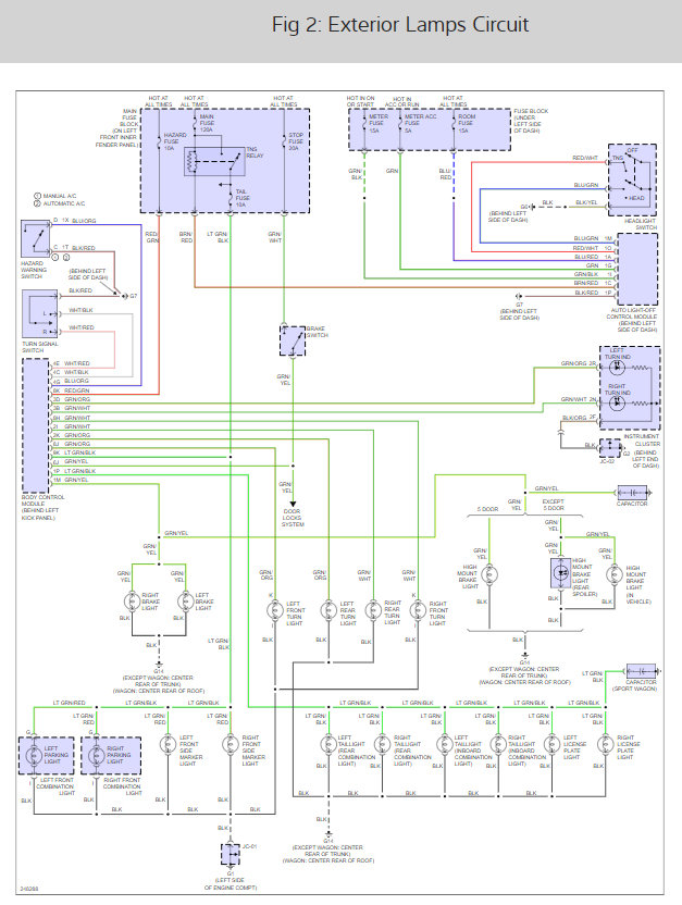
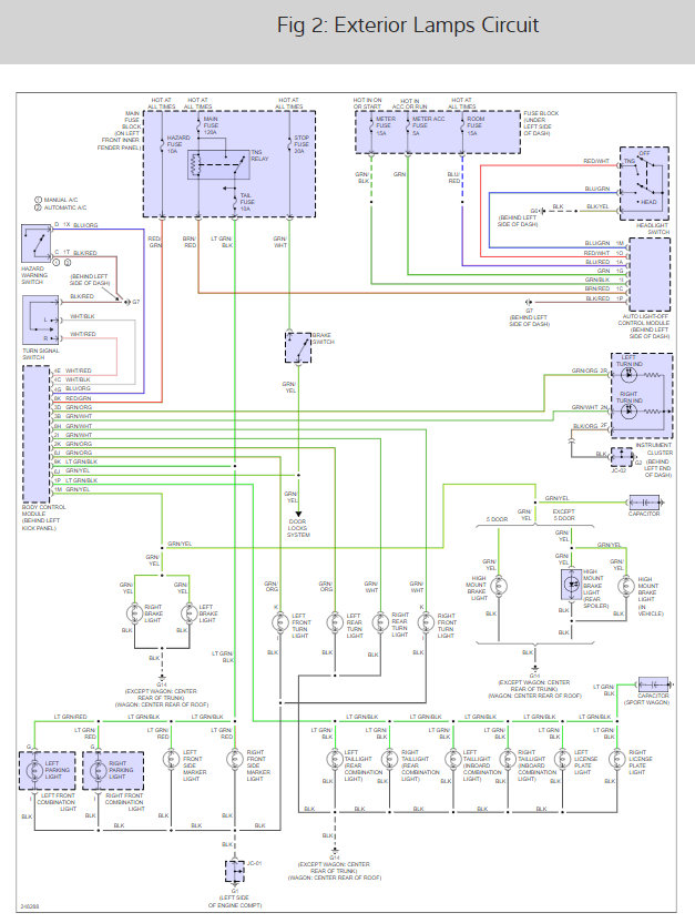
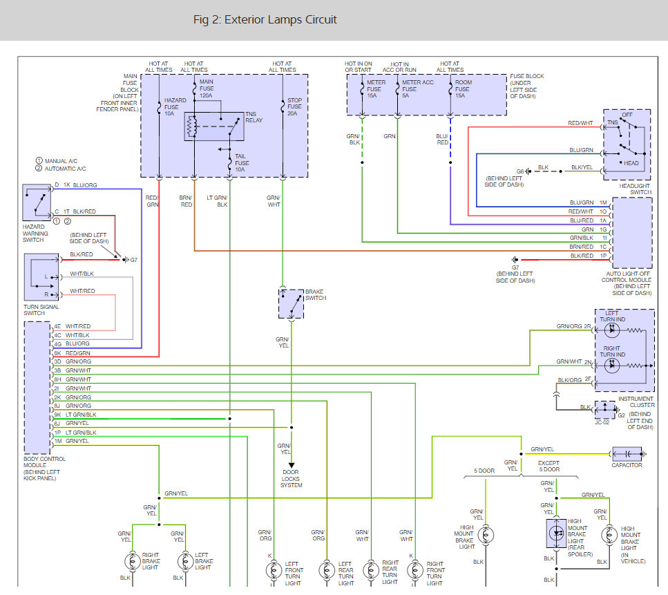
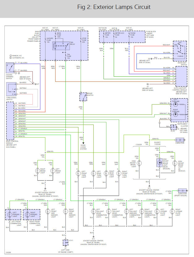
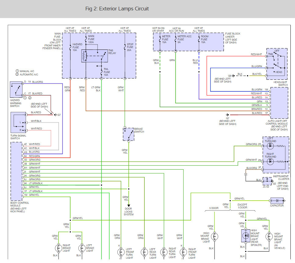
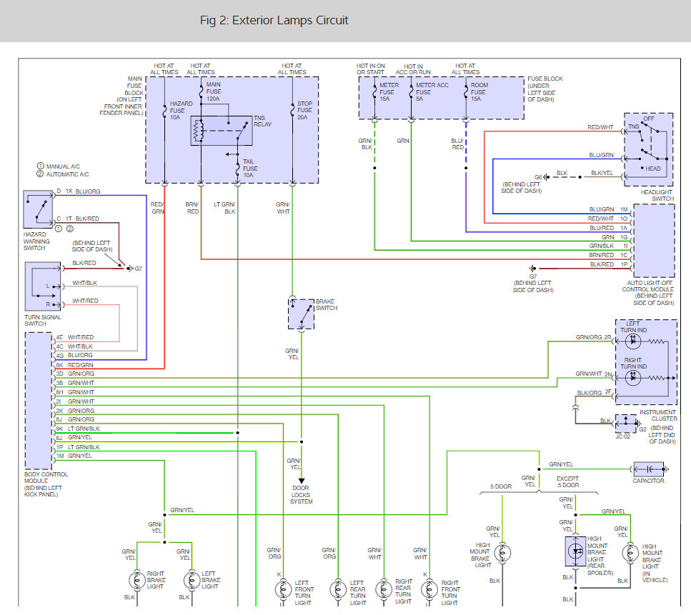
There is no flasher it is the BCM that controls the lights in this car. Have you checked the fuses? Here is a guide and some diagrams to help you do some simple testing.

https://www.2carpros.com/articles/how-to-check-a-car-fuse

and

https://www.2carpros.com/articles/how-to-use-a-test-light-circuit-tester

Please let us know what happens so it will help others.

Cheers, Ken
Was this
answer
helpful?
Yes
No
+1
Tuesday, August 22nd, 2017 AT 9:57 PM
Tiny
KHLOW2008
  • MECHANIC
  • 41,814 POSTS
We had this problem in the shop and it ended up being the BCM. I installed a new one but you might be able to plug in a used one without programming it.

Here is the wiring diagram and the BCM location so you can see how the system works.

Check out the diagrams (below).

Please let us know what you find. We are interested to see what it is.

Cheers
Was this
answer
helpful?
Yes
No
+1
Sunday, October 21st, 2018 AT 5:16 PM (Merged)
Tiny
NEUFELD77
  • MEMBER
  • 0 POST
Yes, this was the problem for my car.
Was this
answer
helpful?
Yes
No
Sunday, October 21st, 2018 AT 5:16 PM (Merged)
Tiny
ACAMP
  • MEMBER
  • 1 POST
  • 2006 MAZDA 6
2006 Mazda 6

the left turn signal on my 2006 mazda 6 will start flashing without actually turning on the signal. When this happens, if I switch it to the right turn signal both signals will start to flash, like the hazards. I cannot get the left signal to stop going off, although sometimes it will just stop on its own. Seems like some sort of short in the wiring? Is there an easy fix?
Was this
answer
helpful?
Yes
No
+6
Sunday, October 21st, 2018 AT 5:16 PM (Merged)
Tiny
RASMATAZ
  • MECHANIC
  • 75,992 POSTS
Sounds like you need to replace the multifunction switch
Was this
answer
helpful?
Yes
No
Sunday, October 21st, 2018 AT 5:16 PM (Merged)
Tiny
DAVFOG1963
  • MEMBER
  • 8 POSTS
  • 2005 MAZDA 6
  • 3.0L
  • V6
  • FWD
  • MANUAL
  • 96,500 MILES
When I use the signals the direction I point it to comes on flashing brightly, but so does the other direction (lightly) and the wipers come on and won't turn off even though they have not been turned on.
Was this
answer
helpful?
Yes
No
-1
Sunday, October 21st, 2018 AT 5:16 PM (Merged)
Tiny
HMAC300
  • MECHANIC
  • 48,601 POSTS
Check the grounds battery to body and engine to body also check for a bad bulb specifically the one side that does that front and rear, the filaments may be touching together. Only buy Name brand bulbs not the cheap ones you will have trouble with them.
Was this
answer
helpful?
Yes
No
Sunday, October 21st, 2018 AT 5:16 PM (Merged)
Tiny
DAVFOG1963
  • MEMBER
  • 8 POSTS
Where would the engine to body ground be located?
Was this
answer
helpful?
Yes
No
Sunday, October 21st, 2018 AT 5:16 PM (Merged)
Tiny
HMAC300
  • MECHANIC
  • 48,601 POSTS
There may be one that bolts at back of block /transmission stud. Would be it or on cylinder head.
Was this
answer
helpful?
Yes
No
Sunday, October 21st, 2018 AT 5:16 PM (Merged)
Tiny
DAVFOG1963
  • MEMBER
  • 8 POSTS
Okay, checking now get back to you ASAP
Was this
answer
helpful?
Yes
No
Sunday, October 21st, 2018 AT 5:16 PM (Merged)
Tiny
DAVFOG1963
  • MEMBER
  • 8 POSTS
Battery to body looks fine no rust at all nice and tight don't have a lift to locate other one will have to get it up on ramps to get underneath
Was this
answer
helpful?
Yes
No
Sunday, October 21st, 2018 AT 5:16 PM (Merged)
Tiny
DAVFOG1963
  • MEMBER
  • 8 POSTS
Ok both grounds are good and all bulbs have been changed. All fuses were checked and are good, nothing's changed both signals still come on as well as the wipers when I use either direction of signal
Was this
answer
helpful?
Yes
No
Sunday, October 21st, 2018 AT 5:16 PM (Merged)
Tiny
DAVFOG1963
  • MEMBER
  • 8 POSTS
Any ideas?
Was this
answer
helpful?
Yes
No
Sunday, October 21st, 2018 AT 5:16 PM (Merged)
Tiny
HMAC300
  • MECHANIC
  • 48,601 POSTS
You'll have to have a mechanic scan for codes wiper may be the switch or the module but you'll need to scan first same for lights.
Was this
answer
helpful?
Yes
No
Sunday, October 21st, 2018 AT 5:16 PM (Merged)
Tiny
DAVFOG1963
  • MEMBER
  • 8 POSTS
Update OBD scan run no codes found guess I'm off to a dealer/mechanic
Was this
answer
helpful?
Yes
No
Sunday, October 21st, 2018 AT 5:16 PM (Merged)
Tiny
KEN L
  • MASTER CERTIFIED MECHANIC
  • 55,512 POSTS
Please let us know what you find so it will help others.

Best, Ken
Was this
answer
helpful?
Yes
No
Sunday, October 21st, 2018 AT 5:16 PM (Merged)
Tiny
DAVFOG1963
  • MEMBER
  • 8 POSTS
After extensive search by Mazda dealership multiple grounds to the body and behind radio control cluster caused the issue, thanks
Was this
answer
helpful?
Yes
No
+1
Sunday, October 21st, 2018 AT 5:16 PM (Merged)
Tiny
KEN L
  • MASTER CERTIFIED MECHANIC
  • 55,512 POSTS
That would have difficult to find. Good to hear you got it fixed and thanks for getting back to us, please use 2CarPros anytime we are here to help.

Best, Ken
Was this
answer
helpful?
Yes
No
Sunday, October 21st, 2018 AT 5:16 PM (Merged)
Tiny
HELENJANE11
  • MEMBER
  • 1 POST
  • 2004 MAZDA 6
  • 4 CYL
  • FWD
  • AUTOMATIC
  • 76,000 MILES
My front driver side blinker has stopped working. I changed the bulb and it still does not work. Occassionally it will work (about 1 out of 100 times) but then it stops again.
Was this
answer
helpful?
Yes
No
Sunday, October 21st, 2018 AT 5:16 PM (Merged)
Tiny
AGCUTIE03
  • MEMBER
  • 3 POSTS
My sister's car had this problem from the time she bought it (with about 70K miles on it) and we accidently fixed it-not sure if it was a fluke or if this will work but I thought I'd share what happened.

We initially figured it was just some sort of short because the blinker would only work about 1/100 times. We took out the harness that the blinker bulb fits in (yes, it comes completely out of the car, it is not attached to wiring holding it in) from both the driver's side and passenger sides of the car. My intent was to switch sides (put the driver's harness on the passenger side, and vice versa) to see if the problem was the harness or if it was some deeper wiring problem on the passenger side.

Essentially, once I put the harness from the passenger side to the driver's side and vice versa, both sides began working perfectly every single time. I do not understand why but I won't question it either.

Let me know if you need more detail and I wish you the same weird luck we had with ours!
Was this
answer
helpful?
Yes
No
Sunday, October 21st, 2018 AT 5:16 PM (Merged)

Please login or register to post a reply.