Tuesday, August 16th, 2022 AT 12:04 PM
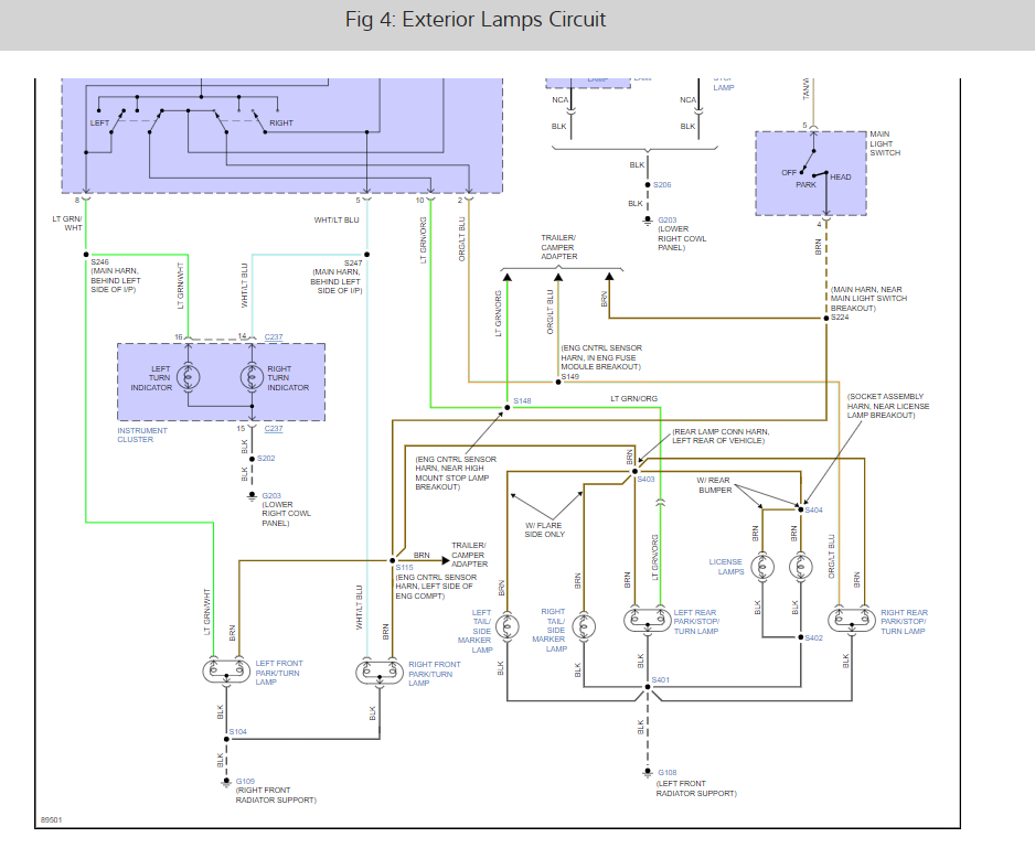
When selecting the left turn signal the hazards come on. When you hit the brakes in this position all lights stop flashing, releasing brakes hazards come on again. Switching it off turns all lights off as it should. All other light functions operate normally (selecting right turn signal, hazards, high beams etc.). I have changed both flasher relays and the multifunction lever switch.





