Friday, January 22nd, 2010 AT 12:42 PM
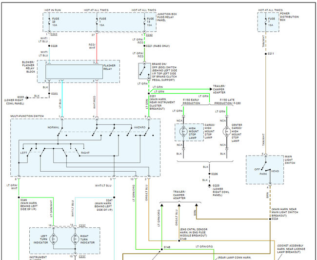
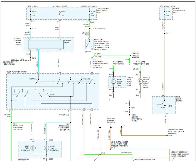
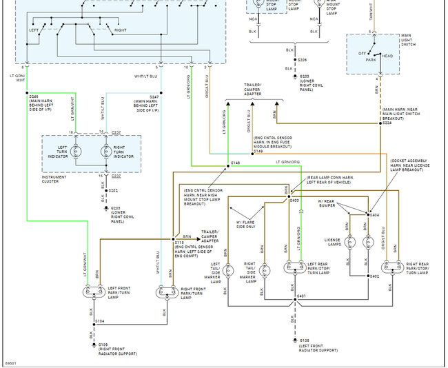
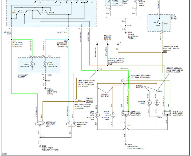
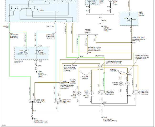
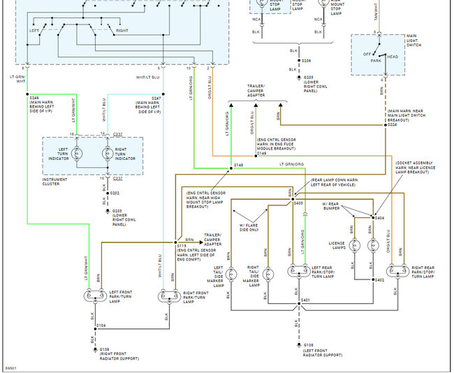
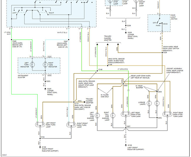
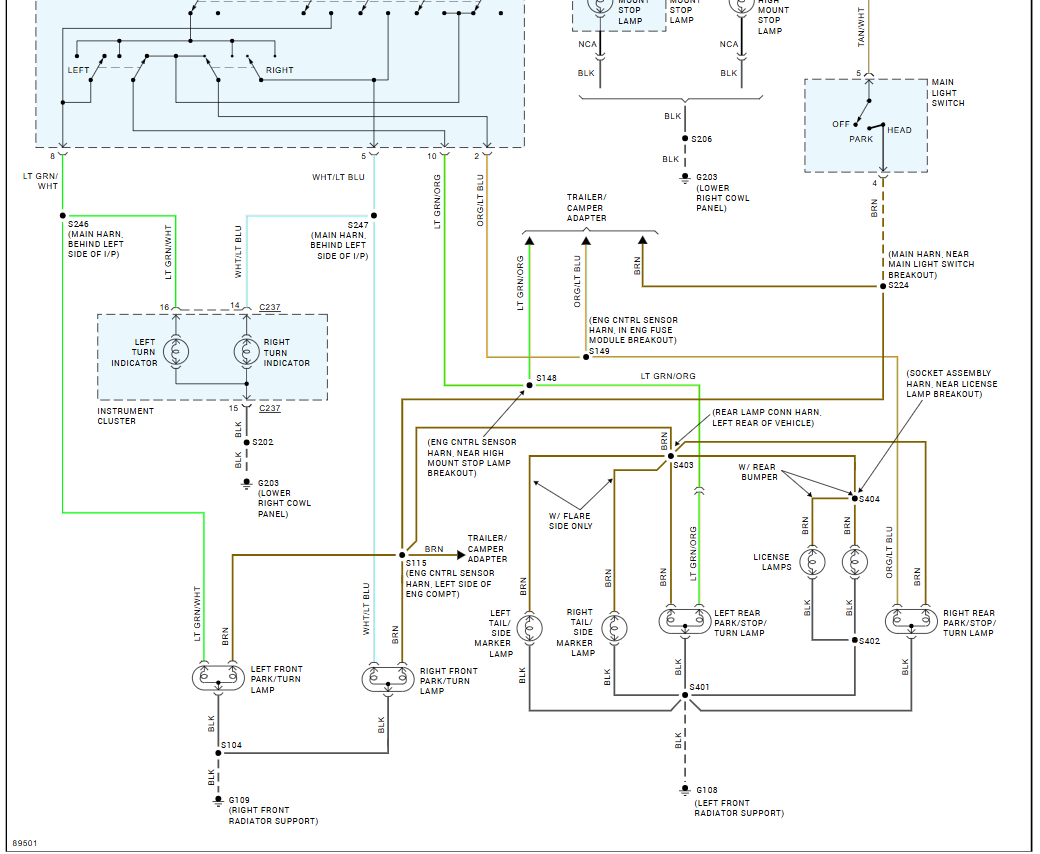
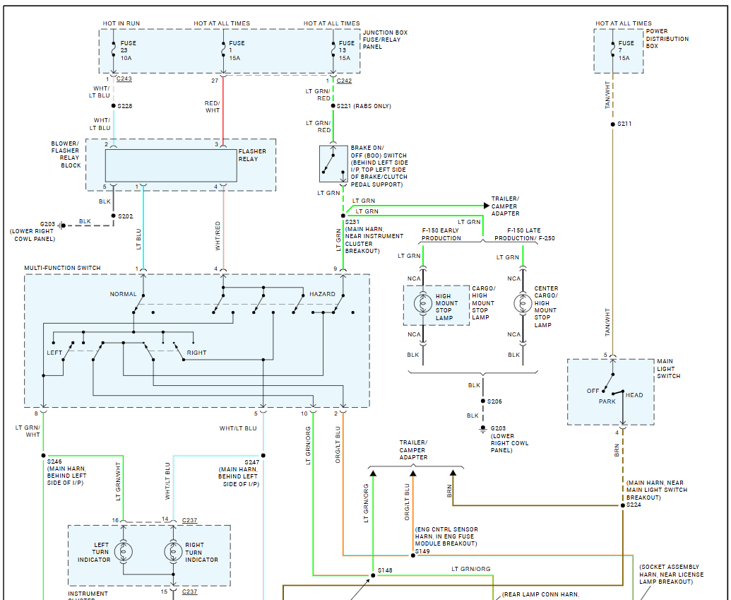
I have a 97 Ford F250 HD (old body style) with a 7.3 power stroke. The right and left turn signals work on the rear lights fine, but only intermittantly on the front lights. The dash indicator light doesn't work when the front signals aren't working and does when they are working. However, the turn signal clicking sound is always present. Any thoughts on what the problem is?





