Turn Signal malfunction

Tiny
FOMOCO
  • MEMBER
  • 1997 LINCOLN TOWN CAR
  • 4.6L
  • V8
  • 2WD
  • AUTOMATIC
  • 200,000 MILES
My turn signals suddenly quit working on the way to work ALL other lights are still working, including emergency flashers. All bulbs are good. There is a turning (clear) light which activates (no flash) when turn signal lever is engaged. I have replaced the Lighting Control Module with no change in status.
Monday, December 13th, 2021 AT 8:00 AM

3 Replies

Tiny
JACOBANDNICKOLAS
  • MECHANIC
  • 110,194 POSTS
Hi,

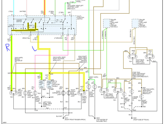
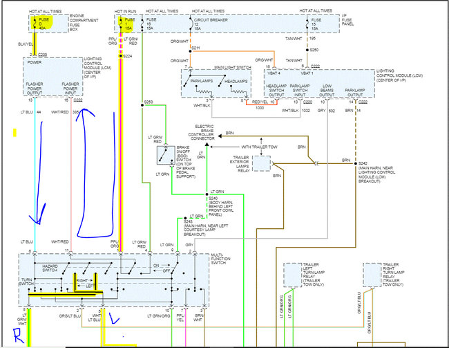
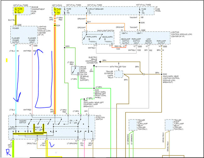
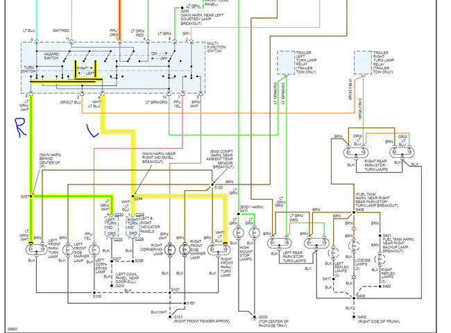
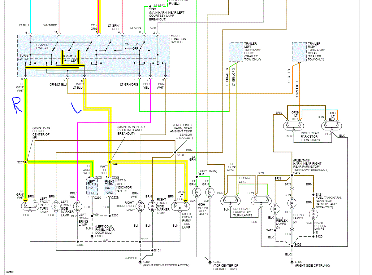
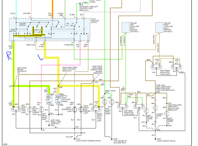
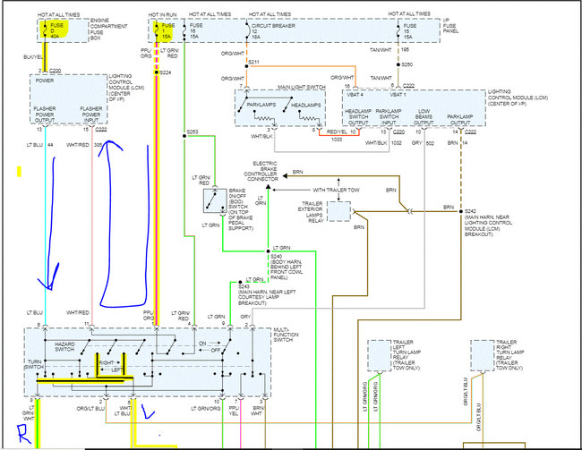
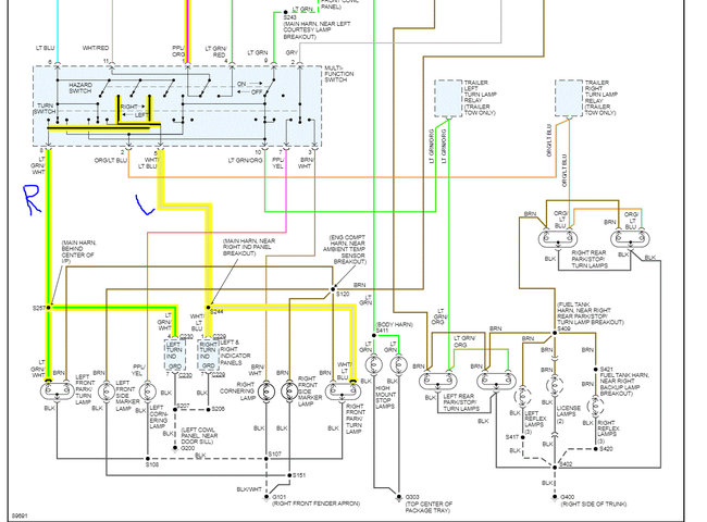
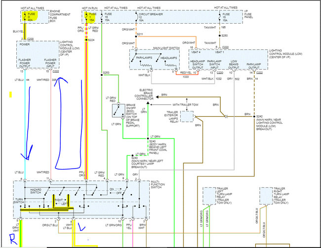
If you have already replaced the module, check to make sure both fuses are good. If they are, go to the signal switch. Locate a light green wire with a white tracer and a white wire with a light blue tracer. If there is no power at those wires, check the light blue wire into the switch from the module for power. If there is power, chances are the switch has failed.

Those are the power out to the lights (signals) See attached wiring schematic. Also, make sure fuse 1 in the instrument panel fuse box is good and has power to and from it.

Here are two links you may find helpful:

https://www.2carpros.com/articles/how-to-check-wiring

https://www.2carpros.com/articles/how-to-check-a-car-fuse

Let me know what you find or if you have other questions.

Take care,

Joe

See pics below. Note: I had to cut the schematic in half to make it readable for you. I did overlap the two halves and highlighted specifics.

Was this
answer
helpful?
Yes
No
Monday, December 13th, 2021 AT 3:15 PM
Tiny
FOMOCO
  • MEMBER
  • 2 POSTS
Thank you! I'll be on that this afternoon. It never dawned on me that the signal switch would have separate contacts for the signal flashers and the turn light.
Was this
answer
helpful?
Yes
No
Tuesday, December 14th, 2021 AT 7:01 AM
Tiny
JACOBANDNICKOLAS
  • MECHANIC
  • 110,194 POSTS
Hi,

You are very welcome. Let me know what you find or if you have other questions.

Take care,

Joe
Was this
answer
helpful?
Yes
No
Tuesday, December 14th, 2021 AT 5:21 PM

Please login or register to post a reply.