When applying the brakes turn signal lights blink

Tiny
JKRO1098
  • MEMBER
  • 2007 CHEVROLET SILVERADO
  • 6.6L
  • V8
  • 4WD
  • AUTOMATIC
  • 300,000 MILES
Turn signal lights blink crazy when brakes are applied.
Saturday, October 16th, 2021 AT 10:32 AM

14 Replies

Tiny
JACOBANDNICKOLAS
  • MECHANIC
  • 110,192 POSTS
Hi,

Is that specific to one side? When the flashers double time, that is an indication there is a burned-out bulb. Check to see if the bulb is bad first.

Next, let me know if this is a 2500, 3500, and so on. I need to look through the wiring schematics and there are differences.

Let me know.

Joe
Was this
answer
helpful?
Yes
No
+1
Saturday, October 16th, 2021 AT 10:36 PM
Tiny
JKRO1098
  • MEMBER
  • 13 POSTS
It's a 2500 hd classic. During the daytime, when my headlights are off, they work normally, but when it gets dark, and the headlights come on the right turn signals don't work at all when brakes are applied, and the left has a very slow cadence.

I've replaced every bulb on the truck, none of them looked like they had issues with the seat connections except one of the DRLs, the left-hand side specifically. This might need to be looked at more. I do have pictures of it

I would like to see a wiring diagram of the left and right turn signal circuits and a way to test for a faulty BCM. But we can start wherever you like.
Was this
answer
helpful?
Yes
No
Sunday, October 17th, 2021 AT 3:17 PM
Tiny
JACOBANDNICKOLAS
  • MECHANIC
  • 110,192 POSTS
Wow, the first pic is interesting. That bulb was arcing for power. That's why the connector is black.

Since it works when the headlamps are off, I suspect we have a ground issue. A weak ground can act this way when loaded.

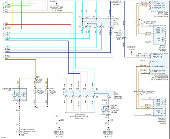
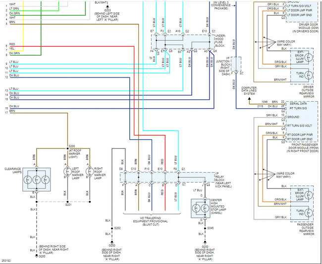
I attached the entire wiring schematic for the exterior lighting. It was three pages long, but I had to cut each pic in half to make it readable. I did overlap them so you can follow from one to the next.

Now, there is a junction block for the grounds related to all taillights. See pic 4. Note that all of the ground wires are black in color. Try running a jumper wire from the right-side light sockets to a known good ground to see if that makes a difference.

Also, take a test lamp and see if (with the headlamps on) there is power to the socket for the signal. Make sure the test lamp has a good ground also. That way, the light itself will provide a ground path.

Here is a link you may find helpful:

https://www.2carpros.com/articles/how-to-check-wiring

Let me know what you find or if you have other questions.

Take care,

Joe

See pics below.
Was this
answer
helpful?
Yes
No
+1
Sunday, October 17th, 2021 AT 9:39 PM
Tiny
JKRO1098
  • MEMBER
  • 13 POSTS
Here's what I've found:

I ran a jumper wire from battery ground to my voltmeter with continuity check and with the other lead pricked all left side rear lamps ground wires coming from the lamp socket. They're all good. I check the right side, no ground. I checked the junction block underneath; the black plug goes to right side lamps. I unhooked the black plug and checked ground on the tangs of the gray junction plate and all of them are shorted to ground. I think that plate is the problem, but according to the diagram, there should be a black wire back there going to chassis ground to which I do not see. I took out the spare tire and got up in there and saw no black wire going to the chassis. From what I see, this gray plate gets ground from the blue plug. Is that correct?
Was this
answer
helpful?
Yes
No
Monday, October 18th, 2021 AT 11:09 AM
Tiny
JACOBANDNICKOLAS
  • MECHANIC
  • 110,192 POSTS
Run a new ground jumper wire to the signal and see if it works. The present wire itself could be the issue if there is ground at the junction plate, go to the light socket, and check the black wire. If there is no ground, the wire itself is the problem. There could be damage under the insulation that fails when loaded. Make sure you check the wire itself and then the socket. That way, if there is a ground at the wire and not the socket, we'll know the socket is bad. If there is no ground at the black wire, then it's likely the wire itself. You could check the wire for continuity to see how much resistance there is. That could tell us also.

Let me know.
Was this
answer
helpful?
Yes
No
Monday, October 18th, 2021 AT 5:38 PM
Tiny
JKRO1098
  • MEMBER
  • 13 POSTS
I don't understand what you mean to do by running a ground jumper wire to "the signal" but it doesn't matter because we need to start over (I checked all the wires at the plugs that go from the plug to the lamp socket, all good).

Before your last reply, I unplugged some connections from the BCM to check which wires went to the rear lamps and after plugging them back in things are different.

Now, my headlamps stay on forever after I shut off the truck. They're on all day even though the ambient day light switch is working. My radio shuts off and switches applications randomly. My dome lights flicker randomly, rarely as well.

One of my very first questions was how to check if the BCM was bad or not. Is there a way?
Was this
answer
helpful?
Yes
No
Tuesday, November 2nd, 2021 AT 5:41 PM
Tiny
JACOBANDNICKOLAS
  • MECHANIC
  • 110,192 POSTS
As far as the BCM, there isn't one general test that can be performed to test the "BCM". There are individual tests to check circuits related to the BCM.

Since the issues have changed, are you sure there are no bent or damaged pins on the BCM or the connector? I don't feel the BCM would change issues unless there was a wiring or connection issue.

Let me know.

Joe
Was this
answer
helpful?
Yes
No
Tuesday, November 2nd, 2021 AT 8:36 PM
Tiny
JKRO1098
  • MEMBER
  • 13 POSTS
They all look good to me; the last picture is showing the headlights on while truck is running during the day.

You can scroll up and see a picture of my rear junction block. The blue plug comes from the BCM I believe and all but two of the female connectors have continuity with ground. I doubt it's meant to be that way.
Was this
answer
helpful?
Yes
No
Thursday, November 4th, 2021 AT 10:15 AM
Tiny
JKRO1098
  • MEMBER
  • 13 POSTS
I guess the BCM looks okay. Do you know which color connector is going back to the rear lamps? I think it might be the orange one but not sure.
Was this
answer
helpful?
Yes
No
Thursday, November 4th, 2021 AT 10:21 AM
Tiny
JACOBANDNICKOLAS
  • MECHANIC
  • 110,192 POSTS
Hi,

Everything looks okay. Make sure there are no cracked solder joints. As far as the connector plug color, they don't indicate that in the schematics. If I had to determine which one, I would look through the pinout and identify which wire colors are relevant for the area of interest.

I attached the pinouts below. The BCM pinouts were three pages long. I had to cut them in half so you could read them. They are overlapped.

Let me know if this helps.

Take care,

Joe

See pics below.
Was this
answer
helpful?
Yes
No
Thursday, November 4th, 2021 AT 6:53 PM
Tiny
JKRO1098
  • MEMBER
  • 13 POSTS
Well, we're back to square one and I'm not sure how. Square one meaning my headlights are shutting off with the sunlight out and the turning signals work normally with no brakes applied.

I decided to bring a ground jumper wire to the rear of the vehicle and test continuity with the trailer plug blades. I got connection with the ground, of course, but also left-hand turn/stop, right-hand turn/stop, and backup lamp. Going to clean the plug out and start following the wire from there.

If that helps you think of anything for me to do, let me know.
Was this
answer
helpful?
Yes
No
Saturday, November 13th, 2021 AT 11:22 AM
Tiny
JACOBANDNICKOLAS
  • MECHANIC
  • 110,192 POSTS
Hi,

Did you run a new ground to the affected lights?

Let me know.

Joe
Was this
answer
helpful?
Yes
No
Saturday, November 13th, 2021 AT 8:38 PM
Tiny
JKRO1098
  • MEMBER
  • 13 POSTS
Hi, thought I'd wrap this up for you, this ended up being the problem, small ground wire was broken in-between the cab and bed of the truck.
Was this
answer
helpful?
Yes
No
Monday, January 16th, 2023 AT 5:44 AM
Tiny
JACOBANDNICKOLAS
  • MECHANIC
  • 110,192 POSTS
Hi,

Thanks for the update. I'm glad to know you found the issue. Wiring issues can be a nightmare and certainly, a ground can be the cause.

Regardless, take care of yourself, and feel free to come back anytime in the future.

Joe
Was this
answer
helpful?
Yes
No
Monday, January 16th, 2023 AT 4:17 PM

Please login or register to post a reply.