Turn signals not working properly

Tiny
RUNNINGMAN1999
  • MEMBER
  • 2003 FORD F-450
  • 4.6L
  • V8
  • 2WD
  • AUTOMATIC
  • 165,000 MILES
I replaced the turn signal switch, relays and verified fuses are good. No turn signal. When the turn signal is activated, the rear right on the side that should flash, goes out.

Advice please
Wednesday, January 10th, 2018 AT 7:45 AM

1 Reply

Tiny
KEN L
  • MASTER CERTIFIED MECHANIC
  • 55,404 POSTS
Hello,

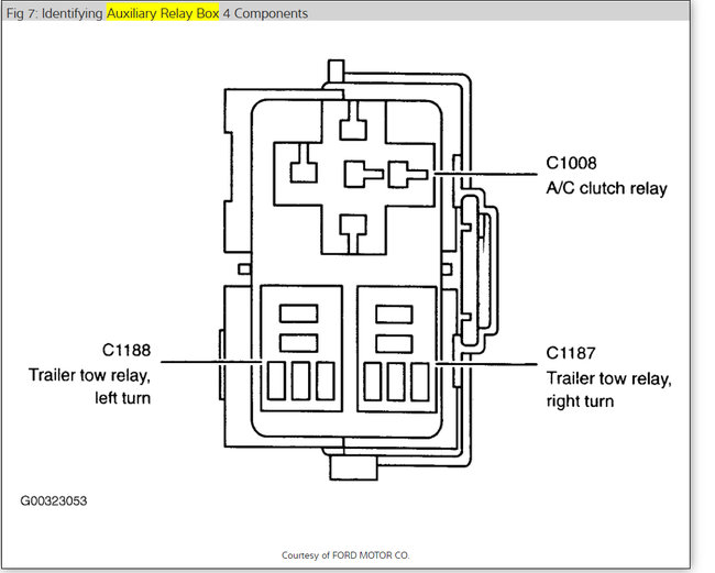
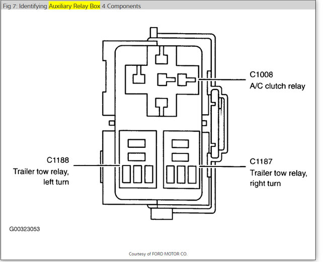
This sounds like you have a bad ground somewhere. Here is a guide and the blinker wiring diagram for your F450. Also, check the indicator flasher relay.

https://www.2carpros.com/articles/how-to-check-wiring

and

https://www.2carpros.com/articles/how-to-check-an-electrical-relay-and-wiring-control-circuit

Check out the diagrams (below).

Please run this test and get back to us.

Cheers, Ken
Was this
answer
helpful?
Yes
No
Thursday, January 11th, 2018 AT 1:28 PM

Please login or register to post a reply.