Where is the turn signal flasher located?

Tiny
C J YOUNG
  • MEMBER
  • 2012 FORD E-SERIES VAN
  • 4.6L
  • V8
  • 2WD
  • AUTOMATIC
  • 110,000 MILES
Need to replace flasher.
Monday, August 16th, 2021 AT 9:46 AM

1 Reply

Tiny
KASEKENNY
  • MECHANIC
  • 18,907 POSTS
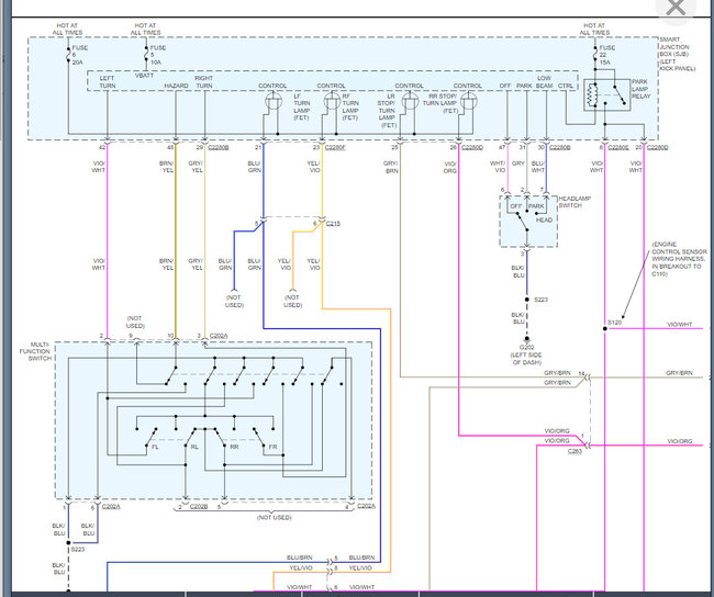
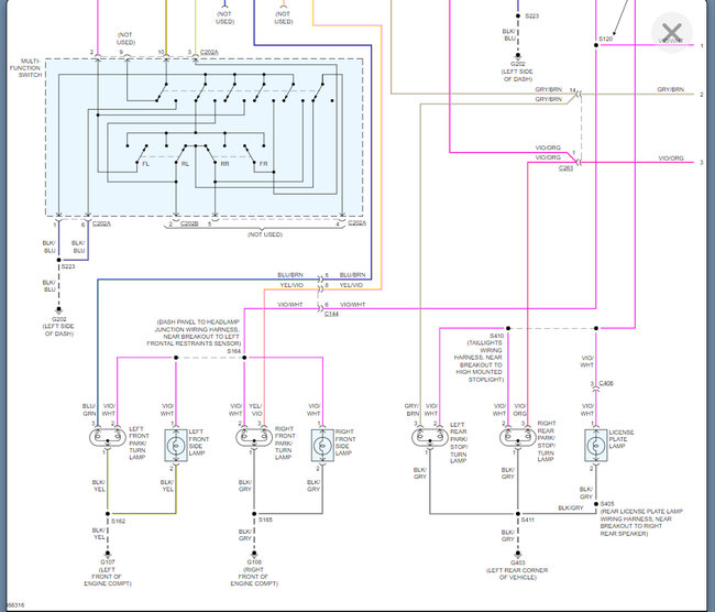
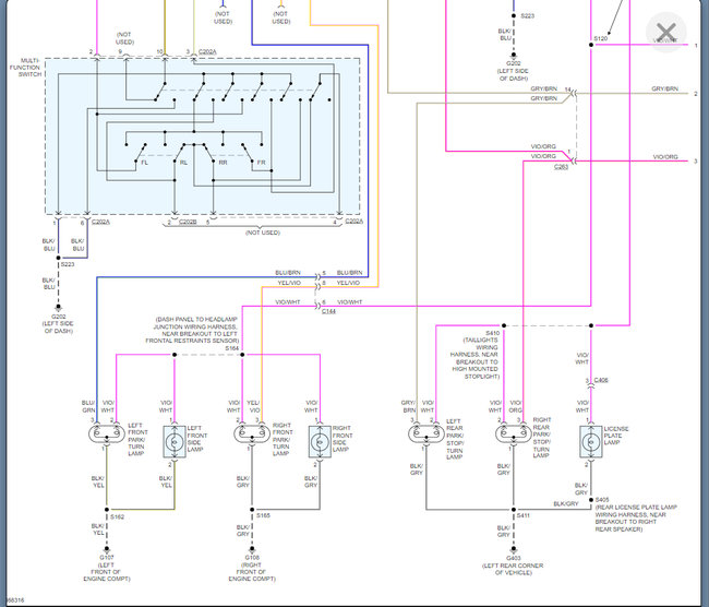
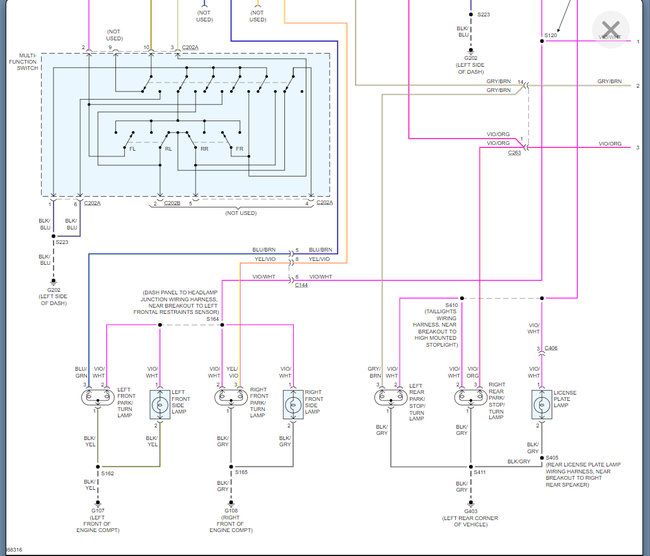
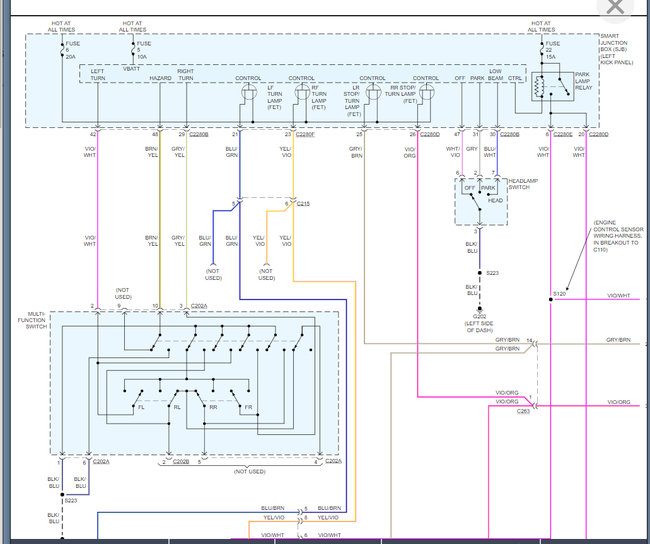
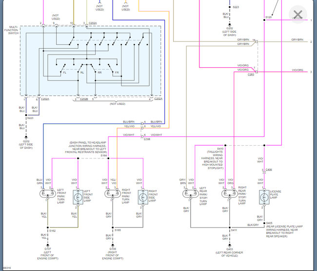
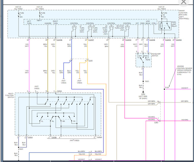
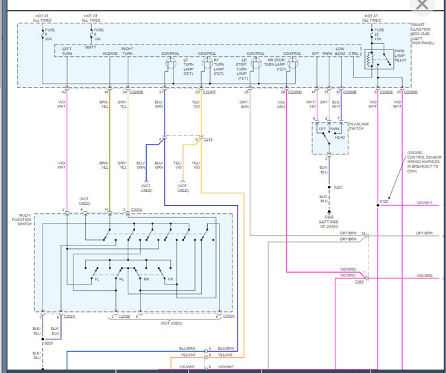
This vehicle does not have a flasher like the older vehicles do. This has what is called a Smart Junction Box that is basically a fuse panel that has internal relays that are not serviceable.

I assume the issue is the turn signals don't work?

If so, we just need to check the voltage coming out of the SJB on these circuits and if there is none then the SJB is most likely the issue.

Here is a guide that will help with testing this voltage:

https://youtu.be/Hlna_kUt7As

I attached the wiring diagram that will illustrate this and show the circuits that need to be tested. Please let us know if you have other questions and what you find.

Thanks
Was this
answer
helpful?
Yes
No
Tuesday, August 17th, 2021 AT 1:53 PM

Please login or register to post a reply.