Saturday, October 11th, 2014 AT 11:46 AM
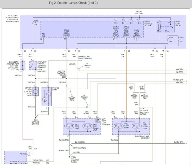
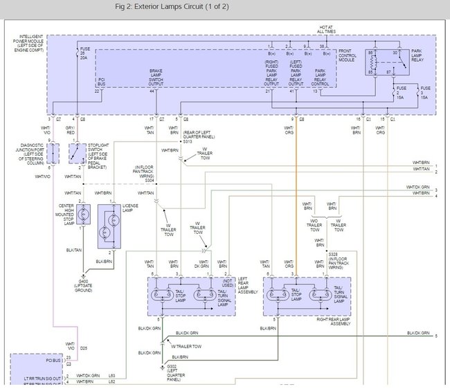
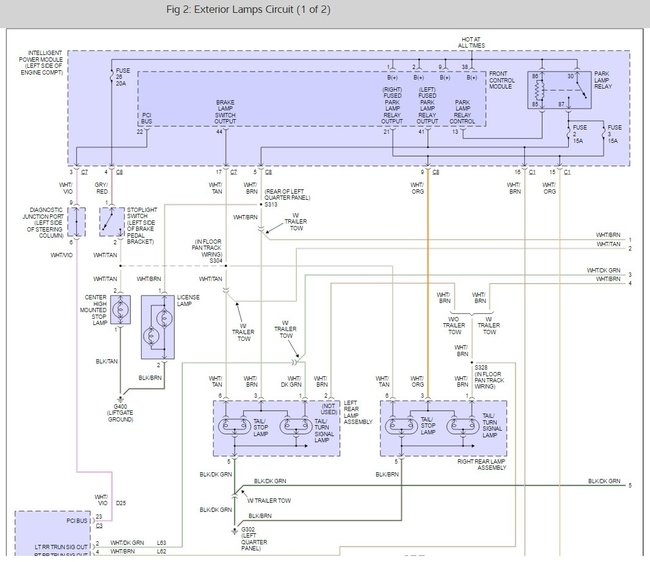
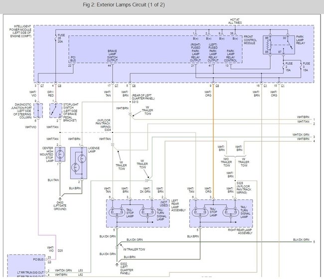
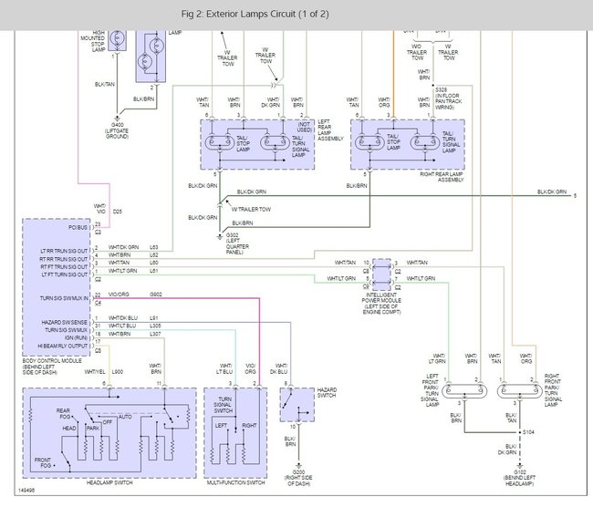
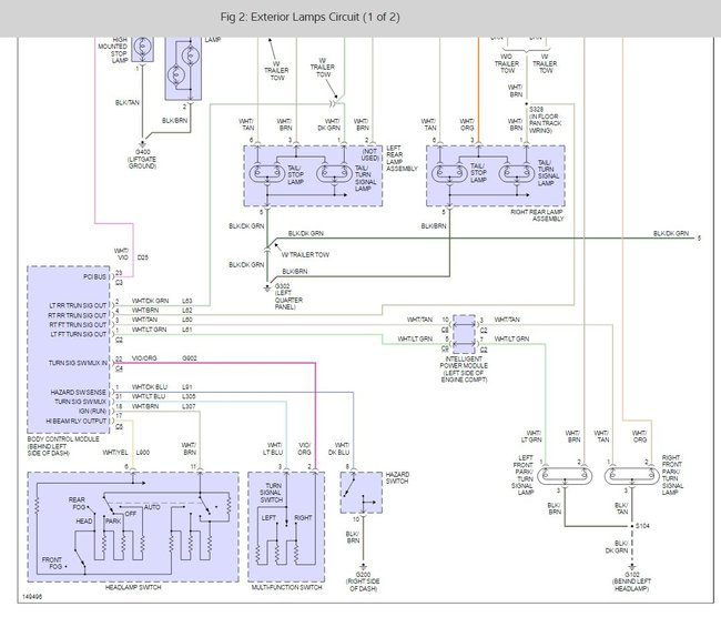
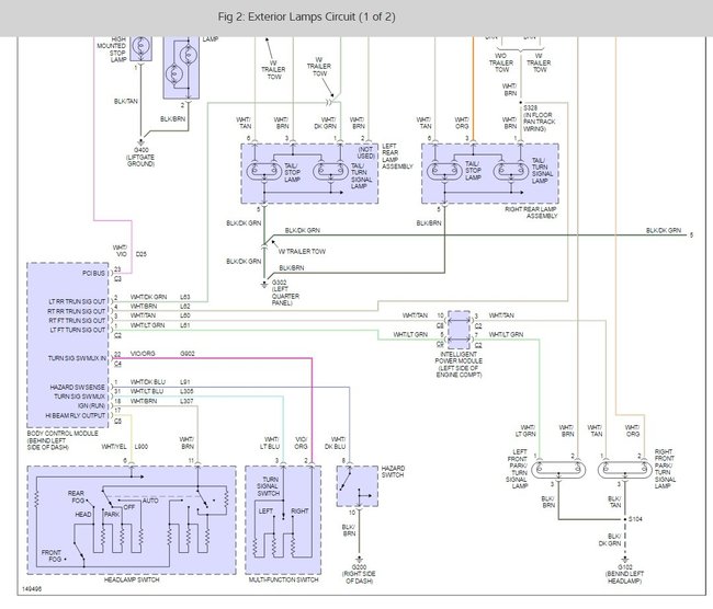
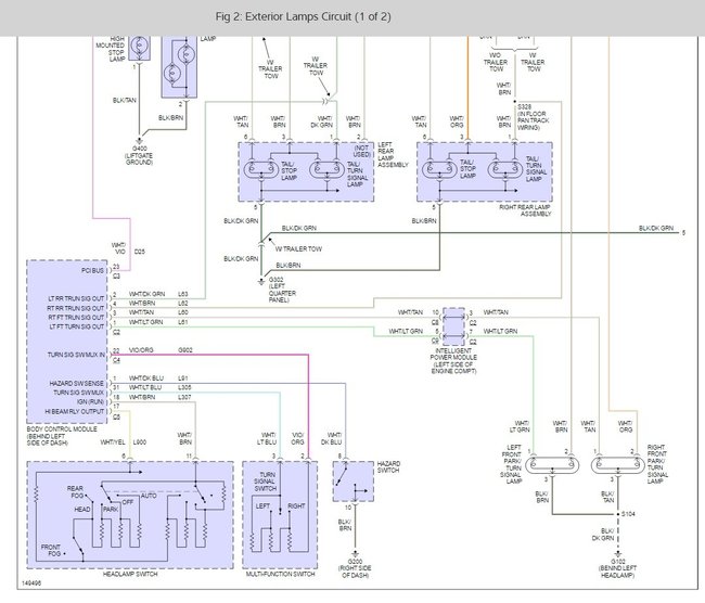
When running vehicle the turn signals will flash on correct location on dash but the lights outside will not light up or flash. The lights also will not light up or flash when the hazard light button is pressed. Requesting help on fixing this. First assumption was flasher unit but the 2002 dodge grand caravan sport does not seem to have one. Have read there are flasher relays on vehicle. But cannot seem to find them. The flashers on dash flash at normal intervals that they should flash. Running lights do work on the vehicle just fine as well and all bulbs are fine.



