Thursday, December 16th, 2021 AT 3:46 PM
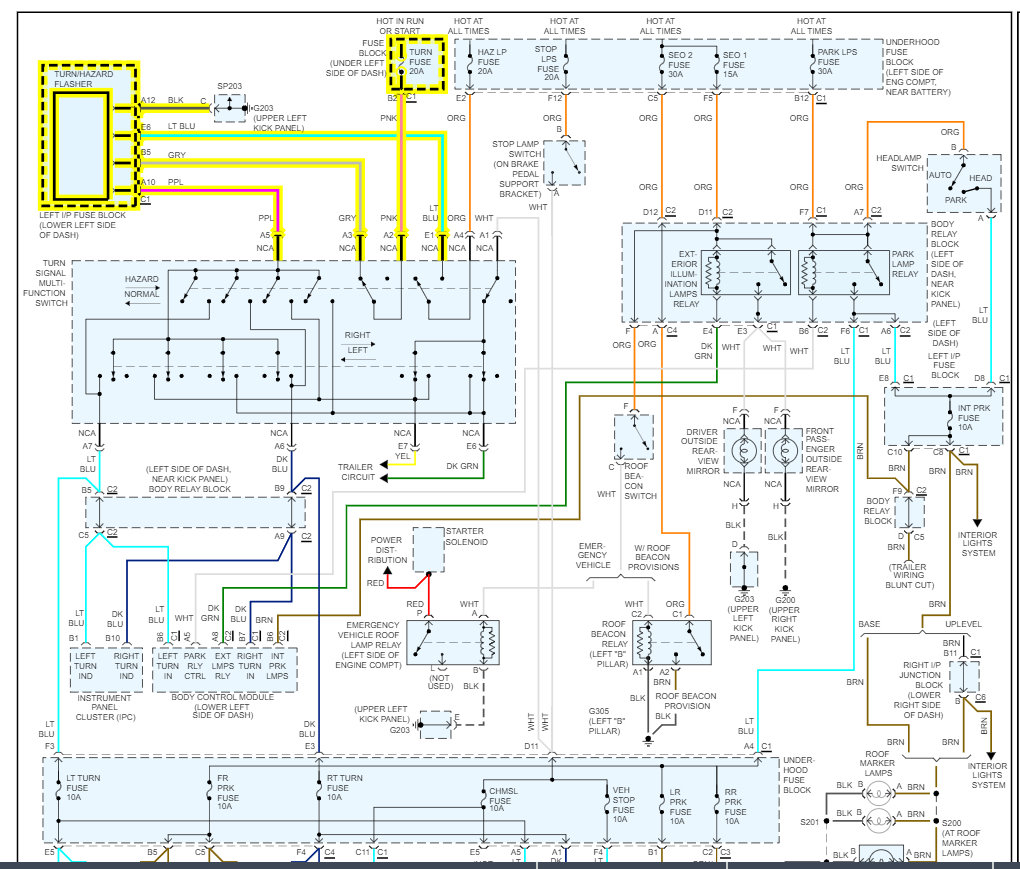
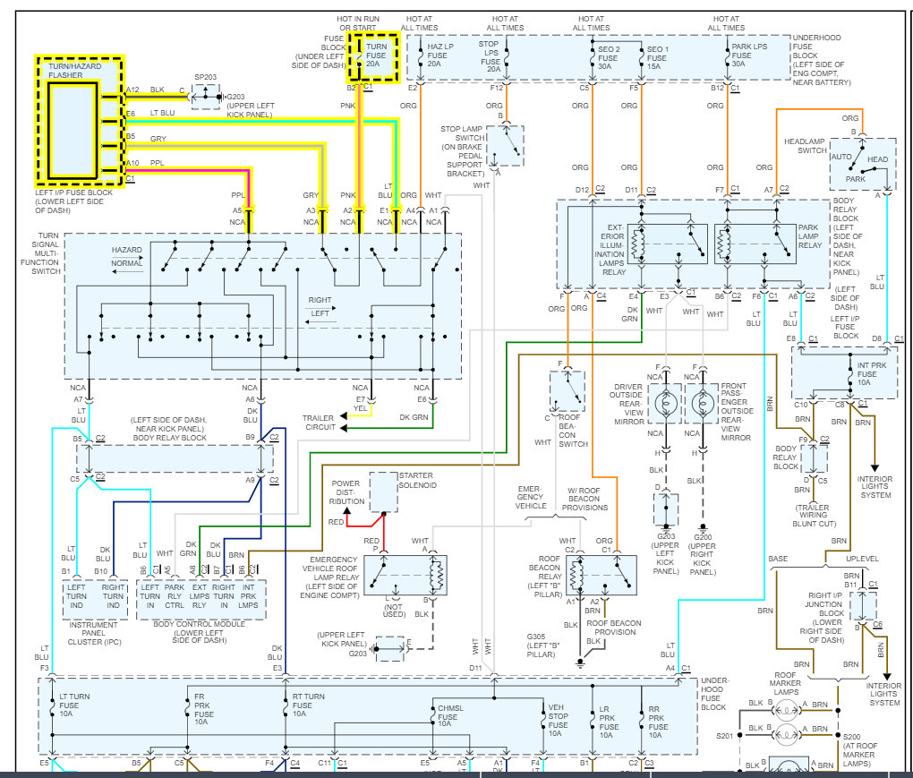
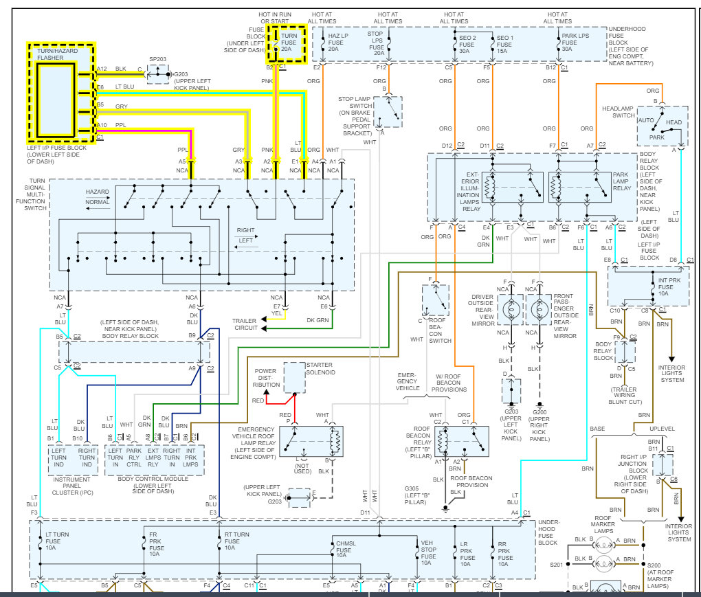
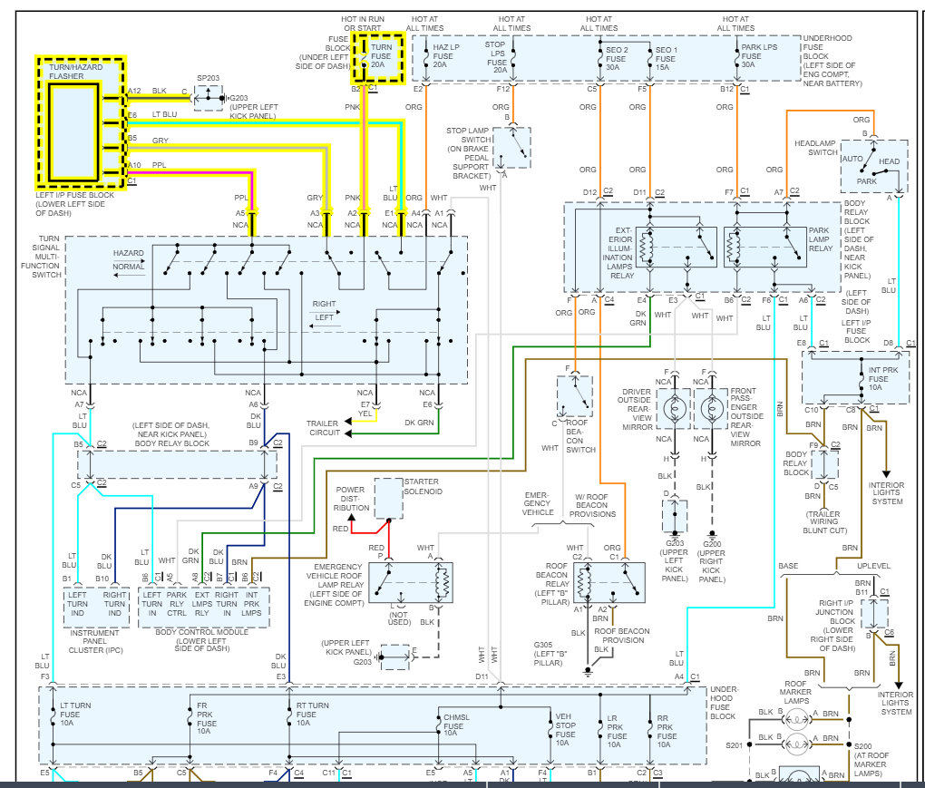
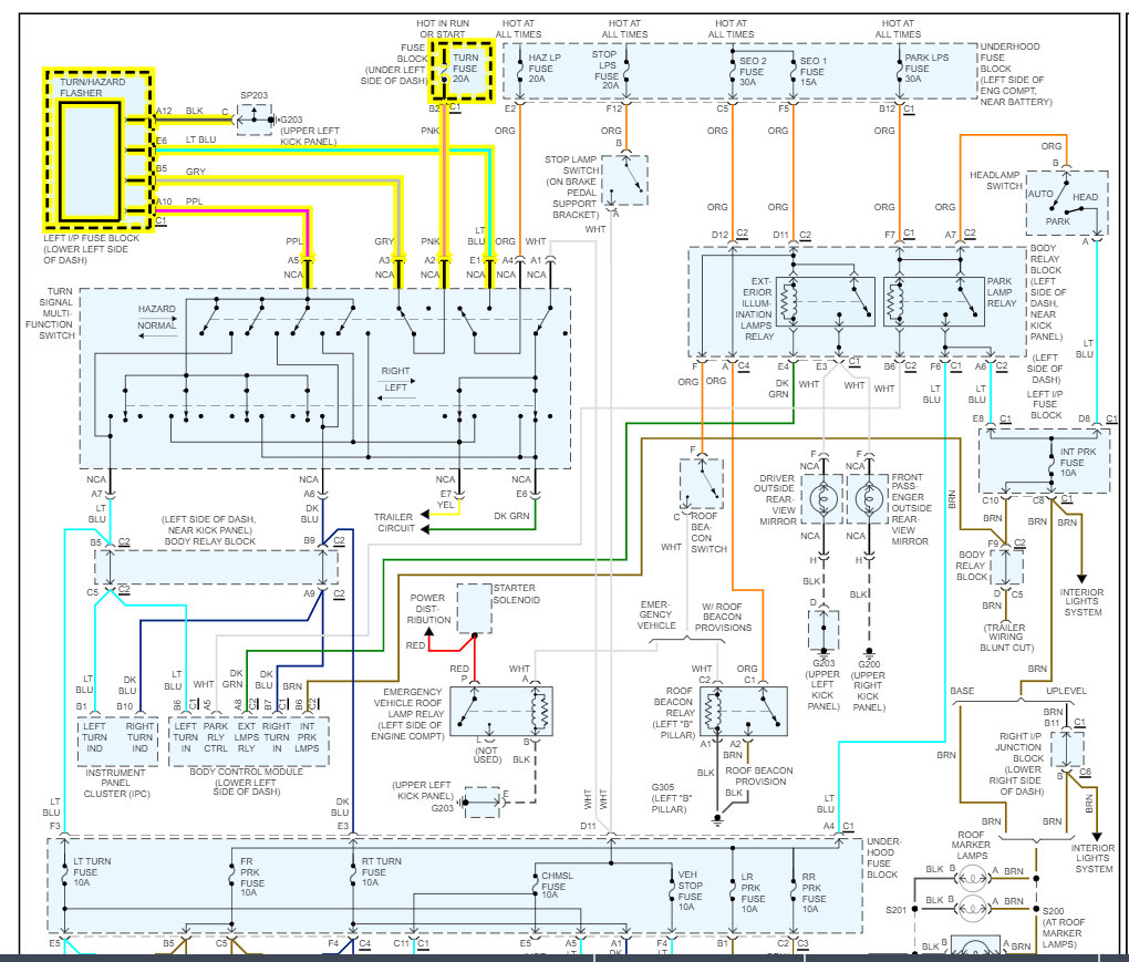
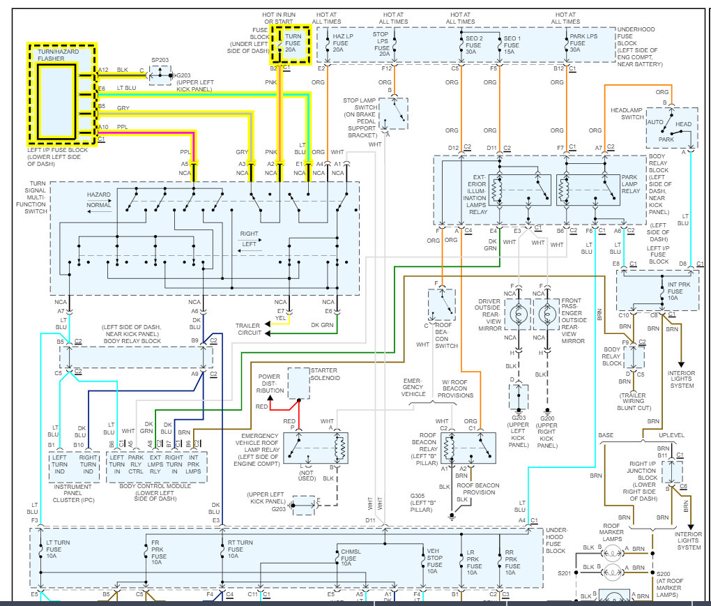
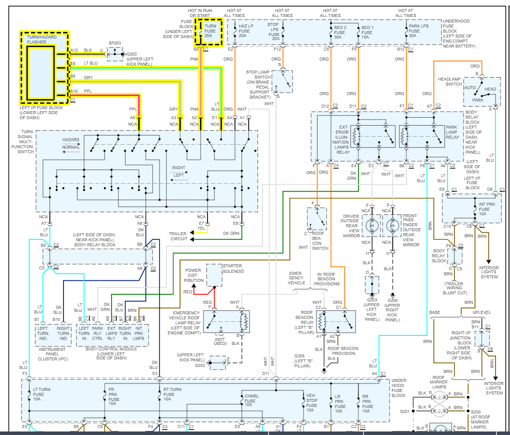
Our turn signals won’t work, they have power. Fuses working but we can’t get them to work and don’t know the issue we have been trying for the last year to figure it out but I’m not sure.



