Left turn signal front and back not working

Tiny
LIA LEWIS
  • MEMBER
  • 2006 KIA SPECTRA
  • 4 CYL
  • 2WD
  • AUTOMATIC
  • 220,000 MILES
Bulbs are good. Where do I locate the left turn signal fuse and relay?
Monday, March 30th, 2020 AT 12:45 PM

1 Reply

Tiny
KASEKENNY
  • MECHANIC
  • 18,907 POSTS
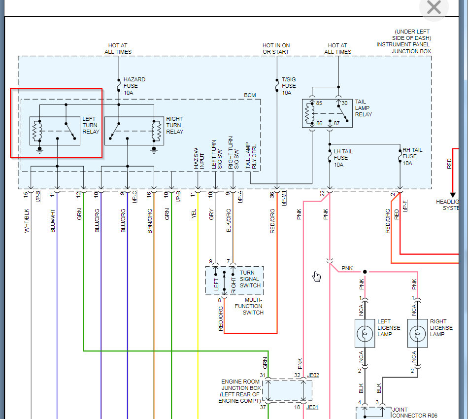
Please see the wiring diagram. You have one fuse that feeds both the left and right turn signals. Then you have a relay on each side.

Your relay is located in the passenger compartment junction block. See attached for the detail.

If it were me, I would just go ahead and replace this relay. Let me know the results. Thanks
Was this
answer
helpful?
Yes
No
Monday, March 30th, 2020 AT 2:27 PM

Please login or register to post a reply.