Brake lights not working?

Tiny
ROBERT M JENSEN
  • MEMBER
  • 1999 CHEVROLET TAHOE
  • 5.7L
  • V8
  • 4WD
  • AUTOMATIC
  • 178,000 MILES
Turn signal flashing fast both sides and no brake lights on either side just the middle brake works.
Thursday, October 18th, 2018 AT 5:16 PM

16 Replies

Tiny
JACOBANDNICKOLAS
  • MECHANIC
  • 110,194 POSTS
Hi and thanks for using 2CarPros. Com.

The signals/brake lights use the same bulb. It is a dual element bulb. When the signals flash double time, that indicates a bulb needs replaced. The manufacturer has designed the double time speed as an indicator. Since they are both doing it and the brake lights do not work, it sounds like the bulbs need replaced.

Here are the directions for replacement on your vehicle. The attached pictures correlate with these directions.

________________________________________________________

TAIL/TURN SIGNAL LAMP REPLACEMENT
REMOVAL PROCEDURE
1. Make sure the headlamp switch is in the OFF position.
2. Lower the endgate or open the cargo doors.

IMPORTANT: Z-71 Tahoes have a rear tail lamp cover. Once the cover is installed removal will result in breakage of the cover.

3. Remove the 2 screws retaining the tail/turn signal lamp assembly to the body.
4. Rotate the tail/turn signal lamp assembly from the vehicle.
5. Disconnect the electrical connector from the assembly.
6. Identify the bulb in need of replacement.
- The top bulb is a parking lamp.
- The center bulb is a parking, brake, and turn indicator lamp.
- The lower bulb is a backup lamp.
7. Pull the bulb straight out by the tabs on the base of the bulb in order to remove the bulb.

INSTALLATION PROCEDURE
1. Push the bulb straight into the lamp assembly in order to install the bulb.
2. Install the lamp base to the lens assembly with the 2 screws.
3. Connect the electrical connector.
4. Install the tail/turn signal lamp assembly to the vehicle with the 2 screws.

_____________________________________________-

I hope this helps. Let me know if you have other questions.

Take care,
Joe
Was this
answer
helpful?
Yes
No
+1
Thursday, October 18th, 2018 AT 6:09 PM
Tiny
TAI WILLIAMS
  • MEMBER
  • 1 POST
  • 1999 CHEVROLET TAHOE
  • 5.7L
  • V8
  • 4WD
  • AUTOMATIC
  • 190,000 MILES
I have the third window brake light but no brake lights, only the center window brake light works. I have taillights and turn signals and flashers just no brake lights in the taillights. I have change the connector plates, brake lamp switch an light bulbs. Even did a little wire tracing an still haven’t figured it out. Any suggestions?
Was this
answer
helpful?
Yes
No
Wednesday, December 23rd, 2020 AT 1:33 PM (Merged)
Tiny
JACOBANDNICKOLAS
  • MECHANIC
  • 110,194 POSTS
Hi,

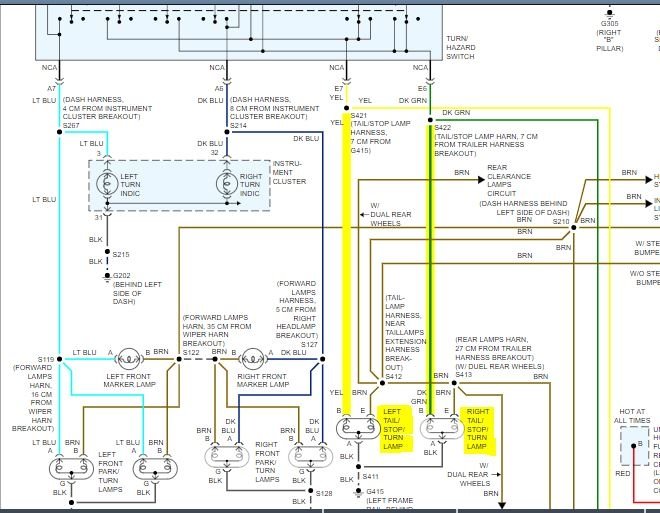
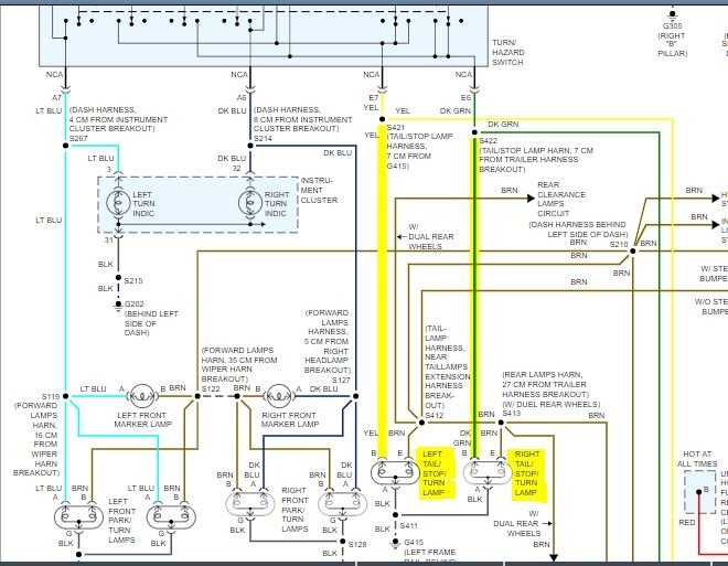
Since the third brake light has always worked, that is a good indicator that there is power to the switch and the switch is good. Now, I attached two pics below. When you look at the first one, I highlighted the power flow direction from the fuse, through the switch, and then to the third brake light (which works) and you'll note the same white wire goes into the hazard/ signal switch. I continued highlighting through the switch and you will see at the bottom, two wires come out which are highlighted. Those go to the rear brake lights.

Based on what you are experiencing, my first suspect is the signal / hazard switch has failed. Power to the third brake light doesn't travel through the switch, but for the two rear tail lights (brake lights) it does. That would explain why one works and not the other.

Since all other lights work, most likely it isn't a ground issue because they all have a common ground. So, what I need you to do is this. First, simply check for power going into the switch (the white wire). Do this when you actuate the brake light switch. If power is present, then you need to check for power out (one wire is dark green and the other is yellow). If there is no power out, replace the switch. If there is power out, then you have an open circuit between the switch and the lights, which is not possible because the flashers and signals work.

With all that, there is most likely only one of two things. Either power isn't making it to the hazard / signal switch via the brake light switch or the signal switch is bad.

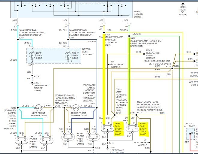
If you look at the second pic, you will see where the power comes out of the signal switch and directly to the rear bulbs.

Let me know if this helps or if you have questions. Also, sorry for the sloppy highlighting job.
Here are a few links you may find helpful.

https://www.2carpros.com/articles/how-to-use-a-test-light-circuit-tester

https://www.2carpros.com/articles/how-to-use-a-voltmeter

https://www.2carpros.com/articles/how-to-check-wiring

Take care and let me know the results.

Joe
Was this
answer
helpful?
Yes
No
+1
Wednesday, December 23rd, 2020 AT 1:33 PM (Merged)
Tiny
LAYDEPOOH
  • MEMBER
  • 3 POSTS
  • 1999 CHEVROLET TAHOE
Already checked all fuses, hazard, park, and signal lights work fine but no brake lights. At first while slowing down to a stop light work however, once a complete stop is made brake lights go off. Now I do not have any brake lights at all.
Was this
answer
helpful?
Yes
No
Wednesday, December 23rd, 2020 AT 1:33 PM (Merged)
Tiny
JDL
  • MECHANIC
  • 16,098 POSTS
Do you have a high-mount brake lite? If you do, does it work?

Can you check the brake lamp switch?


https://www.2carpros.com/forum/automotive_pictures/170934_stop_lamp_1.jpg



The orange wire should be hot all the time. The white wire goes hot when you step on the brake.
Was this
answer
helpful?
Yes
No
+2
Wednesday, December 23rd, 2020 AT 1:33 PM (Merged)
Tiny
LAYDEPOOH
  • MEMBER
  • 3 POSTS
Yes there is a high-mount brake light and it does not work either. What is a brake lamp switch?
Was this
answer
helpful?
Yes
No
+2
Wednesday, December 23rd, 2020 AT 1:33 PM (Merged)
Tiny
JDL
  • MECHANIC
  • 16,098 POSTS
I edited my last post, it gives a picture and wiring colors, related to the switch. That switch may be activated by the upper brake pedal arm. You need to follow the arm up, see if you can find the switch.

My info shows the high-mount brake lite gets voltage straight from the brake light switch and is not wired through the turn signal switch, like the others. If there is voltage on the orange and not on the white wire, with the brake pedal depressed, then it looks like a faulty switch. You can use a testlite to check those wires.
Was this
answer
helpful?
Yes
No
+3
Wednesday, December 23rd, 2020 AT 1:33 PM (Merged)
Tiny
LAYDEPOOH
  • MEMBER
  • 3 POSTS
Okay thx! I will try this, if not I will get some help. THX again
Was this
answer
helpful?
Yes
No
+2
Wednesday, December 23rd, 2020 AT 1:33 PM (Merged)
Tiny
LARRYV
  • MEMBER
  • 2 POSTS
  • 1999 CHEVROLET TAHOE
My brake lights would come on sometimes when I depress the pedal. If I depress the pedal repeatedly, they will work 2-3 times then stop working completely. Removed and opened the unit mounted above pedal. 4 sets of reed switches and contacts looked burned. Replaced with oem unit. Still, same problem. Mounting consists of sliding unit onto pedal arm and installing retaining clip. Then swing unit down onto arm and it clips onto arm. When I swing unit up away from pedal it will work again a couple of times, then quit again.
Somebody PLEASE help me, this is driving me crazy. I KNOW if I turn it over to a wrench, he's going to fix it in 10 minutes and tell me it took 4 hours and $300.00.
Was this
answer
helpful?
Yes
No
Wednesday, December 23rd, 2020 AT 1:34 PM (Merged)
Tiny
RUDPRO
  • MECHANIC
  • 224 POSTS
I would think the problem is with the wiring. Either the connector itself or the wires going into the connector. Hold the brake pedal down, have someone watch the lights and wiggle the connector or the wires going into it and see what happens.
Was this
answer
helpful?
Yes
No
+1
Wednesday, December 23rd, 2020 AT 1:34 PM (Merged)
Tiny
DRAKENTON
  • MEMBER
  • 3 POSTS
I also am experiencing this problem. Mine is a 97 tahoe and I have to push the breaks almost all the way down for the lights to turn on. Any help?
Was this
answer
helpful?
Yes
No
Wednesday, December 23rd, 2020 AT 1:34 PM (Merged)
Tiny
LARRYV
  • MEMBER
  • 2 POSTS
I've tried wiggling switch, set up mirror to watch brake lights. Nothing.
Was this
answer
helpful?
Yes
No
Wednesday, December 23rd, 2020 AT 1:34 PM (Merged)
Tiny
JOHNCURRANSR
  • MEMBER
  • 1 POST
  • 1999 CHEVROLET TAHOE
  • V8
  • 4WD
  • AUTOMATIC
  • 167,000 MILES
I have the third window break light. I have no btrak lights, only the center window break light works. I have lights and turn signals and flashers just no break lights in the tail light assemblys How do I test or figure out what the problem is (there is a trailor hitch wiring harness all has worked and recently have started having this issue) I checked all bulbs and checked for carossion and any broken or cracked or frayed wires Ive seen nothing obvios at all. Any suggestions. Thanks

John
Was this
answer
helpful?
Yes
No
Wednesday, December 23rd, 2020 AT 1:34 PM (Merged)
Tiny
ZACKMAN
  • MECHANIC
  • 4,202 POSTS
Your taillight assembly consists of three bulbs. Backup (reverse), tail and turn (dual filament) and tail and stop(brake) (also dual filament).

Obviously the backup light has clear cover. Now you have two bulbs behind the red lense. Turn the turn signal, now you know which one is the turn light. Now remove the other one - not the back up, and not the turn. That is your tail/stop(brake light). Replace this bulb with a new 3157 (part number) bulb. If replacing the said bulb does nothing, then you have to replace the circuit board.
Was this
answer
helpful?
Yes
No
Wednesday, December 23rd, 2020 AT 1:34 PM (Merged)
Tiny
ALSATROPINE
  • MEMBER
  • 1 POST
Is your taillight a sealed or unsealed? The sealed taillights can corrode and cause issues. I have had this problem in the past. Good luck!
Was this
answer
helpful?
Yes
No
Wednesday, December 23rd, 2020 AT 1:34 PM (Merged)
Tiny
BERNIEM
  • MEMBER
  • 22 POSTS
If you have the (Non-Factory)euro back lights like I have
on mine then yeah, I had the same issue. Sort-of.

If you checked the trailer wires and nothing, then
if you dont use the trailer hitch anymore I would
say run with the wires and un do them.

Or if not, remove the light fixtures, just take the
board out of the cover (2 bolts) hook it up the
the plug, wiggle, and press on the light bulb
while someone has the break in. See if comes on.
If it flickers, or comes on when you press hard,
you will get the idea what to do next.
Was this
answer
helpful?
Yes
No
+1
Wednesday, December 23rd, 2020 AT 1:34 PM (Merged)

Please login or register to post a reply.