Where is the turn signal relay located?

Tiny
JRICHARDS9226
  • MEMBER
  • 2017 TOYOTA TACOMA
  • V6
  • 4WD
  • AUTOMATIC
  • 90,000 MILES
Turn signal and 4-way flasher stopped working.
Wednesday, January 5th, 2022 AT 6:29 PM

1 Reply

Tiny
KASEKENNY
  • MECHANIC
  • 18,907 POSTS
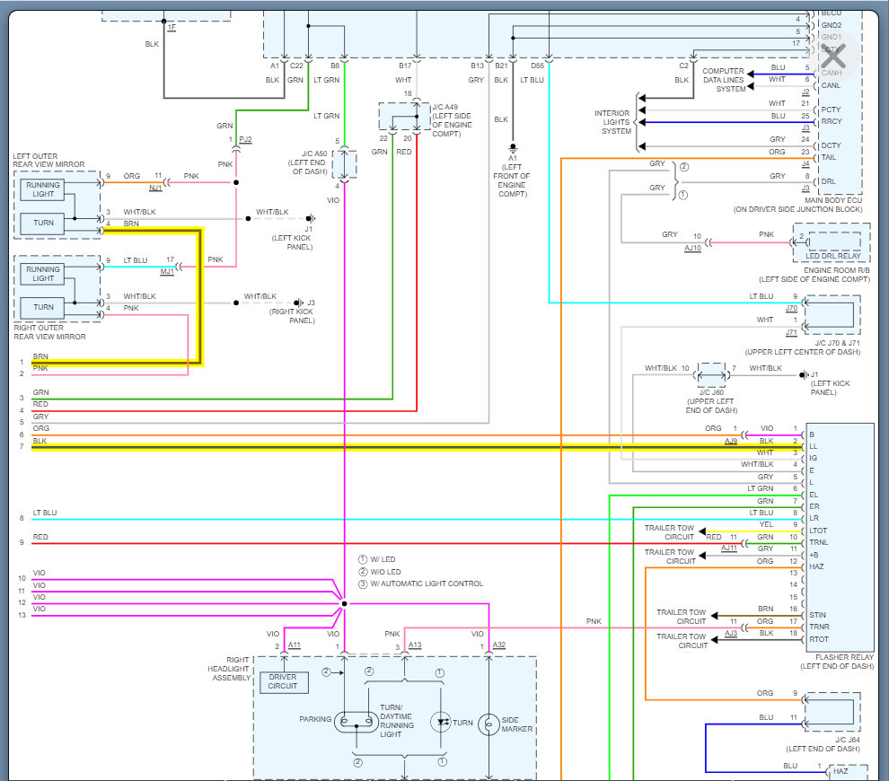
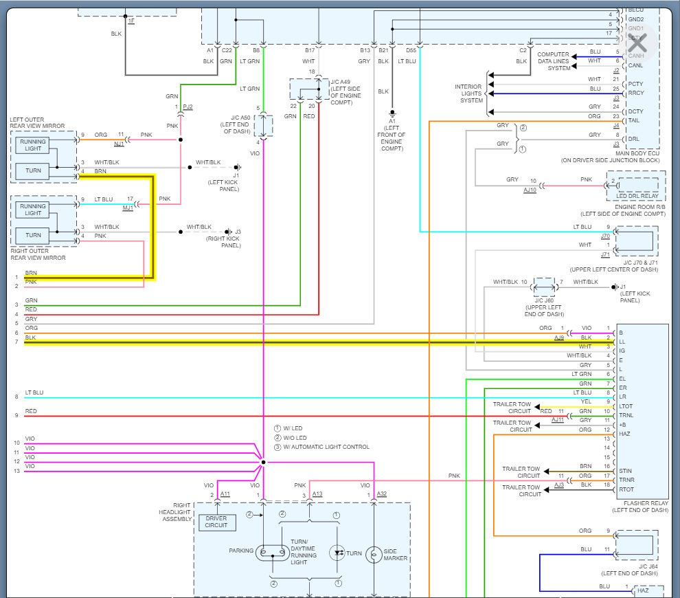
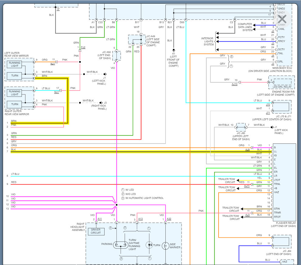
This could be the relay but the first thing to check is the turn hazard fuse. This is a fuse in the engine compartment box.

https://www.2carpros.com/articles/how-to-check-a-car-fuse

I am attaching the wiring diagram for the relay and the fuse info.

It is labeled turn-haz and is a 15 amp fuse.

Please check this and then if the fuse is okay we need to track power through the system and make sure the switch is not the issue as well.

https://www.2carpros.com/articles/how-to-check-wiring

Please let me know what questions you have. Thanks
Was this
answer
helpful?
Yes
No
Thursday, January 6th, 2022 AT 3:26 PM

Please login or register to post a reply.