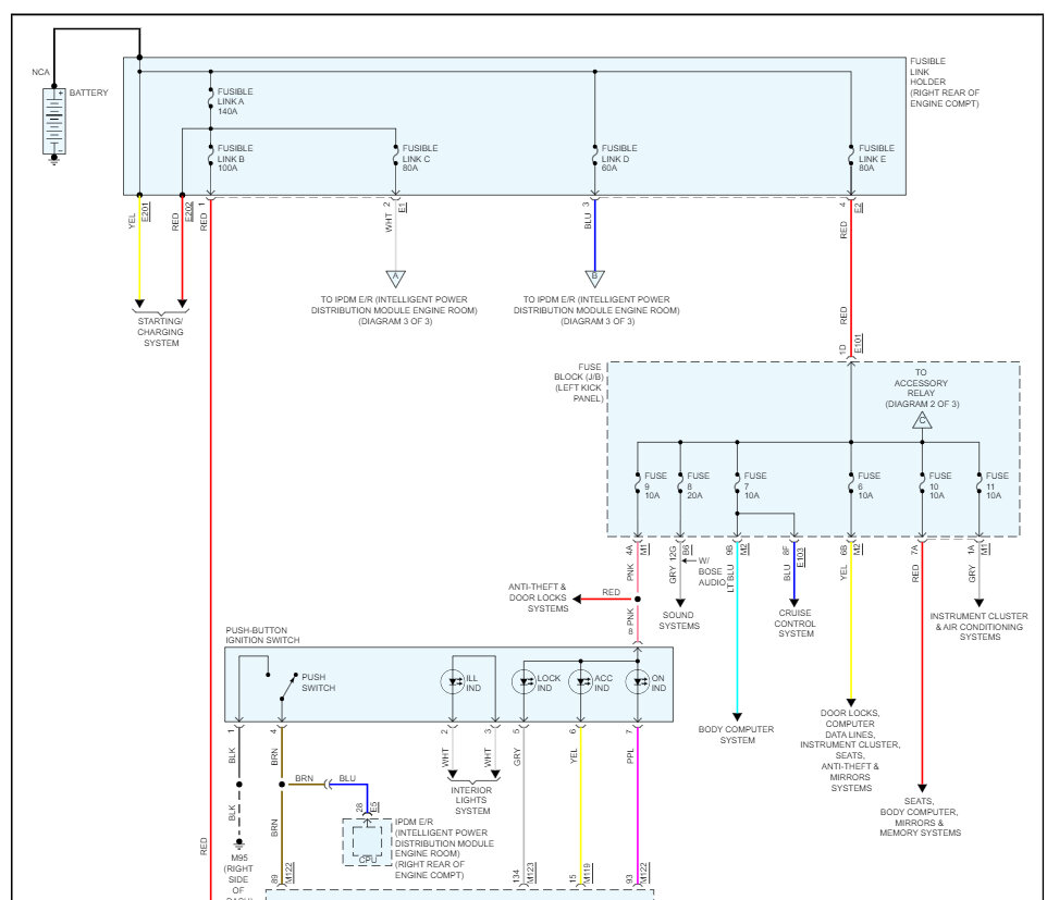
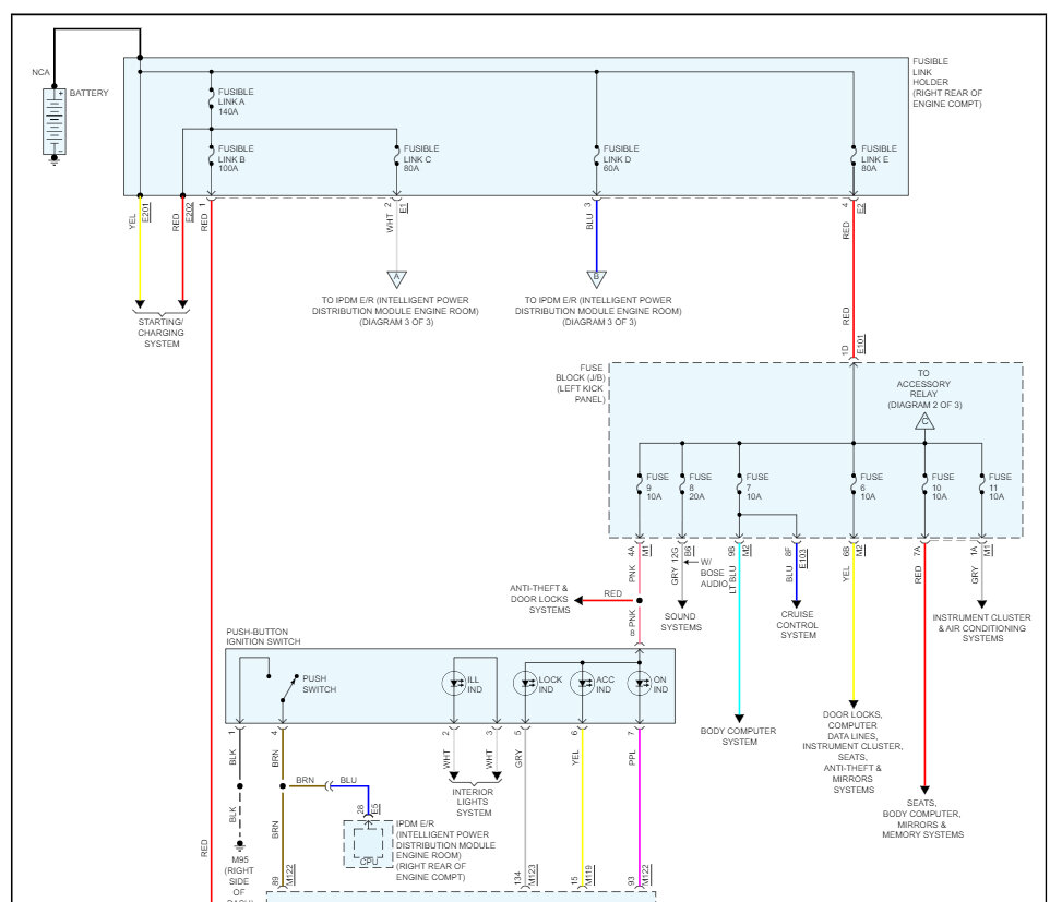
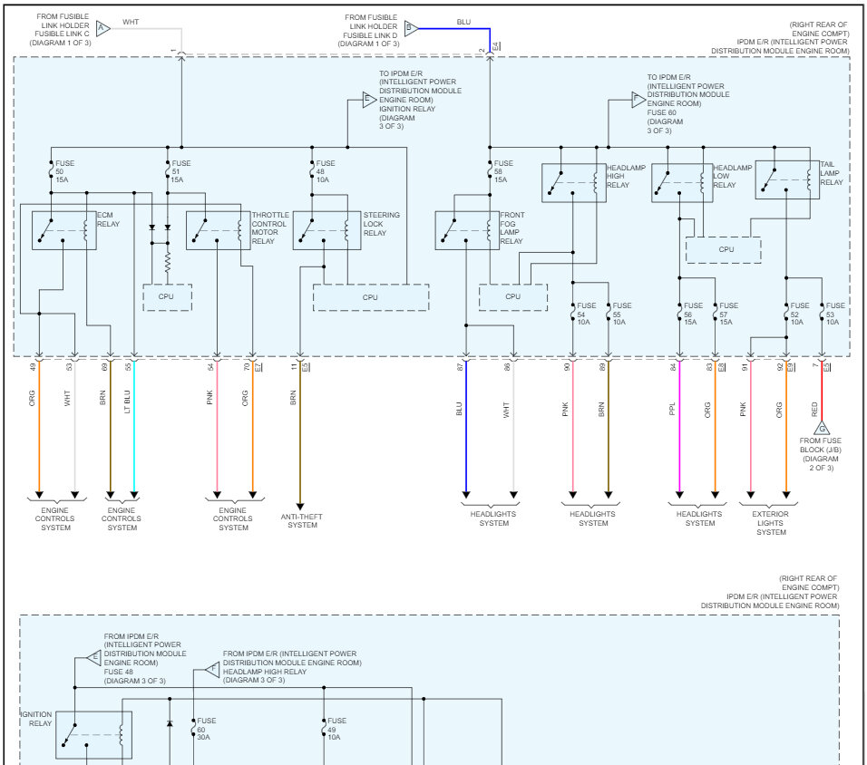
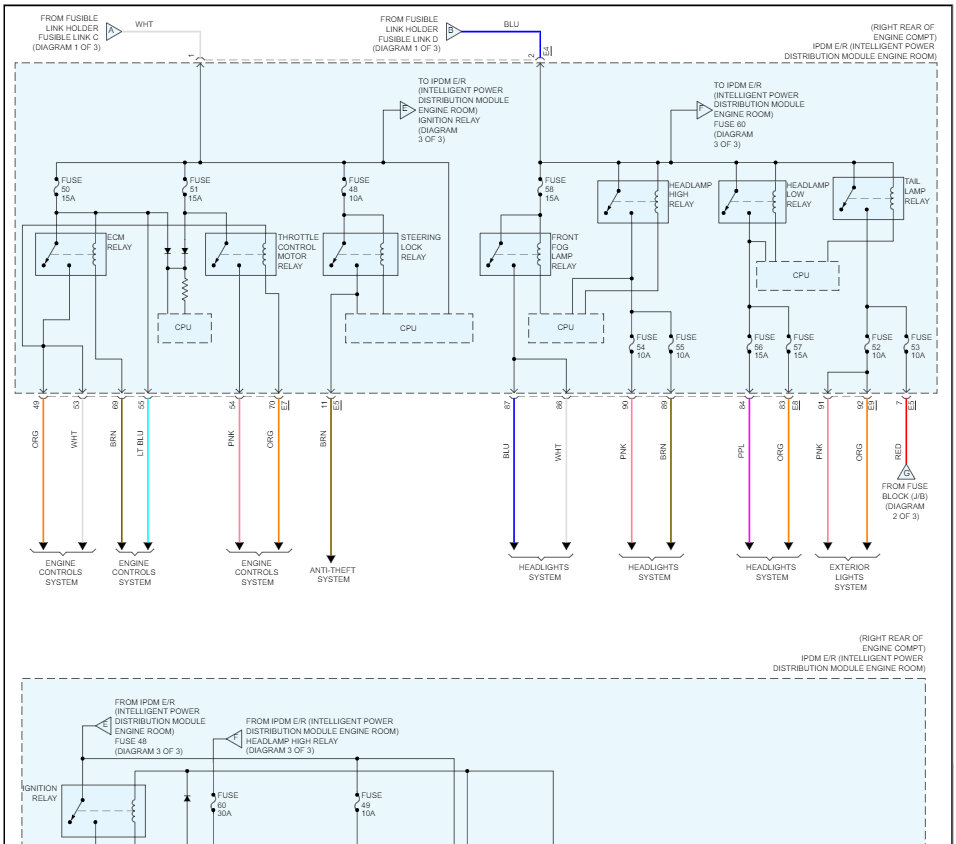
Monday, July 17th, 2023 AT 4:44 AM
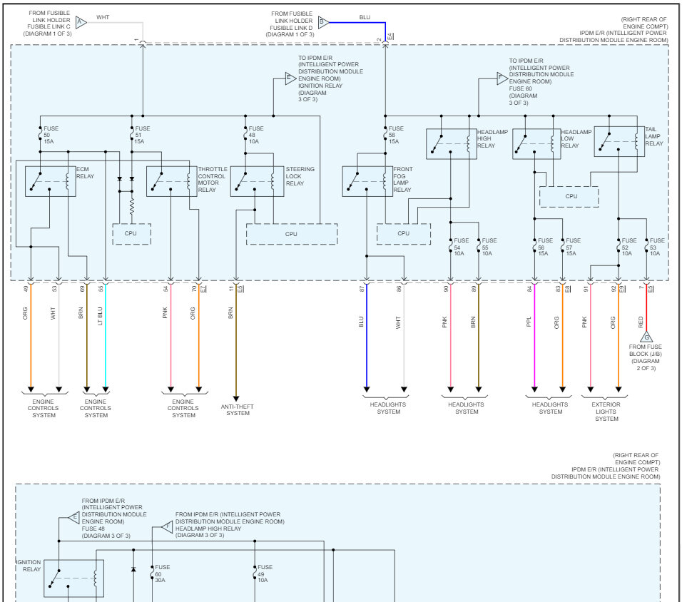
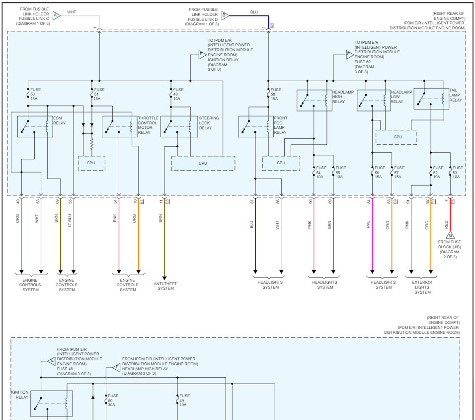
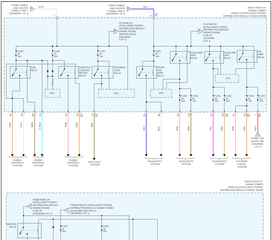
I would like a wiring diagram and the location of all relays. My car failed to start. I have a brand-new starter and battery. Needing to know what I should try next.








