Trying to get headlights and running lights working

Tiny
DEWAYNE ANDERSON
  • MEMBER
  • 1992 CHEVROLET SILVERADO
  • 5.7L
  • V8
  • 2WD
  • AUTOMATIC
  • 240,000 MILES
I need to get headlights and running lights working and the wires were cut on the harness. I need to know what wires go where.
Wednesday, August 16th, 2017 AT 6:17 PM

1 Reply

Tiny
STEVE W.
  • MECHANIC
  • 15,697 POSTS
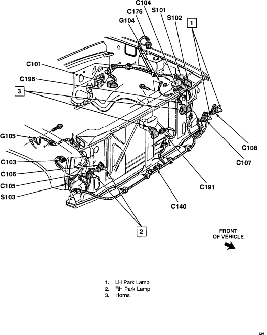
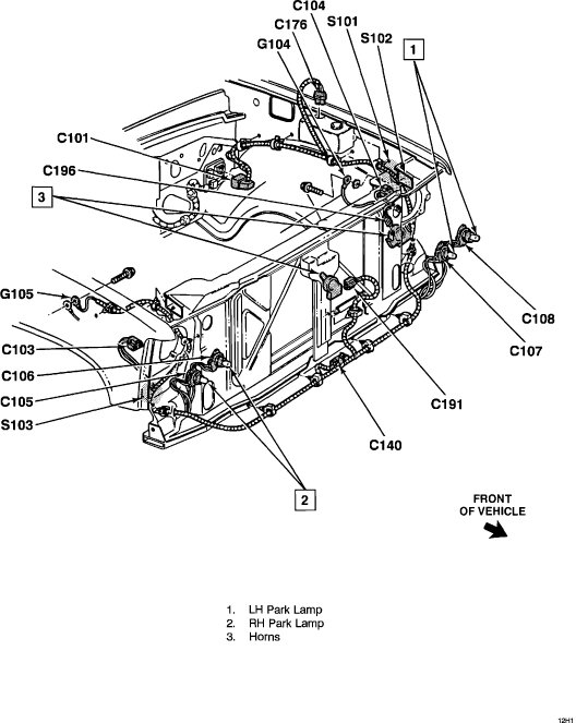
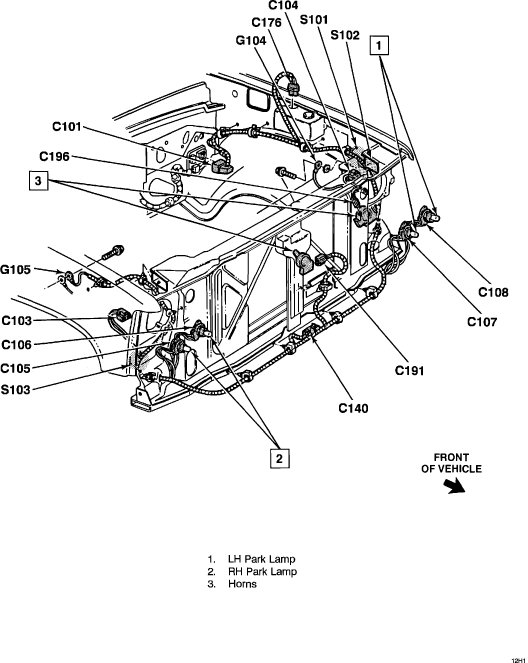
Where were the wires cut? Up front of the engine or? Use the pictures to tell me where as there are connectors and changes in the harness.

Also which style lights do you have, the single lamps or the stacked quad lights? Different wiring for them.
You say the running/markers are not working, is that also only up front?

Get back to us and we can give you the harness information and colors.
Was this
answer
helpful?
Yes
No
Wednesday, August 16th, 2017 AT 7:09 PM

Please login or register to post a reply.