Trunk release fuse blowing?

Tiny
DAN STAUFFER
  • MEMBER
  • 2016 CHEVROLET IMPALA
  • 3.6L
  • 6 CYL
  • 2WD
  • AUTOMATIC
  • 87,000 MILES
The car listed above is an LT model. Whenever I go to open my trunk using the key fob, the trunk release fuse in my engine compartment blows. When just driving and not trying to open the trunk, the fuse remains intact. I recently had my oil changed and tires rotated and immediately started experiencing this trunk release issue, although I'm obviously not sure if they're related. I'd like to diagnose and remedy the issue as soon as possible.
Saturday, September 3rd, 2022 AT 12:26 PM

7 Replies

Tiny
AL514
  • MECHANIC
  • 5,590 POSTS
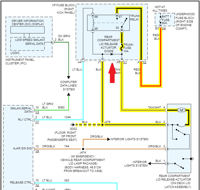
Hello, just to verify this is the Limited edition. And is there a button/switch inside the vehicle that also will open the trunk? The Trunk lid actuator is shorted out somewhere. It is powered up by a relay, so it can be the actuator itself or a wire going to it, somewhere near where the latch is located.
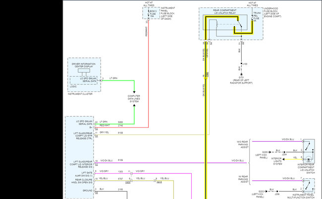
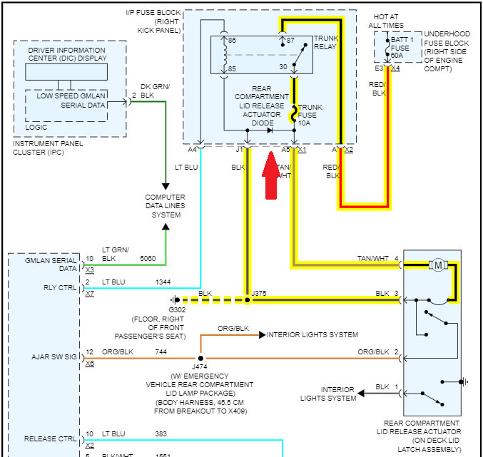
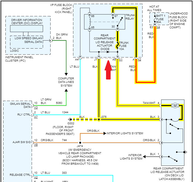
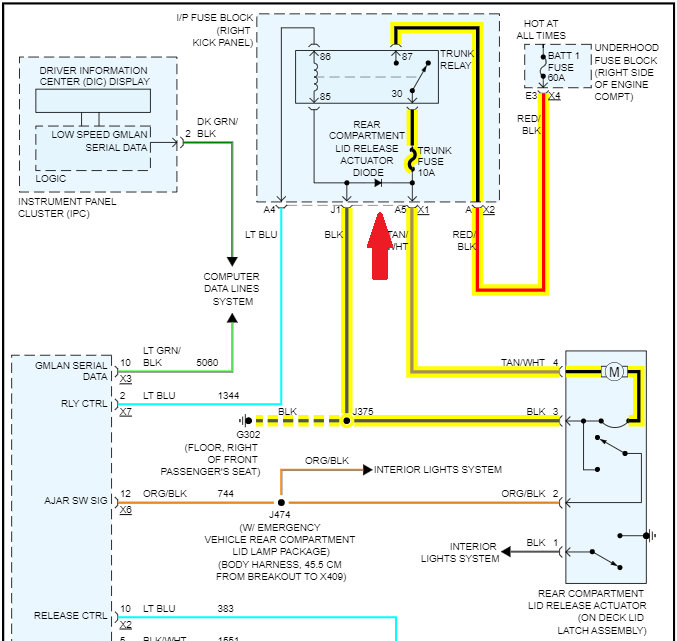
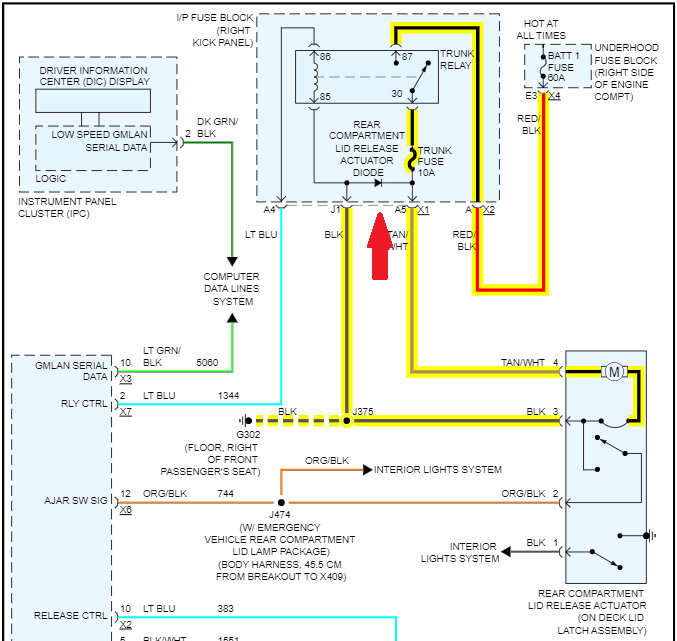
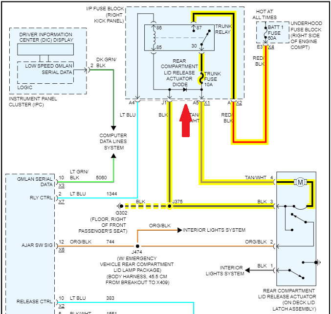
This is an interesting circuit, there is a fuse protecting the circuit, the one that keeps blowing, but there is also a circuit breaker on the Trunk lid release motor's ground wire.
Also the red arrow in the diagram below, it shows there is a diode in between the Trunk release power feed and the control relay's ground wire, If that diode has failed it would short to ground every time you attempt to open the Trunk, so this can either be a bad wire to the Trunk release actuator shorting out, or it can be that diode in the I/P Fuse Block that is bad.
The only way to know is to unplug the Truck actuator that is on the truck lid and then try using the key fob again to open the trunk and see if the fuse blows again, if it doesn't blow, then there is a problem on the tan/white wire that comes from the Trunk Fuse 10amp to the Trunk lid release.
If it still blows the fuse with the actuator unplugged, then that diode might be shorting directly to ground.
I will try to find the connector for the Trunk release and see if it's easy to get to.

https://www.2carpros.com/articles/how-to-check-a-car-fuse
Was this
answer
helpful?
Yes
No
+1
Saturday, September 3rd, 2022 AT 1:10 PM
Tiny
DAN STAUFFER
  • MEMBER
  • 4 POSTS
Thanks a ton for the in-depth response! The one I have actually isn’t the Limited edition - it’s the new body style Impala so I have a 5 Amp fuse in the engine compartment for the trunk release. I have the key fob and an internal button to the left of the steering wheel that can open the trunk. Does it make sense to disconnect the trunk latch, attempt to open the trunk with the key fob, and see if the fuse still blows?
Was this
answer
helpful?
Yes
No
Saturday, September 3rd, 2022 AT 1:36 PM
Tiny
AL514
  • MECHANIC
  • 5,590 POSTS
Let me look up the other diagram, I thought the LT meant you had the limited edition, I need to make sure the circuits are the same.

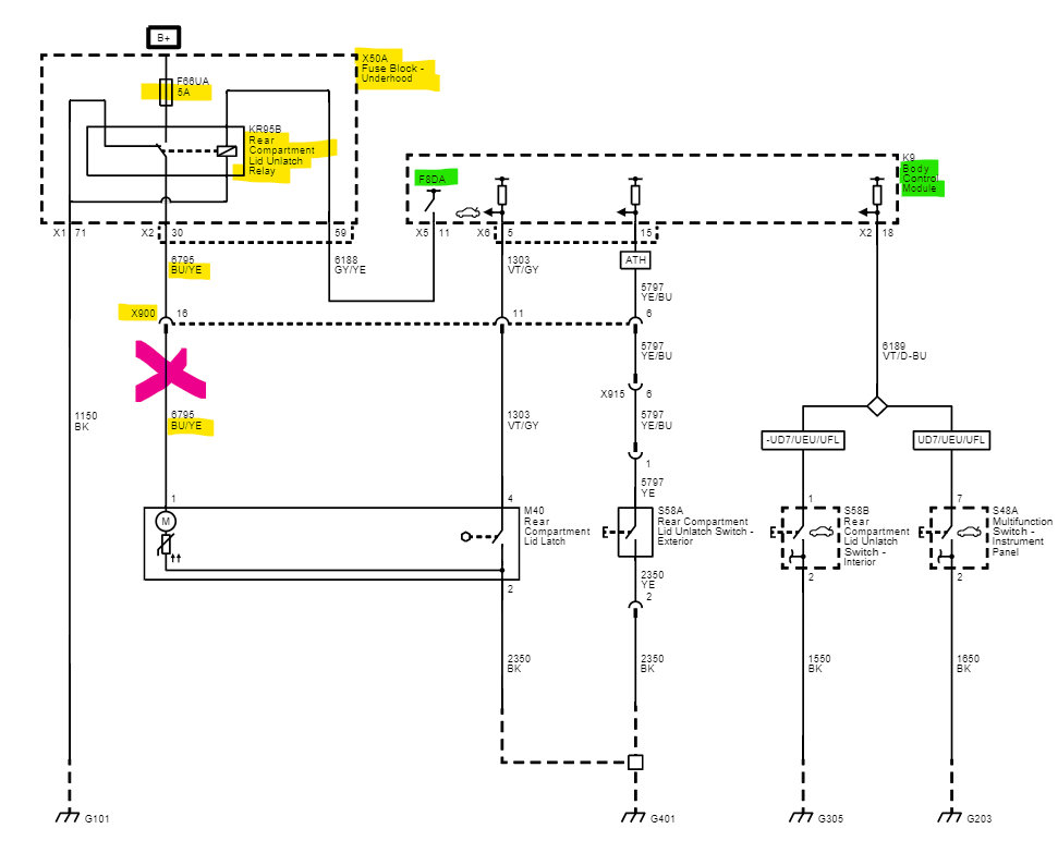
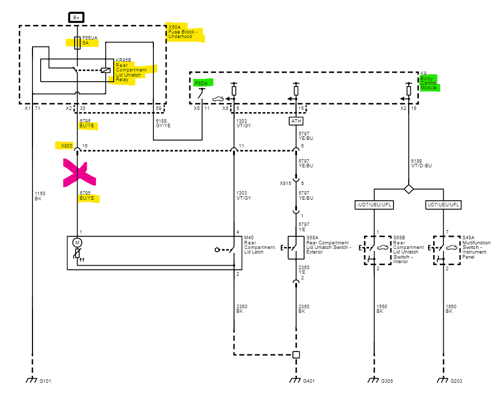
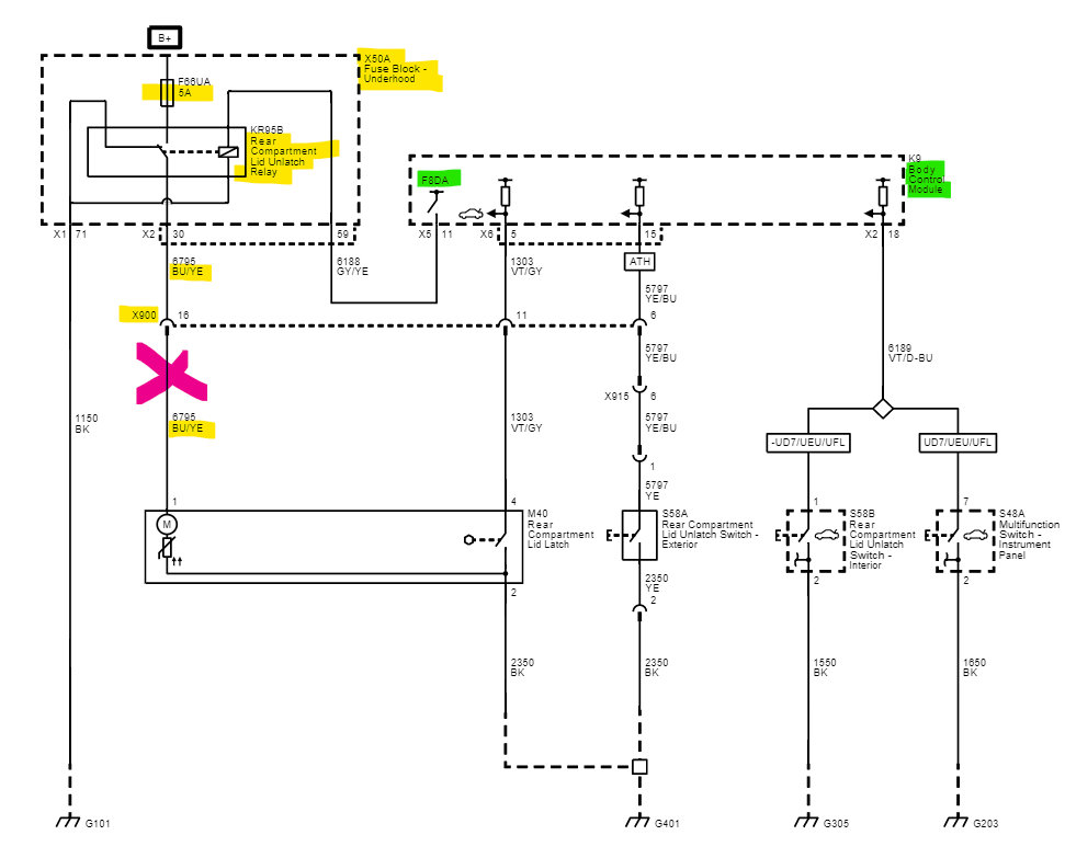
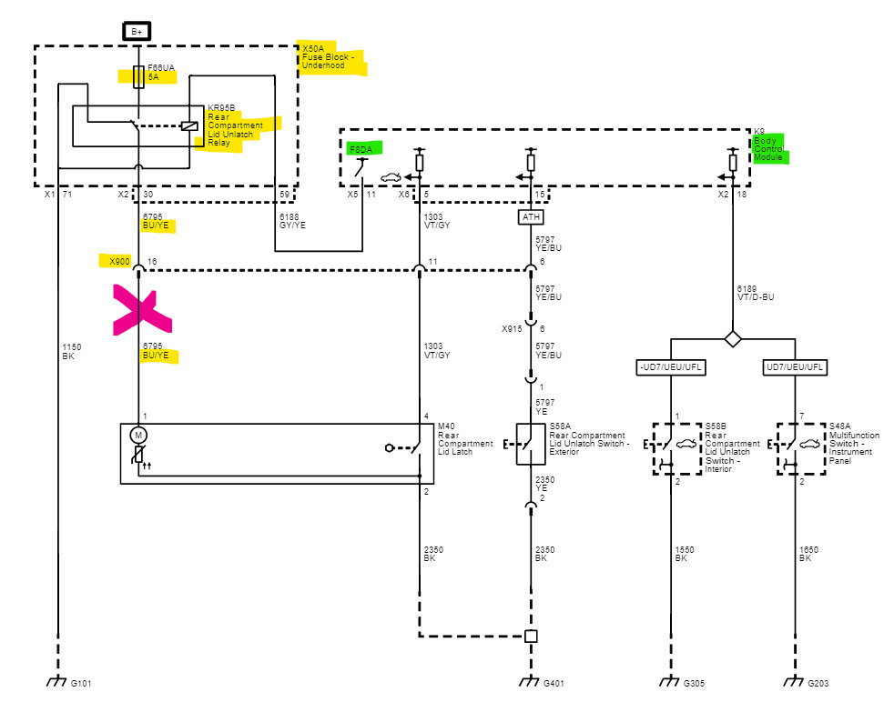
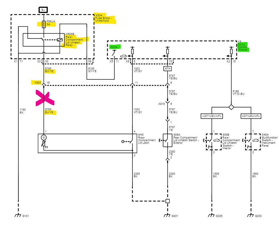
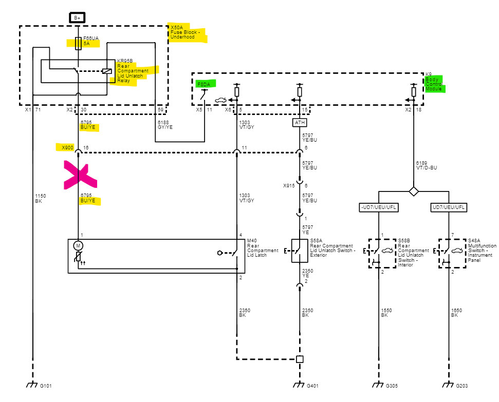
Okay, the circuits are completely different from the Limited model, the diagrams 1 and 2 below is the basic circuit for the Lid latch release and Relay, the release is in the trunk lid, In the third diagram is the OEM diagram, the purple X is the circuit that powers the Lid latch actuator. If there is a plug very close to the actuator, you can unplug it, replace the fuse and try the button again, if the fuse blows, the short to ground is somewhere from the connector you unplugged to the relay, if it does not, the short is the other way down from the connector towards the actuator. There appears to be this X900 connector, so I'll find that, but the cover has to come down to get to the lid latch (diagrams 4 and 5). And there must also be wiring going from the trunk lid to the vehicle frame, it's an area where the wiring would have to flex when the trunk is opened, kind of the same as you see when you open your driver door, that rubber grommet that has all the wiring for the doors in it. I will locate the connector X900, but you can inspect the latch area in the trunk lid and see if anything stands out. Wiring that looks like the insulation is missing or the wire has been caught on something, contact points with the vehicle frame.

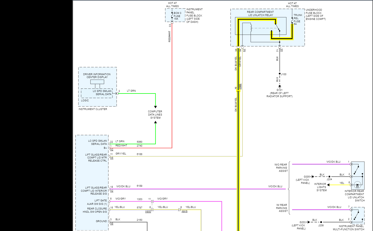
Diagrams 7 and 8 are the Lid Latch connector, it should be right at the latch, so you can disconnect that, leave the trunk open, replace the fuse and see if it still blows, that will help us rule out the Lid latch actuator as being shorted out or not.
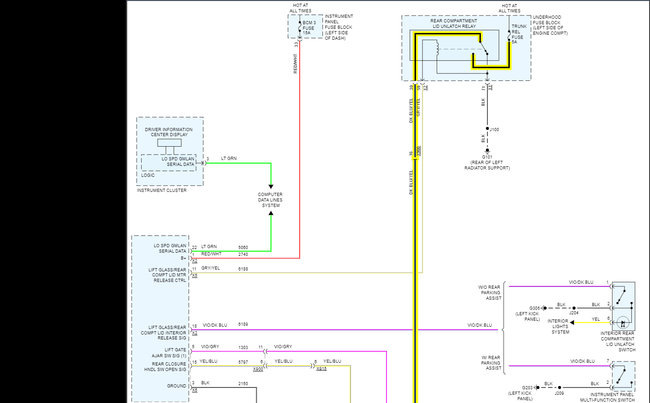
I have also added the wiring harness routing in the Trunk Lid (diagram 9)

Here is also a place to check for a short to ground, this is from a verified fix. There were damaged wires found in the rear quarter panel and it looks like the wiring harness runs to the right from the latch, so I think they are referring to the rear quarter panel on the passenger side. It does say if they had to take the wheel well out, of it they got to it from inside the trunk on the passenger side. But do the fuse test with the Latch release unplugged first so you know it's not the release actuator shorted out.

https://www.2carpros.com/articles/how-to-check-wiring

https://www.2carpros.com/articles/how-to-check-a-car-fuse
Was this
answer
helpful?
Yes
No
+1
Saturday, September 3rd, 2022 AT 1:46 PM
Tiny
DAN STAUFFER
  • MEMBER
  • 4 POSTS
Finally got a chance to test out the fuse with the lid latch connector unplugged (shown in the attached picture). Sure enough - no blown fuse! So, it seems like my issue is a short in the actuator itself. Is replacing the actuator something I can easily do myself, and do you have any suggestions for where I might be able to get the part? Also, any idea what might cause a short in the actuator assembly? Is there anything else I should check before replacing the actuator just to be 100% sure that's the issue?

A couple other notes - Pulling off the inner trim, the wire harness connecting to the actuator runs into the driver side corner panel through one of the trunk supports. There's a lot of wiring stuck in there so I can definitely see how it might rub enough to end up shorting after a time. Those wires were also pretty easily accessible from the trunk - you just need to pull down the trunk liner on that driver side to follow the wires from the lid assembly through the quarter panel. If anyone else runs into this kind of an issue and root causes their problem back to wiring in the quarter panel, they should be able to pretty easily check those wires.
Was this
answer
helpful?
Yes
No
Monday, September 5th, 2022 AT 2:57 PM
Tiny
AL514
  • MECHANIC
  • 5,590 POSTS
Okay, do you have a multimeter that can test dc voltage, just a basic multimeter. I'd like to have you check a couple of other things. The circuit that the actuator motor is on also has a circuit breaker on the Ground side of the motor, or at least that is what the diagrams show. I like to be as sure as possible before replacing components. Are you seeing the Trunk Lid open light on your Instrument Cluster when you have it open?
I'm trying to find some more information on why there's a circuit breaker on this motor circuit; I'd like to see what the resistance of the motor is also to verify that it's a short in the motor and not anything to do with the connector. I'm only looking at aftermarket wiring diagrams right now and they don't always show everything on circuits.
If you want to double check that the motor is shorted using a multimeter set on Ohms(resistance) setting, just put the two-meter leads over pins 1 and 2 or the actuator with it disconnected. And check to see what the resistance of the actuator motor is, if it's completely shorted out, the resistance will be very low, on a 12volt circuit, to blow a 5amp fuse the resistance needs to be below 2ohms, that would be a bad short. At 2ogms the circuit would pull 6amps and blow the 5amp Fuse.
Below is the connector, so those two pins are there, but on the Actuator is what you would test. I would also test pin 1 to the frame as well.
Or you can just try replacing the lid release actuator if it's not too expensive. I just do a lot of other tests when I'm verifying a component failure. 5 amps is not a lot of current flow on newer vehicles.
The Relay that powers up the actuator only gives it a quick pulse of 12volts.
Was this
answer
helpful?
Yes
No
Monday, September 5th, 2022 AT 3:30 PM
Tiny
DAN STAUFFER
  • MEMBER
  • 4 POSTS
I do get a “Trunk Open” message on my instrument cluster when I turn the car on and have the trunk open - there’s no smaller icon on the clutter, though.

Checked the pins on the actuator motor, and it definitely seems like that’s where the short is - consistently got readings of 0.1 - 0.2 ohms. I tested pin 1 to the frame as well but didn’t get any reading.
Was this
answer
helpful?
Yes
No
+1
Monday, September 5th, 2022 AT 5:09 PM
Tiny
AL514
  • MECHANIC
  • 5,590 POSTS
Okay cool. Thanks for doing that check, which is extremely low resistance, 12v/0.2 is almost a 60amp hit on that fuse. So, the lid open indicator is working to the cluster okay as well. I believe the new latch comes with the open indicator switch built in. I'd say go ahead and replace the release actuator.
What small icon are you looking for on the cluster?
Was this
answer
helpful?
Yes
No
Monday, September 5th, 2022 AT 5:45 PM

Please login or register to post a reply.