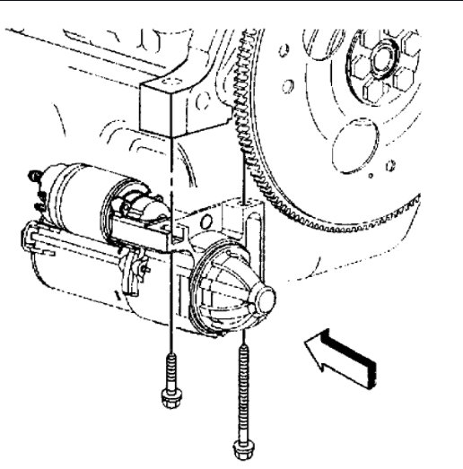
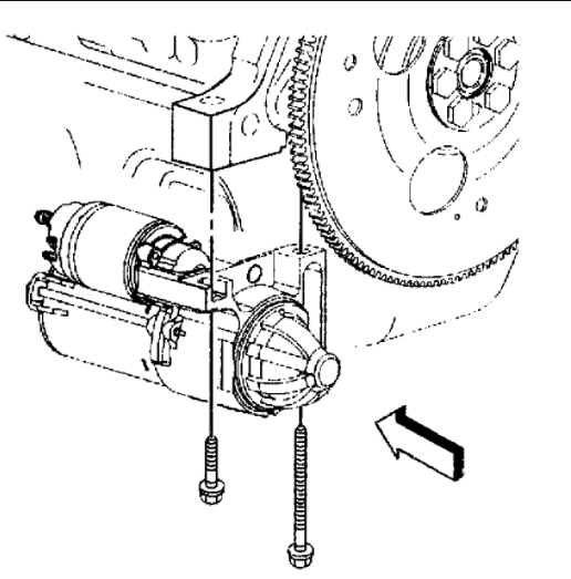
Sunday, December 20th, 2020 AT 9:13 AM
I turn the key and hear only the fuel pump, nothing from turning key dash. Lights all work and had battery checked out and it's good. It ran fine two days ago. What can it be?
















