Wednesday, December 21st, 2022 AT 7:13 AM
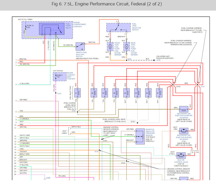
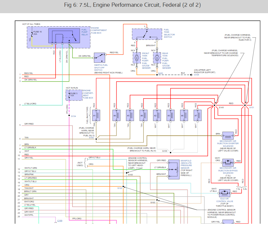
I have the truck listed above f250hd 460, that had the automatic e40d transmission. We changed the transmission to a manual T19. Tried to start the truck and it cranked but won't start. The codes we get are 21, 24, 82 you can hear the fuel pump and it sounds normal, we changed the pip and rotor and cap on the distributor, the ignition coil, the TP sensor, new spark plugs and wires and still no start we are getting spark to the distributor but not through it you. I can see that at one point it was sparking from the marks the spark made on the inside of the cap. We tested the spark plugs wires and the had spark but seemed that the spark couldn't make the jump it needed to. Now I'm not getting spark at all out of the wires, not sure why. One time I will and the next I won't.





