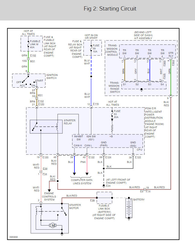
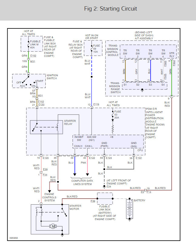
Sunday, July 14th, 2019 AT 1:06 PM
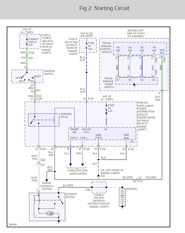
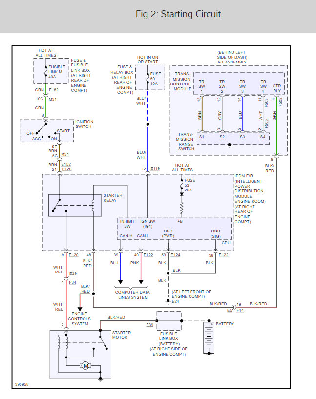
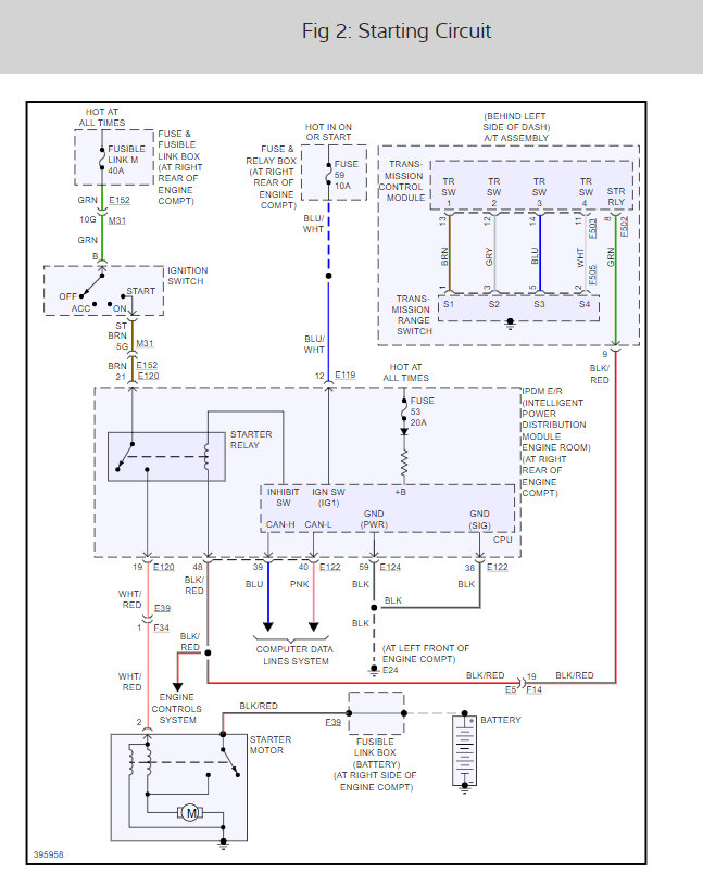
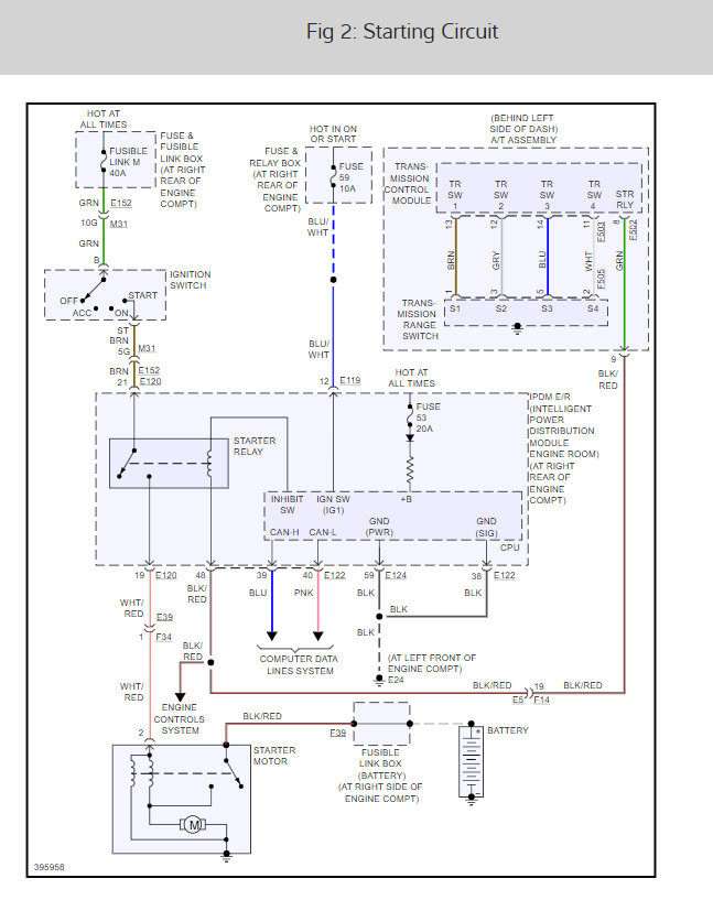
I bought this used and it has an OB-2180 remote start that was installed when new as the date is close to the date the truck was made. Everything working as should and did not drive for about a week when I tried to start it using the remote start as well as just using the key it wont even click. Battery is good when the remote button is pushed it causes the lights on the instrument panel to light as if it were trying to start but no go. I cannot find the manufacturer of the remote start so I am not able to know how to check if in vale mode or if it is the immobilizer. The blue light remains solid it use to blink every few seconds. Do not trust dealers would a geek at Best Buy be better?Anyway if you have read this thank you.






