Truck will not crank, but battery is fully charged

Tiny
QUADED
  • MEMBER
  • 2003 CHEVROLET SILVERADO
  • 6.0L
  • V8
  • 4WD
  • AUTOMATIC
  • 120,000 MILES
Turning key does nothing, no lights/sound at all. Battery is fully charged, over 12 v on multimeter. Tried connecting a 1700 CA portable jumper to cables only, still nothing. Fuses are fine.

This has happened once before. Tow truck guy connected his portable jumper to cables, exact same CA, and truck started right up!
Wednesday, December 22nd, 2021 AT 11:40 AM

13 Replies

Tiny
JACOBANDNICKOLAS
  • MECHANIC
  • 110,194 POSTS
Hi,

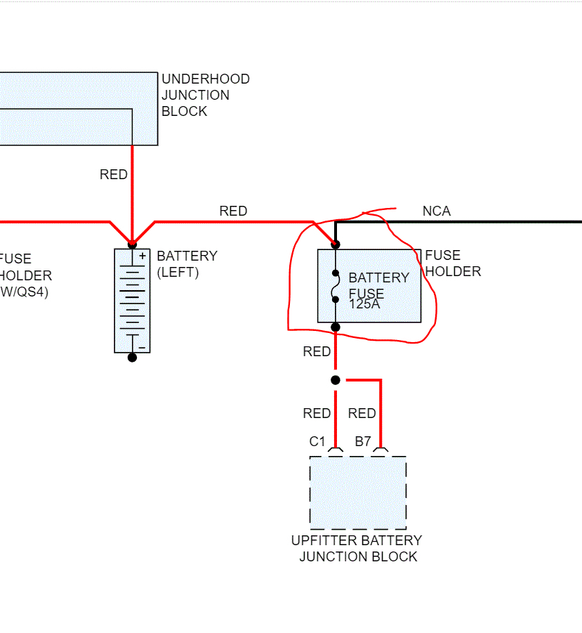
If there is nothing working, either the battery is not properly connected, the ground cable has failed, or the battery main fuse (125 amp) has failed. If you look at pic 1, it shows the battery power going through the fuse (circled). Inspect that fuse. In addition to checking the fuse, confirm there is power to and from it.

Next, open the fuse box under the hood. Follow the positive battery cable to where it mounts to the fuse box. Using a body ground, see if there is 12v to the connector at the fuse box.

Last, follow the negative battery terminal to where it mounts on the engine. Confirm it is good and not corroded or damaged. See pic 3.

Here is a link you may find helpful:

https://www.2carpros.com/articles/how-to-check-wiring

One last thought. Please let me know if this is a 1500 or 2500 series truck. Also, does it have one or two batteries?

Let me know.

Joe

See pics below.

Was this
answer
helpful?
Yes
No
Wednesday, December 22nd, 2021 AT 7:45 PM
Tiny
QUADED
  • MEMBER
  • 7 POSTS
Thanks I'll try checking fuses/cables again. It's a 2500 HD, single battery.
Was this
answer
helpful?
Yes
No
Thursday, December 23rd, 2021 AT 4:25 AM
Tiny
JACOBANDNICKOLAS
  • MECHANIC
  • 110,194 POSTS
Hi,

Let me know what you find. I have a feeling that the main 125-amp fuse has failed, but we need to make sure power is making it to the box.

Take care. If I don't hear from you due to the holiday, I hope you have a great Christmas.

Joe
Was this
answer
helpful?
Yes
No
Thursday, December 23rd, 2021 AT 9:49 PM
Tiny
QUADED
  • MEMBER
  • 7 POSTS
So, I just hooked my battery backup (unhooked so truck wouldn't drain it). Checked it with the multimeter, almost 13 V. Checked the positive battery connection at the box, no voltage. Does that mean I have a bad cable? (I tried grounding on both battery and truck body, nothing)
Was this
answer
helpful?
Yes
No
Wednesday, December 29th, 2021 AT 10:49 AM
Tiny
JACOBANDNICKOLAS
  • MECHANIC
  • 110,194 POSTS
Yes, if there is no power going from the battery to the fuse box, something is causing the open circuit. Did you check the 125amp battery fuse? If you wiggle the wire around, does it make any difference? Did you have both battery terminals connected when you checked for power?
Was this
answer
helpful?
Yes
No
Wednesday, December 29th, 2021 AT 4:10 PM
Tiny
QUADED
  • MEMBER
  • 7 POSTS
Both battery terminals were firmly connected (double checked) when I had the multimeter on. I can see part of the 125a fuse, but it looks like I'd actually have to take out the block of fuses to get at it? None of my local auto shops or mechanics stock 125a fuses. The wire has no give. Where could I get new battery cables?
Was this
answer
helpful?
Yes
No
Thursday, December 30th, 2021 AT 10:35 AM
Tiny
JACOBANDNICKOLAS
  • MECHANIC
  • 110,194 POSTS
Hi,

Could you take a pic of what you see and upload it for me to see?

Also, any parts store should be able to get you a terminal. Are there any other main fuses you can see that are bad?
Was this
answer
helpful?
Yes
No
Thursday, December 30th, 2021 AT 4:45 PM
Tiny
QUADED
  • MEMBER
  • 7 POSTS
I checked all other starter-related fuses, they all look fine.
Was this
answer
helpful?
Yes
No
Tuesday, January 4th, 2022 AT 1:13 PM
Tiny
JACOBANDNICKOLAS
  • MECHANIC
  • 110,194 POSTS
Do you have power to where the positive battery terminal bolts to the box? See the copy below from what you said.

Joe
Was this
answer
helpful?
Yes
No
Tuesday, January 4th, 2022 AT 5:24 PM
Tiny
QUADED
  • MEMBER
  • 7 POSTS
No.
Was this
answer
helpful?
Yes
No
Tuesday, January 4th, 2022 AT 6:37 PM
Tiny
JACOBANDNICKOLAS
  • MECHANIC
  • 110,194 POSTS
That comes directly from the battery positive terminal. If you have nothing there, the positive cable or the ground isn't connected, or the battery is drained. If you place your voltmeter on the positive and neg right at the battery, do you have 12V?

Let me know.

Joe
Was this
answer
helpful?
Yes
No
Tuesday, January 4th, 2022 AT 7:03 PM
Tiny
QUADED
  • MEMBER
  • 7 POSTS
My battery is at 13.5. When my battery is connected to the vehicle it reads slightly lower (12.5 - 13). I double checked the positive terminal was securely connected when I tested.
Was this
answer
helpful?
Yes
No
Wednesday, January 5th, 2022 AT 7:54 AM
Tiny
JACOBANDNICKOLAS
  • MECHANIC
  • 110,194 POSTS
Do either of the terminals get hot or warm when connected? Something doesn't make sense. If you have a good battery (13.5 with the engine off is high), you should see the same voltage at the opposite end of the battery cable where it connects to the fuse box.

Have you checked for continuity to ground at the neg cable?

Let me know.

Joe
Was this
answer
helpful?
Yes
No
Wednesday, January 5th, 2022 AT 3:53 PM

Please login or register to post a reply.