Intermittent not starting issue

Tiny
ALICE GARCIA
  • MEMBER
  • 1999 FORD F-150
  • 4.2L
  • 6 CYL
  • 2WD
  • AUTOMATIC
  • 2,333,530 MILES
I have changed the starter switch solenoid and the starter relays the battery is brand new the start I had it tested and it they said it was good, but it still doesn't want to engage doesn't want to start my truck.
Tuesday, January 25th, 2022 AT 5:24 PM

1 Reply

Tiny
JACOBANDNICKOLAS
  • MECHANIC
  • 110,192 POSTS
Hi,

I need to better understand what is happening. Does the starter never engage or run? Or does it happen intermittently?

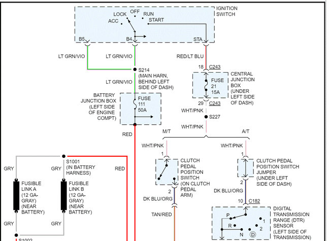
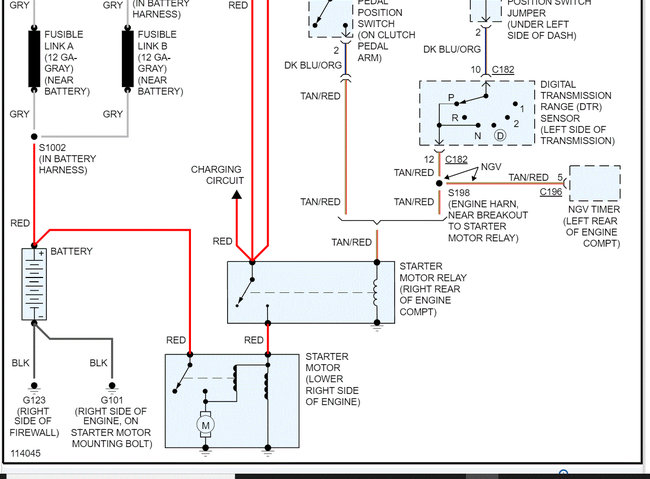
I attached the wiring schematic below for the starting system. When this happens, will it start if you place it in neutral?

This is really straightforward, so chances are either you have a starter that is in the process of going bad, a faulty neutral safety switch, or a loose connection at some point. If it was a fuse or fusible link, it likely would never work. Also, it could be a damaged wire (under the insulation) that isn't visible.

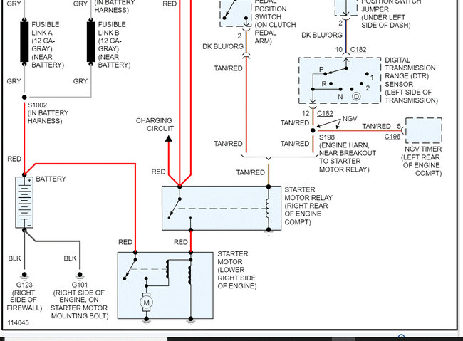
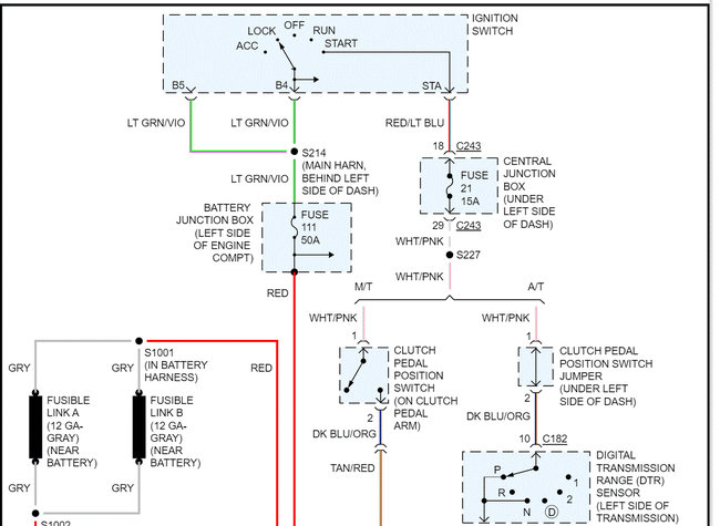
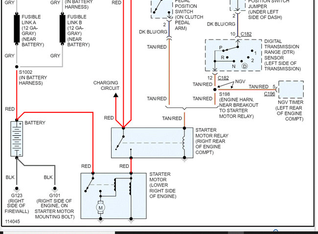
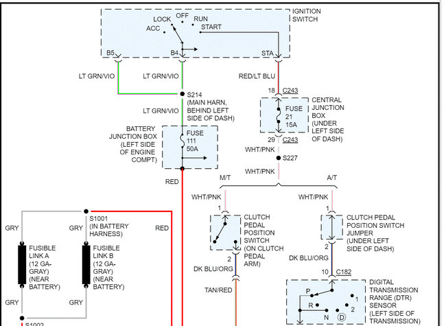
So, when it happens, first see if it starts in neutral. If there is no change, I need you to go to the starter motor. There will be a heavy gauge wire that has 12v at all times from the battery. There will be a smaller red wire that only gets power when the key is in the start position. Have a helper turn the key to the start position while you check for power at the smaller wire. See pic 3 below.

If there is power, replace the starter. If there isn't, go back to the relay you replaced and locate the red wire. Again, it should have 12v at all times. There is also a tan wire with a red tracer. With the key in the start position, check that wire for 12v.

Here is a link you may find helpful.

https://www.2carpros.com/articles/how-to-check-wiring

I realize this may seem like a lot, but it doesn't take much time. Let me know what you find and exactly what is happening (intermittent or never starting).

Take care,

Joe

See pics below. Note: Pics 1 and 2 are from one pic. I had to cut it in half to make it readable for you. They are overlapped so you can follow from one to the next.
Was this
answer
helpful?
Yes
No
Tuesday, January 25th, 2022 AT 6:52 PM

Please login or register to post a reply.