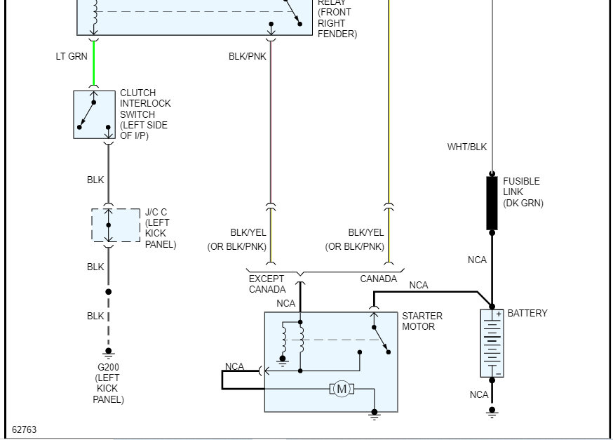
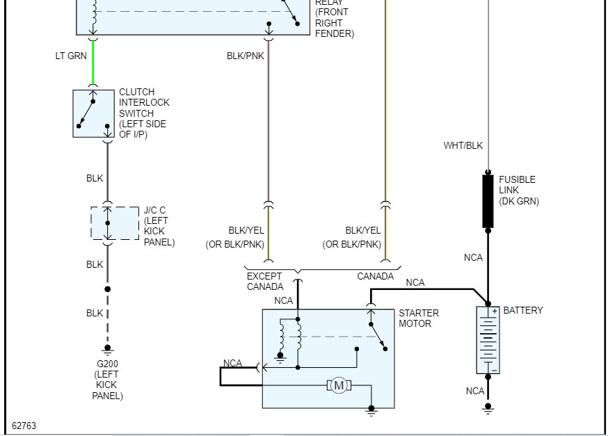
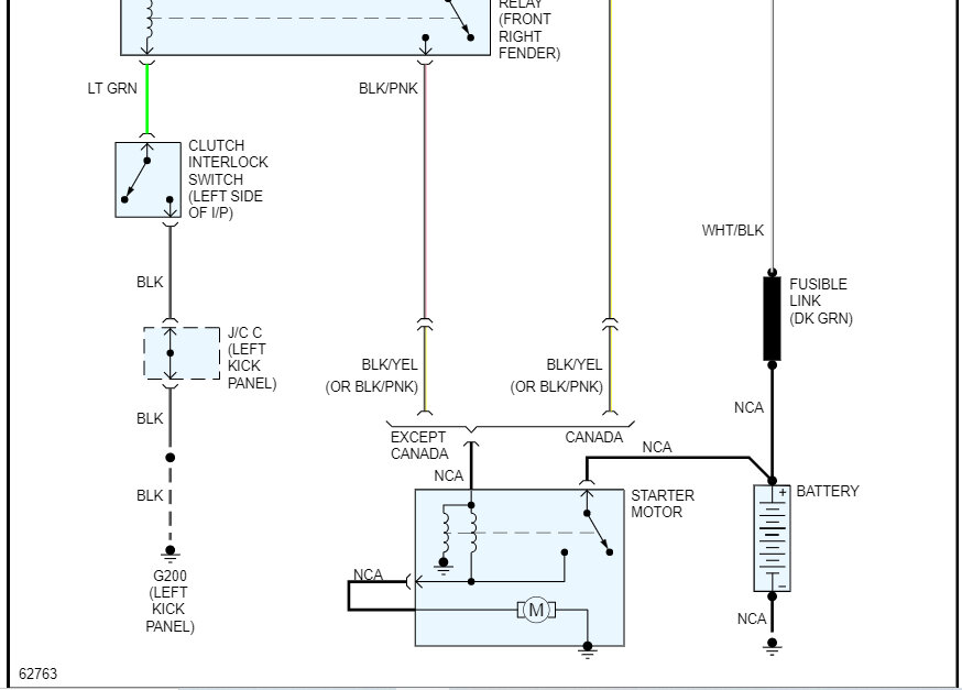
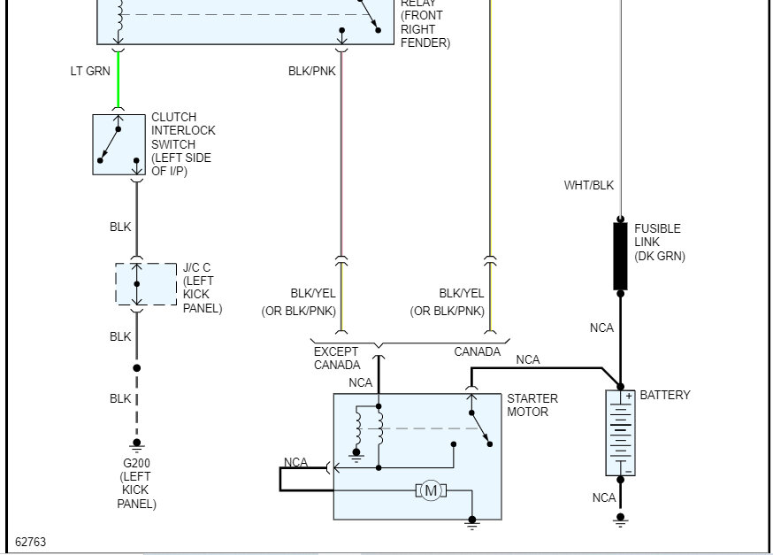
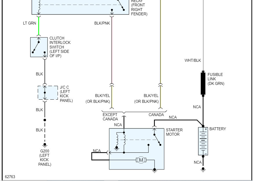
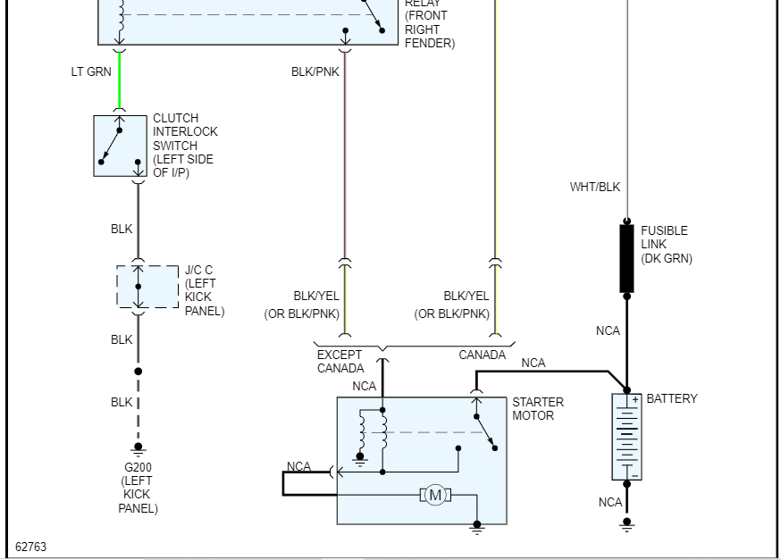
Wednesday, October 5th, 2022 AT 10:56 AM
So, my truck won't start when I turn the key, everything else comes on except the truck. But it starts when I push start it.



