Thursday, May 24th, 2018 AT 4:51 PM
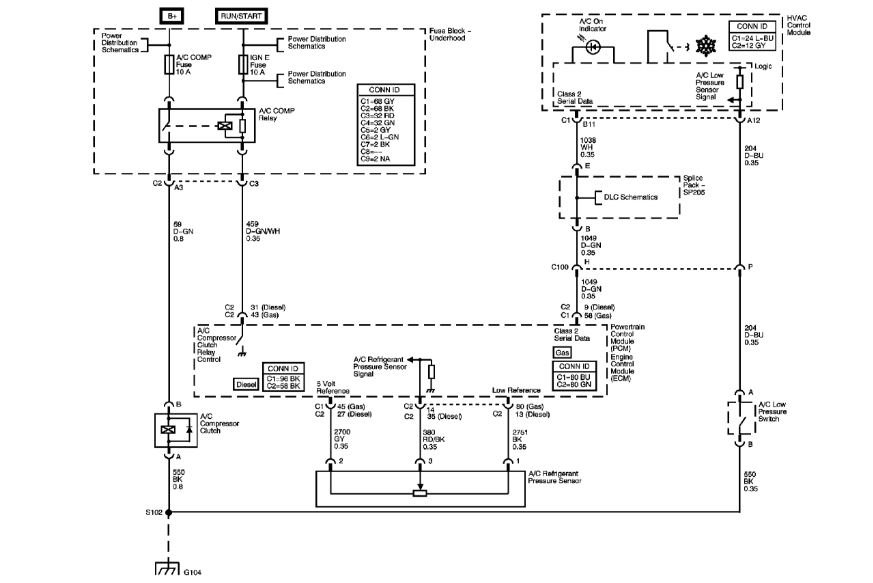
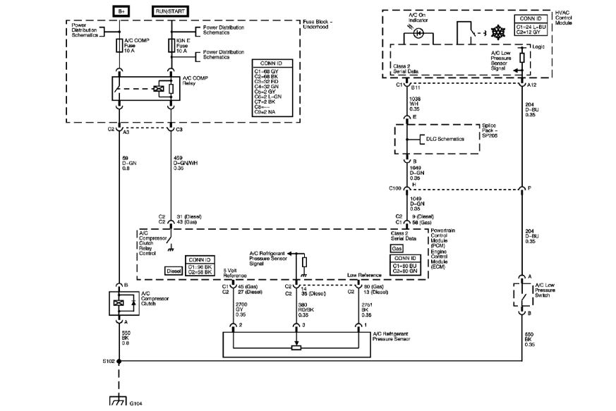
My A/C worked for about fifteen minutes and then would not come back on the rest of the day. This happened each time I started my truck, when I started using it this spring, this happened for about four days. Now it will not come back on at all. I stopped at the local shop to get it recharged, the mechanic said it was charged properly and that it was something else. He was able to make it work by jumping out the relay, compressor kicked in and it blows ice cold. He is not able to get my truck back in for about two to three weeks. Is there anything I can test and change without having to remove the refrigerant. Wiring diagram would help, cheers.



