Transmission solenoid, code p076a

Tiny
FARR2007
  • MEMBER
  • 2009 CHRYSLER TOWN AND COUNTRY
  • 3.8L
  • AUTOMATIC
  • 147,000 MILES
Am getting a p076a code please show me diagrams where solenoid is and how to fix.
Wednesday, November 10th, 2021 AT 12:55 PM

7 Replies

Tiny
SQM
  • MECHANIC
  • 6,383 POSTS
Hello,

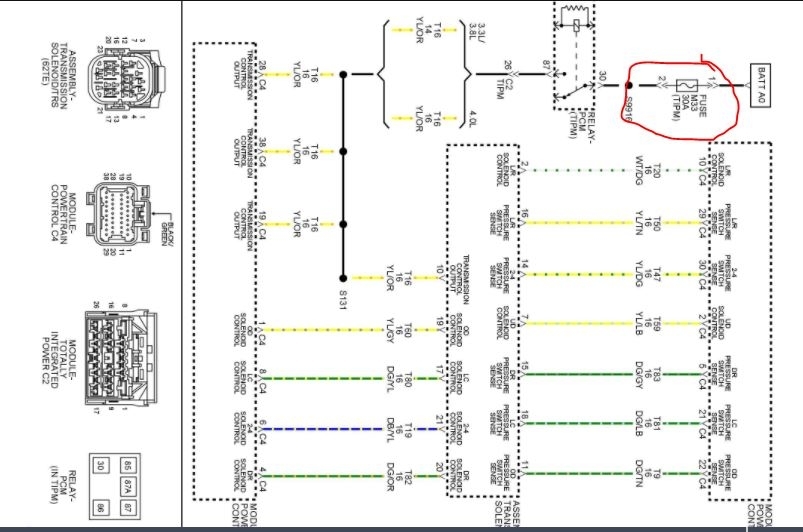
The solenoid is located inside the transmission valve body.
Keep mind that the code P076a typically gets triggered due to an issue within the circuit. It may or may not be a faulty solenoid, but rather wiring issue.

I have attached the trouble shooting steps for the P076a below. Also included the solenoid and valve body replacement procedure for your reference.

Please let me know of any questions.
Thank you.

https://www.2carpros.com/articles/automatic-transmission-problems
Was this
answer
helpful?
Yes
No
+1
Wednesday, November 10th, 2021 AT 1:23 PM
Tiny
FARR2007
  • MEMBER
  • 244 POSTS
  • 2009 CHRYSLER TOWN AND COUNTRY
  • 3.8L
  • AUTOMATIC
  • 147,000 MILES
P076a how do I fix this problem?
Was this
answer
helpful?
Yes
No
+2
Thursday, November 11th, 2021 AT 1:58 PM (Merged)
Tiny
ASEMASTER6371
  • MECHANIC
  • 52,796 POSTS
Good morning,

I attached the flow chart for you to follow. From all the indicators, this looks like an electrical issue.

https://www.2carpros.com/articles/automatic-transmission-problems

You need to test all the fuses to be sure they are good. Check for power on both sides with the key in the on position.

https://www.2carpros.com/articles/how-to-check-wiring

https://www.2carpros.com/articles/how-to-check-a-car-fuse

Roy
Was this
answer
helpful?
Yes
No
-1
Thursday, November 11th, 2021 AT 1:58 PM (Merged)
Tiny
FARR2007
  • MEMBER
  • 244 POSTS
I don’t understand.
Was this
answer
helpful?
Yes
No
+1
Thursday, November 11th, 2021 AT 1:58 PM (Merged)
Tiny
ASEMASTER6371
  • MECHANIC
  • 52,796 POSTS
You will need to follow the flow chart steps to determine the failure.

It is a process. Follow each step one by one and write down the results. Then get back to me with your results so I can help you more.

Roy
Was this
answer
helpful?
Yes
No
Thursday, November 11th, 2021 AT 1:58 PM (Merged)
Tiny
FARR2007
  • MEMBER
  • 244 POSTS
I’m sorry I’m having trouble following this.
Was this
answer
helpful?
Yes
No
Thursday, November 11th, 2021 AT 1:58 PM (Merged)
Tiny
ASEMASTER6371
  • MECHANIC
  • 52,796 POSTS
Maybe you can get someone to help you who is familiar with these checks.

Check the fuse first that is listed.

Roy
Was this
answer
helpful?
Yes
No
Thursday, November 11th, 2021 AT 2:03 PM

Please login or register to post a reply.