Tuesday, February 2nd, 2021 AT 1:33 PM
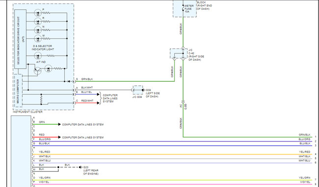
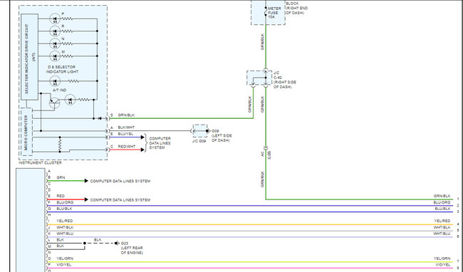
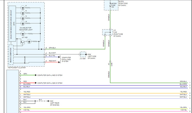
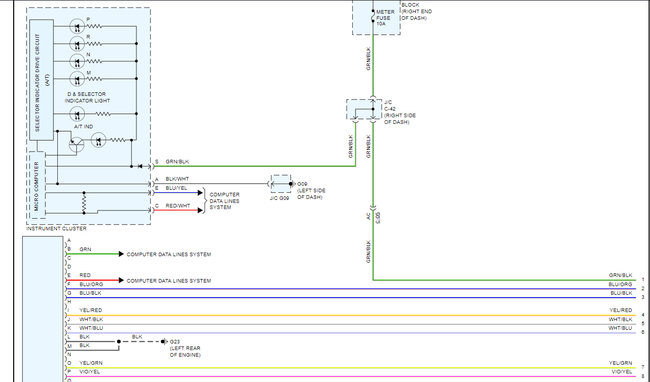
Hard shift codes read shift solenoids c and d stuck open. So I drained fluid bought new filter and gasket pulled everything apart cleaned and was going to buy new solenoids but cannot tell if they 4 are all the same or if there is 2 different ones I saw one site say it's same for a/b/c but different for d and another say the 4 are the same. It is not my vehicle so when I drained the fluid it was same color as oil and thick. So i'm not sure what would cause that and if it is just the solenoids bad would it cause it to burn the fluid and no damage anywhere else. I have a code reader and that is the only codes that come up. I'm not a mechanic i'm just someone that can tinker and figure some stuff out. So hope it is just my problems. Thanks in advanced. I greatly appreciate it.












