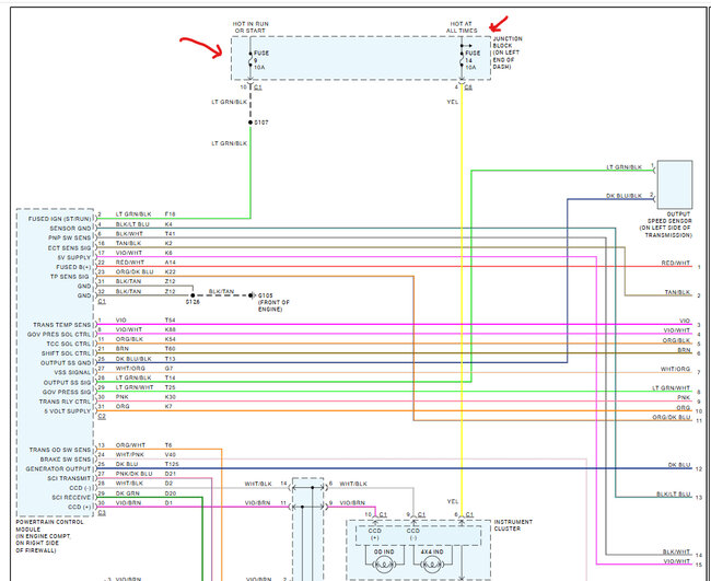
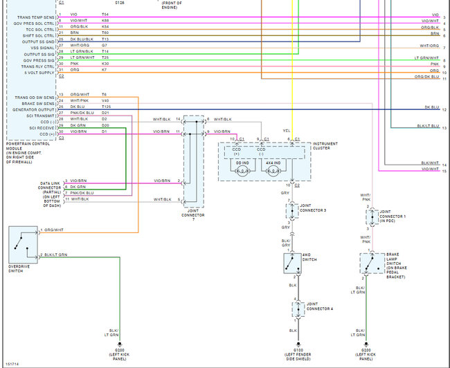
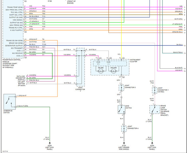
Saturday, March 8th, 2025 AT 9:09 AM
I just got the truck from a cousin of mine he said the trans would shift to 1st to 3rd and skip second but when he took the transmission relay out it shifted to 2nd and not 3rd, does anybody know what I should check or do?






