Transmission control module

Tiny
TJOHNSON126
  • MEMBER
  • 2007 HYUNDAI SANTA FE
  • AWD
  • AUTOMATIC
  • 140,000 MILES
I am getting codes P0890 and P0501. Was told to replace TCM but not sure where it is located.
Monday, May 8th, 2017 AT 1:42 PM

3 Replies

Tiny
KEN L
  • MASTER CERTIFIED MECHANIC
  • 55,130 POSTS
Hello,

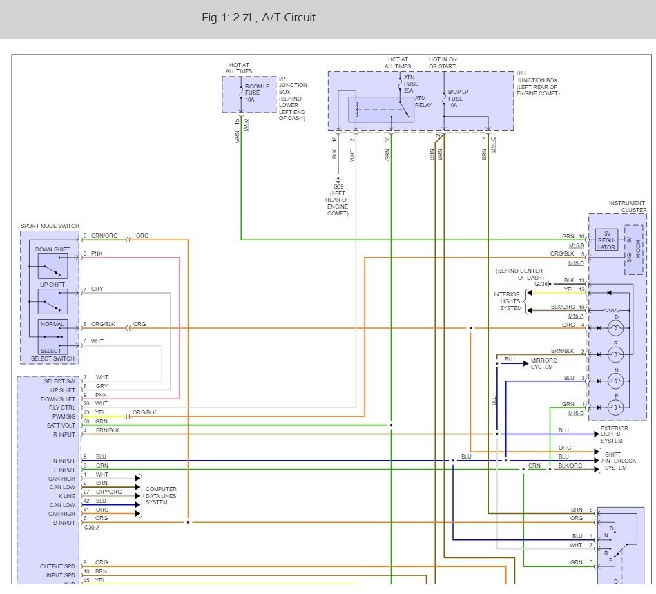
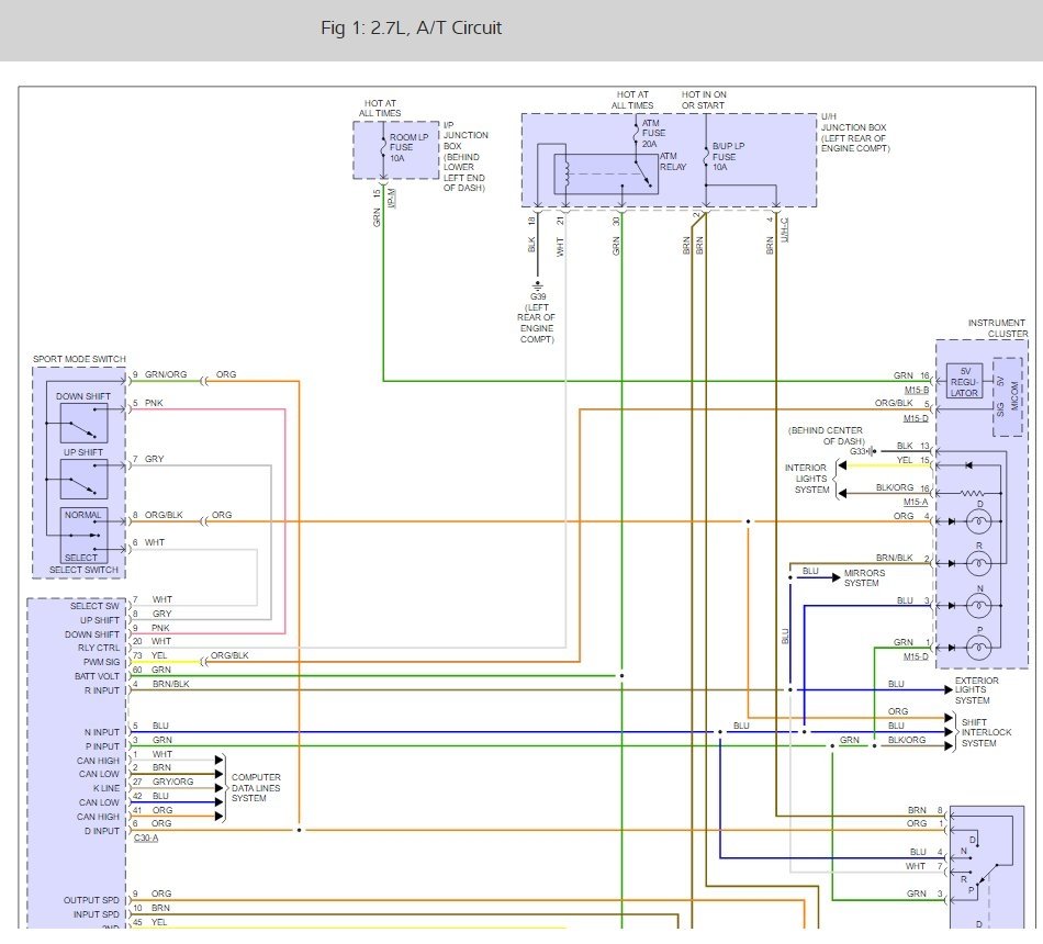
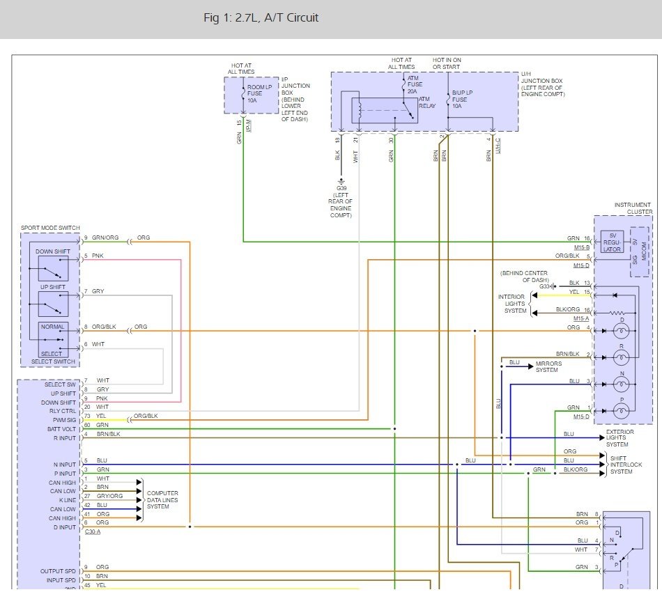
There is no TCM on the car per say. It is integrated into the engines PCM which is normal for this car. But there is a ATM or TCM relay which powers the PCM side of the circuit Here is a wiring diagram (BELOW) so you can see for yourself. It seems like you might have a shift solenoid out. I would use the diagram and drop the pan to check the resistance of each one to see if one is way different from the rest telling you its bad and needs to be replaced. Please run some tests and get back to us so we can continue helping you. Here is the relay location under the hood with a guide to help you test it.

https://www.2carpros.com/articles/how-to-check-an-electrical-relay-and-wiring-control-circuit

Check out the diagrams (Below). Please let us know what happens.
Was this
answer
helpful?
Yes
No
+2
Wednesday, May 10th, 2017 AT 5:20 PM
Tiny
VICTOR SANTILLANA
  • MEMBER
  • 1 POST
  • 2004 HYUNDAI SANTA FE
  • 3.5L
  • V6
  • 2WD
  • AUTOMATIC
  • 104,000 MILES
Where is the TCM located and the TCM relay?
Was this
answer
helpful?
Yes
No
+4
Thursday, April 9th, 2020 AT 6:17 PM (Merged)
Tiny
ASEMASTER6371
  • MECHANIC
  • 52,796 POSTS
Good morning,

The transmission control is part of the engine control module. they are combined into one unit. Do you have any codes? if you do, list them so I can help you narrow the area of failure. Why do you believe the module is defective? This guide can help

https://www.2carpros.com/articles/automatic-transmission-problems

Please run down this guide and report back. Roy
Was this
answer
helpful?
Yes
No
Thursday, April 9th, 2020 AT 6:17 PM (Merged)

Please login or register to post a reply.