After having the rear main seal replaced, it will not start

Tiny
ROBERT RAYMOND2
  • MEMBER
  • 2000 GMC SIERRA
  • 4.8L
  • V8
  • 2WD
  • AUTOMATIC
  • 250,000 MILES
Took truck and had rear main seal replaced. Truck drove home fine. When I tried to start it again it would not start. Tried in park and neutral same thing no start. Dash lights work gauges work. Good charge on battery. Got under truck and checked the linkage and it is shifting to each gear. When in park it seems to have more play in the leaver than other gears also it shifts out of park without applying the brake.
Monday, March 14th, 2022 AT 2:08 PM

5 Replies

Tiny
JACOBANDNICKOLAS
  • MECHANIC
  • 110,194 POSTS
Hi,

Does the gear indicator show the correct gear selection? Also, do you mean the starter won't engage at all? Are there any sounds when you try starting it? If that is the case, take a look through this link and let me know if anything in it helps.

https://www.2carpros.com/articles/starter-not-working-repair

Let me know exactly what is happening. For example, the starter doesn't engage, or it has a crank no start condition.

I will watch for your reply.

Take care,

Joe
Was this
answer
helpful?
Yes
No
Monday, March 14th, 2022 AT 8:18 PM
Tiny
ROBERT RAYMOND2
  • MEMBER
  • 3 POSTS
No sounds at all. And my gauges are not working. The gear indicator shows the right gear but when in park it is more loose than the rest of the gears.
Was this
answer
helpful?
Yes
No
Tuesday, March 15th, 2022 AT 6:12 AM
Tiny
JACOBANDNICKOLAS
  • MECHANIC
  • 110,194 POSTS
Hi,

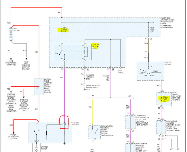
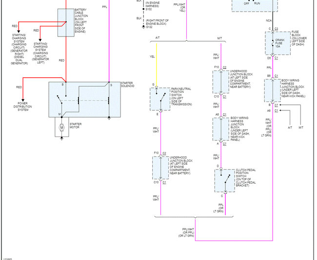
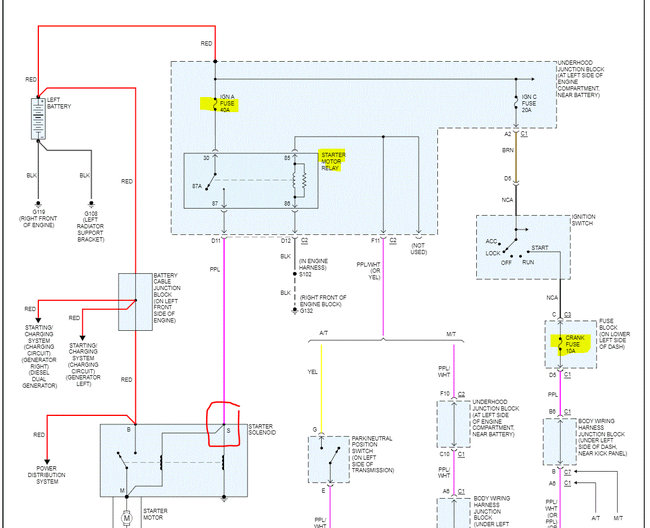
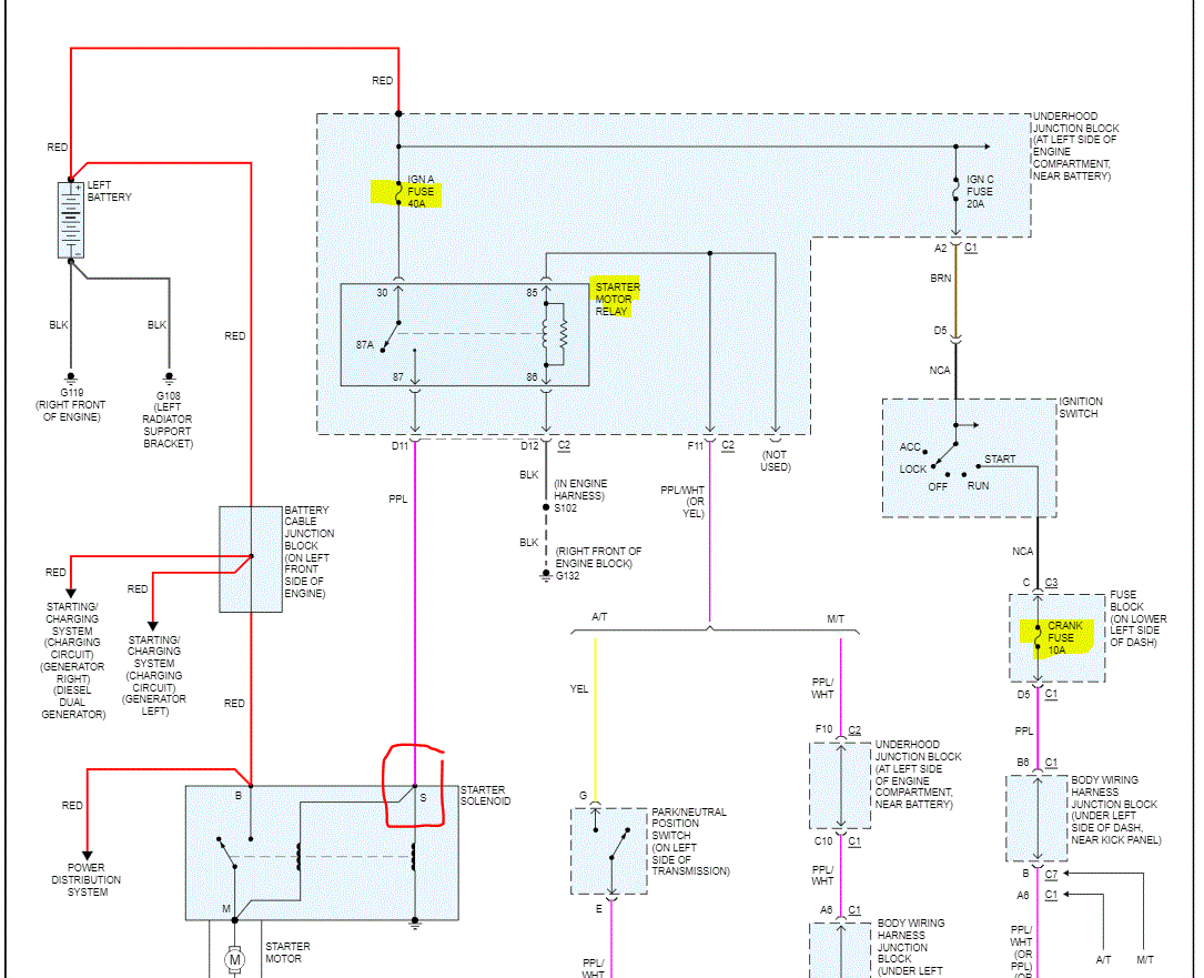
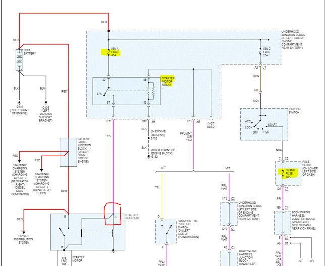
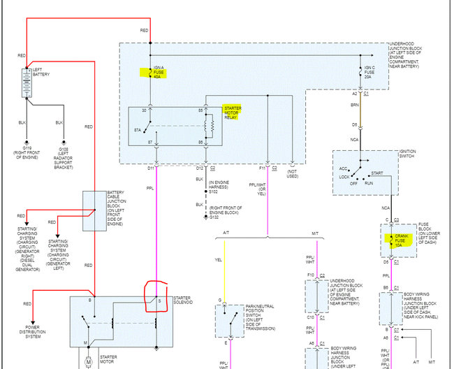
Let's try to narrow this down. First, I attached the wiring schematic below for the starter circuit.

In the pic, I highlighted two fuses I need you to check. In addition to checking the fuses, it's important to confirm there is power to and from them as well. Here is a link you may find helpful for this test:

https://www.2carpros.com/articles/how-to-check-a-car-fuse

Also, there is a starter relay in the under-hood fuse box. If the fuses check good, see if there is another relay with the same part number and switch it with the starter relay to see if that makes a difference. If there isn't one, here is a link showing how to test a relay:

https://www.2carpros.com/articles/how-to-check-an-electrical-relay-and-wiring-control-circuit

The idea that the rear main was replaced required the removal of the starter, so make sure the wiring at the starter is tight.

If everything checks good, then have a helper turn the key to the start position while you check for voltage at the small purple wire at the starter motor. If there is power, the starter likely failed.

Let me know what you find

Take care,

Joe

See pics below.

Was this
answer
helpful?
Yes
No
Tuesday, March 15th, 2022 AT 1:16 PM
Tiny
ROBERT RAYMOND2
  • MEMBER
  • 3 POSTS
The starter had a rubbed wire that shorted out and burned the ignition fuse. Also messed up the solenoid. Thank you so much for your help! The shop that did my rear main seal put the starter in and had the wire twisted and that caused a short. Once again thank you!
Was this
answer
helpful?
Yes
No
-1
Thursday, March 17th, 2022 AT 4:14 PM
Tiny
JACOBANDNICKOLAS
  • MECHANIC
  • 110,194 POSTS
Hi,

You are very welcome, and thanks for the update. It's appreciated. I'm glad you found the problem.

Please feel free to come back anytime in the future. You're always welcome here.

Take care,

Joe
Was this
answer
helpful?
Yes
No
+1
Thursday, March 17th, 2022 AT 6:32 PM

Please login or register to post a reply.