Transmission does not downshift?

Tiny
JASONRUTH9
  • MEMBER
  • 1995 JEEP CHEROKEE
  • 4.0L
  • 6 CYL
  • 2WD
  • AUTOMATIC
  • 178,000 MILES
The vehicle listed above is the sport model. Doesn't downshift. I can manually put it in low and climb up the gears. But when I come to a stop it stays in overdrive. I replaced the shift solenoids in the Trans pan to see if it was that, but nothing changed. Can I test the TCM someway to see if it's getting power. Back history. The jeep sat for 5 years before I bought it and rats or squirrels chewed threw some wires under the hood. They were spliced Bach together and repaired. Jeep runs fine other than the no downshifting but gets poor gas mileage.
Wednesday, March 8th, 2023 AT 8:15 PM

13 Replies

Tiny
JACOBANDNICKOLAS
  • MECHANIC
  • 110,192 POSTS
Hi,

If you haven't already, I suggest testing for diagnostic trouble codes. I believe this vehicle still uses an OBD1 system, so you don't need a scan tool.

Follow the directions in this link and let me know what you find:

https://www.2carpros.com/articles/jeep-diagnostic-trouble-codes-for-car-built-on-or-before-1995-odb1

Take care,

Joe
Was this
answer
helpful?
Yes
No
Thursday, March 9th, 2023 AT 8:54 PM
Tiny
JASONRUTH9
  • MEMBER
  • 58 POSTS
I did the key turns and it worked. But it's still not telling me anything about why it's not downshifting. Is there a code reader that I can hookup to the TCM to get codes from it? Like an odd scanner that reads transmission codes.
Was this
answer
helpful?
Yes
No
Friday, March 10th, 2023 AT 1:55 PM
Tiny
CARADIODOC
  • MECHANIC
  • 34,468 POSTS
Hi Jasonruth9. I'm sitting on the side waiting to learn the solution. While waiting for Joe to return, please verify you have a four-speed transmission. There will be a circle around the "D" on the instrument cluster. There was also the really tough 3-speed offered. That one is not computer-controlled.

Joe mentioned this is an OBD1 emissions system. That is on '95 and older models. As such, every manufacturer had their own diagnostic connectors. When you cycle the ignition switch to read the codes, the only ones you'll get are those in the Engine Computer. For all other computers, including the Transmission Computer, there's a blue 6-pin connector. I have always found it behind the interior fuse panel cover or under the center of the dash, just above the transmission hump, usually clipped to the right side of a metal bracket. I was surprised to see yours shown under the hood. That is the connector that must be used to read transmission codes.

I hope this will speed things along a little. Joe will be back very soon to continue the conversation.
Was this
answer
helpful?
Yes
No
Friday, March 10th, 2023 AT 6:51 PM
Tiny
JASONRUTH9
  • MEMBER
  • 58 POSTS
There is a kind of L shaped square connector behind the breath next to the computer under the hood. I thought that it was the odb1 connector. I can't get any readings from it. And on the bottom panel that runs along the bottom of the dash and the ashtray is a metal 16 pin module bolted to it. Is the TCM? I'll include some pictures when I get to work shortly.
Was this
answer
helpful?
Yes
No
Saturday, March 11th, 2023 AT 4:45 AM
Tiny
JASONRUTH9
  • MEMBER
  • 58 POSTS
The first image is the TCM. Correct? And the second is the odb. Correct?
Was this
answer
helpful?
Yes
No
Saturday, March 11th, 2023 AT 6:00 AM
Tiny
JASONRUTH9
  • MEMBER
  • 58 POSTS
And there is a circle around the "D". So it's electrical. Correct?
Was this
answer
helpful?
Yes
No
Saturday, March 11th, 2023 AT 6:01 AM
Tiny
CARADIODOC
  • MECHANIC
  • 34,468 POSTS
Yes, you do have the 4-speed transmission.

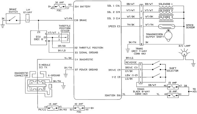
You're holding the DLC, (diagnostic link connector) for the Engine Computer. All other computers are accessed through the blue 6-pin connector, including Air Bag, Anti-Lock Brakes, and Body Computer. The shape of it is shown in the lower left of this diagram.

My experience has been with Chrysler and Dodge products. My dealership wasn't affiliated with Jeep, although I did get their training. In my effort to help out, I'm afraid I messed you up. I've always found ABS and Transmission Computers under the hood. In looking for the location of your Transmission Computer, I was surprised three times to find, first of all, you do have the Transmission Computer in your photo, it is inside the vehicle, and the ABS Computer is inside too. That places the 6-pin DLC right by the transmission hump where I would have looked first, not under the hood as I incorrectly told you earlier. I overlooked one important detail that I added to the third drawing. That's the notation at the bottom for the connector's location.

I'll be waiting to learn what the solution is.
Was this
answer
helpful?
Yes
No
Saturday, March 11th, 2023 AT 4:32 PM
Tiny
JASONRUTH9
  • MEMBER
  • 58 POSTS
Can the autoparts store run a check with the scanner they use to do a check engine light scan? Or is it a different scanner?
Was this
answer
helpful?
Yes
No
Saturday, March 11th, 2023 AT 10:45 PM
Tiny
CARADIODOC
  • MECHANIC
  • 34,468 POSTS
The Check Engine light is for the Engine Computer only. For many years that was the only computer they could read codes from with their inexpensive code readers. The newer code readers can often access Air Bag and ABS Computers too, but only on '96 and newer models. Those all use a newer standardized DLC under or near the steering column. Your '95 model uses the blue DLC. Older code readers don't work with those.

You don't need any code reader to read your engine codes. Chrysler made viewing them much easier than any other manufacturer. Cycle the ignition switch from "off" to "run" three times within five seconds without cranking the engine. Leave it in "run", then count the flashes of the Check Engine light. You'll get a series of flashes for the first digit, a short pause, a series of flashes for the second digit, then a longer pause, and then the next code will flash the same way. Code 12 can be ignored, and code 55 just means it's done.

You can go here:

https://www.2carpros.com/articles/retrieve-trouble-codes-for-chrysler-dodge-plymouth-odb1-1995-and-earlier-car-mini-van-and-light-trucks

to see the definitions, or we can interpret them for you. Couple of notes. First, there are no transmission codes listed. You have to talk to that computer through the blue DLC. Second, most of these descriptions are very misleading in that they only list the name of a sensor. In fact, fault codes never say to replace a sensor or that one is bad. This is why people often complain they replaced the part two or three times and the code keeps coming back. In fact, the codes only indicate the circuit or system that needs further diagnosis, or the unacceptable operating condition. First we have to rule out wiring and connector terminal problems, and mechanical problems associated with that part. When a sensor or other part is referenced in a fault code, it is actually the cause of that code about half of the time.

Also be aware only about half of the codes refer to something that could adversely affect emissions. Those are the codes the turn on the Check Engine light. Other codes can be set that do not turn that light on. Starting with '96 models and their three-digit codes, the transmission got involved. Specific fault codes are set in the Transmission Computer and must be read from there, but most of those will cause a code P0700 to set in the Engine Computer. That one just says there are other codes to be read in the Transmission Computer. Code 700 does turn on the Check Engine light because improper shifting can cause an increase in emissions.

You won't get that Check Engine light or code 700 on a '95 model unless it's a very late in the year production model with the newer OBD2, (on-board diagnostics version 2) emissions system. You would have the single trapezoidal DLC under the steering column, and instead of counting flashes of the Check Engine light, you would see the three-digit codes appear in the odometer display.

Joe should be back pretty soon. I just wanted to help you along with the diagnostic connectors.
Was this
answer
helpful?
Yes
No
Monday, March 13th, 2023 AT 3:15 PM
Tiny
JASONRUTH9
  • MEMBER
  • 58 POSTS
Did the 1995 jeep Cherokee 4.0come with ABS? The fuse box under the hood has 2 places. 1 says abs system and the other is ABS pump. But neither has wires to connect the relays to. There's a 40A ABSs fuse. But no relays. And what does the automatic shutdown relay control? The engine control fuse was burnt so I replaced it. And there are no wires going to my brakes.
Was this
answer
helpful?
Yes
No
Wednesday, March 15th, 2023 AT 8:22 AM
Tiny
CARADIODOC
  • MECHANIC
  • 34,468 POSTS
Anti-lock brakes is an add-on option to the "base" brake system. The fastest way to know if it's on the vehicle is to observe if there's a yellow "ABS" warning light on the dash that turns on for six seconds when you turn on the ignition switch. The system performs an initial self test during those six seconds.

The automatic shutdown, (ASD) relay has a confusing name. That relay gets turned on by the Engine Computer for one or two seconds when the ignition switch is turned on, then it turns off. When it's on, it switches on the 12 volts to the injectors, ignition coil(s), oxygen sensor heaters, alternator field, and the fuel pump or a separate fuel pump relay.

That relay gets switched back on when the computer sees engine rotation, cranking or running. It knows that by the signal pulses it receives from the crankshaft position sensor and the camshaft position sensor. This is done for safety. If a fuel line were to be ruptured in a crash, raw fuel would be dumped on the ground creating a major fire hazard. There would be no fuel pressure. With no pressure, no fuel would spray from the injectors so the engine would stall. That would stop the signal pulses from showing up at the computer. In response, the computer turns the ASD relay off and that stops the fuel pump. A few models do the same thing by running the fuel pump from a tap on the oil pressure switch, but most do it the same way as with the ASD relay, but they call that relay by a different name.

Use of this relay goes back to the mid 1980s. It has had a very low failure rate. By far most failures involve the two sensors. They can fail permanently, intermittently, but most commonly, by becoming heat-sensitive. They'll often work fine as long as the vehicle is moving and there's natural air flow to keep them cool, but when a hot engine is stopped for a few minutes, that heat migrates up to them causing one to fail. That results in a crank / no-start condition. Typically the sensor will resume working after cooling down for about an hour.
Was this
answer
helpful?
Yes
No
Wednesday, March 15th, 2023 AT 4:03 PM
Tiny
JASONRUTH9
  • MEMBER
  • 58 POSTS
I went to the pull a part and got another TCM. Can you tell me how exactly to reset it or reprogram it for my Jeep?
Was this
answer
helpful?
Yes
No
Saturday, March 18th, 2023 AT 3:07 PM
Tiny
CARADIODOC
  • MECHANIC
  • 34,468 POSTS
Stuff it in and drive it. GM started giving us modules that needed to be programmed by the dealer in a few 2002 trucks, then everyone else copied that money-making ordeal later. For a '95 model, all of its learned data was erased when the battery cable was disconnected at the salvage yard. When you first turn on the ignition switch, that module will revert to its factory-programmed default settings, then update as soon as you start driving. Expect sluggish up-shifts or some minor engine runaway between shifts for the first two miles or dozen shift cycles while the relearn takes place. We were always told it could also start out with harsh up-shifts at first, but I never experienced that myself in ten years at the dealership.

Chrysler was the first manufacturer to have this computer-controlled transmission design, starting with 1989 models. There are advantages and disadvantages to this design. The biggest benefit is if you look on a scanner, you can read the four values for "clutch volume index", (CVI). Those numbers are for the volume, in CCs, of fluid it takes to apply each of the four clutch packs. As the fiber plates wear down with each up-shift, they get a little thinner. With a half dozen of them in each clutch pack, that results in the need for a higher volume of fluid to squeeze them together to fully apply them. Years ago, as that occurred over 100,000 miles, we noticed a gradually increasing slippage when an up-shift occurred. It was just noticeable enough to let us know a rebuild was in the future, possible a few years from now.

That clutch plate wear is learned by your Transmission Computer. It calculates the volume of fluid it takes to fully apply each clutch pack. As that wear progresses and it takes more fluid, the computer will activate a shift solenoid / valve to engage the next gear, then wait a fraction of a second longer before it releases the previous gear. That eliminates the slipping or sluggish up-shifts. The goal is to cause every up-shift to be as nice and crisp as when the vehicle was new. The problem with this is there comes a time when there's so much wear, it can't update any further. If there's not enough fluid pressure on the plates, their friction can be overcome by engine torque, then slippage occurs.

In most cases the Transmission Computer looks at engine rpm from the crankshaft position sensor as "input speed", and it looks at a vehicle speed sensor, (VSS), in the back of the transmission as "output speed". It knows what output speed must be for a given input speed, for every gear the transmission is in. When one of those doesn't agree, it knows slippage is occurring in one of the multiple clutch packs currently engaged. It sets a diagnostic fault code for "incorrect gear ratio", or "gear ratio error", puts the system into "limp" mode, and since this will increase fuel consumption and therefore emissions, it tells the Engine Computer to turn on the Check Engine light. The Engine Computer will only have fault code P0700 set which just means there are other codes that need to be read in the Transmission Computer.

The only way to know wear has been taking place is to read those CVI numbers with a scanner. In fact, that's a good way to assess the condition of the transmission in a vehicle you're planning on buying. Other than that, the problem is one day the transmission shifts perfectly fine, and the next day it dumps into limp mode. You don't get the two or three years of sluggish shifts to warn you that wear is occurring.

Limp mode is designed to allow you to drive slowly to a repair shop without needing a tow truck. It is definitely not meant for driving at highway speed as some people do. In limp mode, all the electronic controls are disabled leaving you with only the hydraulic controls. Those give you "park", "reverse", "neutral", and second gear. The engine must be stopped, then the ignition switch turned back to "run" to get it out of limp mode.

Before you know the diagnostic fault code(s), you can get an idea of the cause of the problem with a quick observation. If you start the engine, shift into "drive", and it immediately starts out in second gear, the best suspect is electrical in nature. The problem has occurred before any up-shifts have taken place. Solenoids, switches, wiring, and connector terminals are the best suspects. If it starts out in first gear, like normal, then bangs back into second gear during or right after an up-shift, or in some cases, a down-shift, the better suspect is slippage in a clutch pack. The switches and electronics were working okay until the mechanical event occurred, meaning applying and releasing clutch packs.

When it appears to be a clutch pack wear issue, there is a possible temporary work around that might work. If you know, for example, it goes into limp mode during the 2 - 3 upshift, accelerate harder than normal to cause that shift to occur at a higher road speed, then let off the accelerator pedal while that up-shift occurs. That will lower the torque on that clutch pack and give it a little extra time to lock up, then you can resume accelerating. The clutch packs don't go from fully locking one day to 100 percent slippage the next day. Rather, the slipping during shifts is constantly getting worse and worse over thousands of miles. It has just reached the point at which the computer says it's too much today. All you have to do is reduce that slippage by just enough so the computer says everything is okay. I've known a couple of people who nursed their cars over two years like that.

As for programming, there is a procedure with some scanners called, "quick learn" that can be done right in the service bay. The scanner forces the Transmission Computer to engage the four clutch packs, front, rear, underdrive, and overdrive, one at a time, so it can update the CVI numbers. Once shifted into "drive" and you press the button, the procedure is over in less than two seconds. Most of the time someone else is using the scanner, so rather than wait our turn, we were told to just go out and drive the vehicle for a mile or two before returning it to the owner. Or the service advisors explained this to the owners anytime their battery had been disconnected for other service.

Beyond that, there was a service bulletin that covered about ten very minor drivability complaints. The fix was to install updated software. For my '93 Dynasty, it had a Transmission Computer that was of an older design with its software burned in and could not be changed. Chrysler gave me a replacement under warranty that could have the software "flashed" or updated, but it didn't change anything. The way to tell which computer that was, was the newer design had a large aluminum heat sink on one end with cooling fins. Regardless which design you have, they all still constantly update their learned values as you drive.

The concern with my Dynasty was it down-shifted from second to first too late, just as the car was coming to a stop. That was called "bump shift", and was just barely noticeable. Today that car has less than 5,000 miles. When I put a battery in it this summer, it too will revert to the factory preprogrammed CVI values just like your new computer will do. The point is, just because this is a different computer in your vehicle, it's going to act exactly the same way as your old one would after a battery cable was disconnected.

There is one thing for programming that does not get erased or relearned. That has to do with the final drive ratio, (think rear differential gear ratio), and tire size. If optional gear ratios were offered, that can be changed with the scanner. Tire size can be selected from a drop-down menu. As I recall, there was also a custom setting for over-size tires, but I never got involved with that. The best way to tell if those values need to be entered / changed, is to compare your speedometer to another vehicle you're following or one of those road-side radar signs. If you need to make a change, considering the cost of having a mechanic do it, you might be better off buying a used scanner. This might be one time when only the dealer's scanner will do that function. I have a Chrysler DRB3 for all of my vehicles that works with the older models with an extra plug-in card. I can elaborate on that, but consider looking on eBay for a "DRB2". Even those bring a few hundred dollars but you must use those with a cartridge. Also, they only work on the '83 through '95 models. At first there were multiple different cartridges for every model year. The best one is to look for a "Supercartridge" with a yellow label. The label color matched the color of the service manual covers for that year, in this case, 1994 models. The same one is used for '95 models. There were no new cartridges introduced in '95. That Supercaretidge combines the applications of all the previous dozens of older ones.

If you do find a DRB2, be aware there are two different cables for it. One connects to the L-shaped square plug under the hood, for the Engine Computer. The one you need is for the smaller blue six-pin plug under the dash. That one is used for every other computer on the vehicle. If you find a newer aftermarket scanner, many of them use just one cable, but they have different connectors, (adapters), that plug into the end of it. You would need to find the one that matches that blue connector. Those adapters individually can usually be found on eBay for as little as ten bucks or less. I'm not promoting any brand, but I do have a Monitor 4000 that was made by the same company that made the DRB2 for Chrysler. It looks and works the same but for multiple brands. Also, you need a special cartridge and cable adapter for transmissions. I got that Chrysler transmission package included for free, which is why I bought it. I also have a Snapon Solus Edge, but for as much as most people would use it, you're better off going to a mechanic for things that need a scanner. Our other experts have scanners from a number of quality companies, but I don't have any experience with them.
Was this
answer
helpful?
Yes
No
Saturday, March 18th, 2023 AT 5:20 PM

Please login or register to post a reply.