HOME
ASK A QUESTION
REPAIR GUIDES
BECOME A MEMBER
LOG IN
Login with Facebook
OR
Remember me
NOT A MEMBER?
FORGOT PASSWORD?
CONTACT US
PRIVACY POLICY
TERMS AND CONDITIONS
☰
Home
Oldsmobile
88
Engine
Computer
Limp Mode - Reduced Power
Transmission is in safe mode
MIKE BYLER
MEMBER
2003 OLDSMOBILE 88
3.8L
6 CYL
2WD
AUTOMATIC
85,000 MILES
I am looking for the fuse for it.
Tuesday, March 9th, 2021 AT 9:01 PM
1 Reply
ASEMASTER6371
MECHANIC
52,796 POSTS
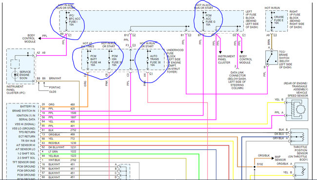
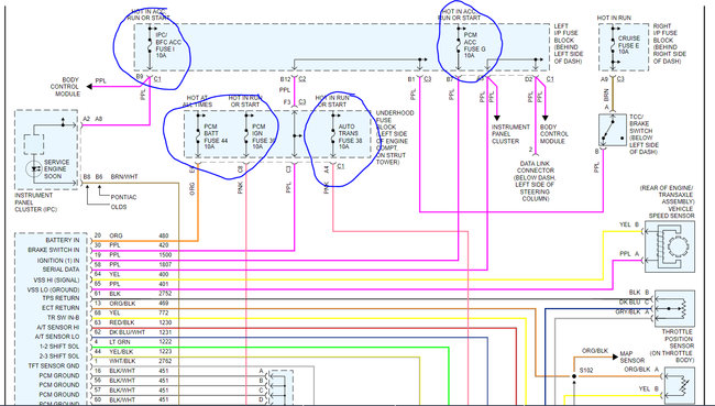
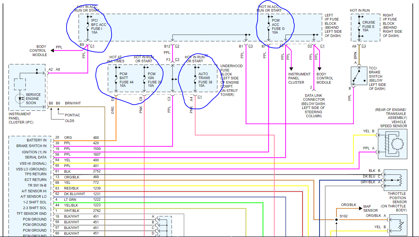
Good morning,
I attached the wiring diagram for you to review. It shows the fuses for the transmission.
https://www.2carpros.com/articles/how-to-check-wiring
https://www.2carpros.com/articles/how-to-check-a-car-fuse
Roy
Images (Click to make bigger)
Was this
answer
helpful?
Yes
No
Wednesday, March 10th, 2021 AT 3:22 AM
Please
login
or
register
to post a reply.
Related Engine Computer Limp Mode - Reduced Power Content
1994 Oldsmobile 88 Computer Replacement..
Hi, I Need To Know Where The Computer Is Located In 1994 Oldsmobile 88 Royale. Also, I Have Basic Tools And Car Knowledge, Will I Be...
Asked by
bcell
·
5 ANSWERS
1994
OLDSMOBILE 88
GUIDE
Reduced Power - Limp Mode
The computer system that controls your car has a built in safety feature called "Reduced Power" or "Limp Mode" which is designed to get the car where it is...
1995 Oldsmobile 88
I Cannot Get My 1995 Olds 88 To Scan For A Diagnostic Code. Trouble Light Comes On When Car Is Accelerated In The Mid Range, Lifgt Comes On...
Asked by
sdecgreen
·
12 ANSWERS
1995
OLDSMOBILE 88
1995 Oldsmobile 88 Obd Problem
I'm Trying To Figure Out If My 95 Olds Is Obd 1or Two. My Obd Port Is The Same As Obd 2 But I Hook Up 3 Different Obd Scan Tools And All...
Asked by
eager1
·
1 ANSWER
1995
OLDSMOBILE 88
Did Gm Put Rpm Limiter In Ecm To Prevent Too Much...
95 Olds 88 Royale Has Surging Problems While Driving With Diminished Response To Throttle. I Asked Similar Question Just Recently But Now...
Asked by
herb1948
·
4 ANSWERS
1995
OLDSMOBILE 88
How Do I Replace Ecm And Does Car Have To Get...
How Do I Replace Ecm And Does Car Have To Get Reprogrammed At The Dealer Or Can I Go Through A Relern Process
Asked by
RayMay01
·
3 ANSWERS
1998
OLDSMOBILE 88
VIEW MORE
Ask a Car Question. It's Free!
Change Oil and Filter Toyota Prius V
Change Engine Oil and Filter Toyota Tacoma
Engine Oil Change and Filter Ford Bronco