Heard a pop and the transmission stopped completely

Tiny
JERRYMASSEY1
  • MEMBER
  • 2001 CHEVROLET VENTURE
  • 3.7L
  • 6 CYL
  • 2WD
  • AUTOMATIC
  • 170,000 MILES
No forward, no reverse, and when it is in park you can still push the vehicle by hand, so park does not work either. I had the transmission worked on and supposedly rebuilt about a year ago and it has not been driven hardly any since. It seems a strange thing that even in park it will still roll.
Monday, January 20th, 2020 AT 9:16 AM

3 Replies

Tiny
ASEMASTER6371
  • MECHANIC
  • 52,796 POSTS
Good afternoon,

This sounds like you have a failed axle shaft going from the transmission to the wheels.

https://www.2carpros.com/articles/symptoms-of-a-bad-cv-axle-joint

https://www.2carpros.com/articles/replace-cv-axle

I would look at these axles for damage. The outer CV joint is the most common failure in the axles. If we are right, and it sounds like we are, I would replace both sides.

Roy

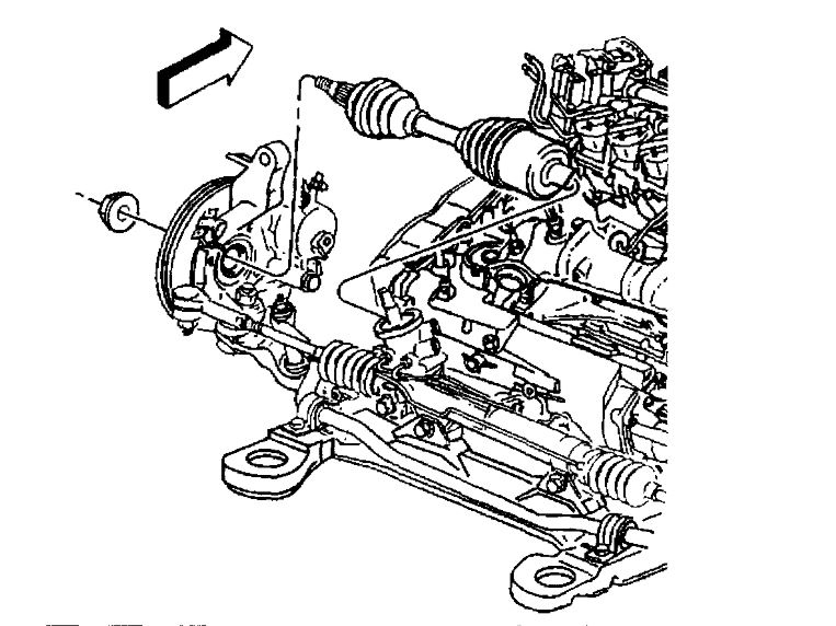
Front Wheel Drive Shaft Replacement

Tools Required
J 2619-01 Slide Hammer
J 29794 Extension
J 33008-A Wheel Drive Shaft Remover
J 42129 Hub Spindle Remover

Removal Procedure
1. Raise and support the vehicle. Refer to Vehicle Lifting.
2. Remove the tire and wheel assembly.
3. Remove the engine splash shield.

imageOpen In New TabZoom/Print

4. Insert a drift or punch (1) through the brake caliper and into the brake rotor in order to prevent the wheel hub and bearing from turning.
5. Remove the wheel drive shaft spindle nut (2).
6. Remove the stabilizer shaft link.
7. Disconnect the outer tie rod end from the steering knuckle. Do NOT loosen the tie rod end jam nut.

Important: Be sure that the wheel speed sensor wiring harness is repositioned away from the ball joint after disconnecting the electrical connector from the sensor.

8. Disconnect the electrical connector from the wheel speed sensor and reposition the wiring harness away from the ball joint.
9. Disconnect the lower ball joint from the steering knuckle.
10. Install the J 42129 onto the wheel hub and secure with wheel nuts.

Important: Be sure to support the wheel drive shaft until it is fully removed from the vehicle.

11. Using the J 42129, disengage the wheel drive shaft from the wheel hub and bearing and support the wheel drive shaft.
12. Assemble the J 33008-A, the J 29794, and the J 2619-01.
13. Using the J 33008-A, the J 29794, and the J2619-01, disengage the wheel drive shaft from the transaxle.

imageOpen In New TabZoom/Print

14. Remove the wheel drive shaft from the vehicle.

Installation Procedure

imageOpen In New TabZoom/Print

1. Install the wheel drive shaft to the transaxle.
2. Verify that the wheel drive shaft is properly engaged to the transaxle by grasping the inner tripot housing and pulling outward. Do not pull on the wheel drive shaft bar. The wheel drive shaft will remain firmly in place when properly engaged.

imageOpen In New TabZoom/Print

3. Install the wheel drive shaft to the hub and bearing (2).
4. Connect the ball joint to the steering knuckle.
5. Connect the wheel speed sensor electrical connector.
6. Install the stabilizer shaft link. Refer Stabilizer Shaft Link Replacement to in Front Suspension.
Was this
answer
helpful?
Yes
No
+1
Monday, January 20th, 2020 AT 9:52 AM
Tiny
JERRYMASSEY1
  • MEMBER
  • 2 POSTS
I just replaced both CV axles last week, so I must have done something wrong? I will pull them to check right? Thank you I hope that is what it is and not the transmission that would not be really good.
Was this
answer
helpful?
Yes
No
Monday, January 20th, 2020 AT 10:17 AM
Tiny
ASEMASTER6371
  • MECHANIC
  • 52,796 POSTS
The fact it has no park tells me it is an axle.

Look at the axles. The inner joint that goes into the transmission is common for popping out. Check the first.

Did you have a hard time getting the inner joints into the transmission?

Roy
Was this
answer
helpful?
Yes
No
+1
Monday, January 20th, 2020 AT 10:30 AM

Please login or register to post a reply.