Transfer case is not working

Tiny
CODY1219
  • MEMBER
  • 1998 FORD RANGER
  • 4.0L
  • V6
  • 4WD
  • AUTOMATIC
  • 150,169 MILES
I replace PVH with manual ones. I've replaced shift motor and In dash switch. I'll I get is a clicking sound from dash then 4hi and lo lights flash 6 times every couple minutes. So I have no 4wd.
Sunday, December 1st, 2019 AT 3:56 PM

1 Reply

Tiny
KASEKENNY
  • MECHANIC
  • 18,907 POSTS
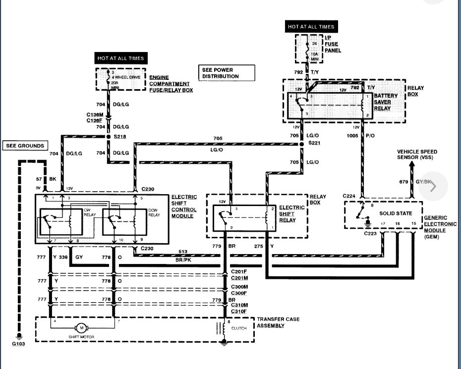
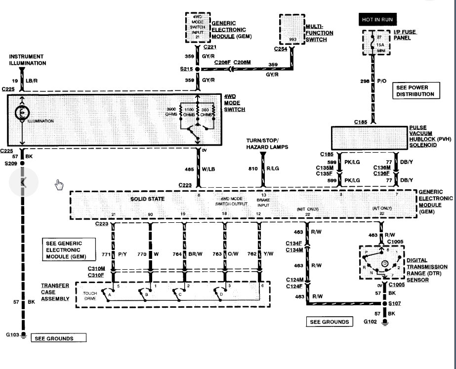
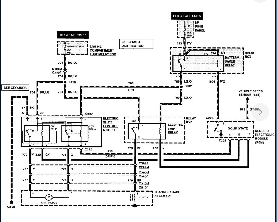
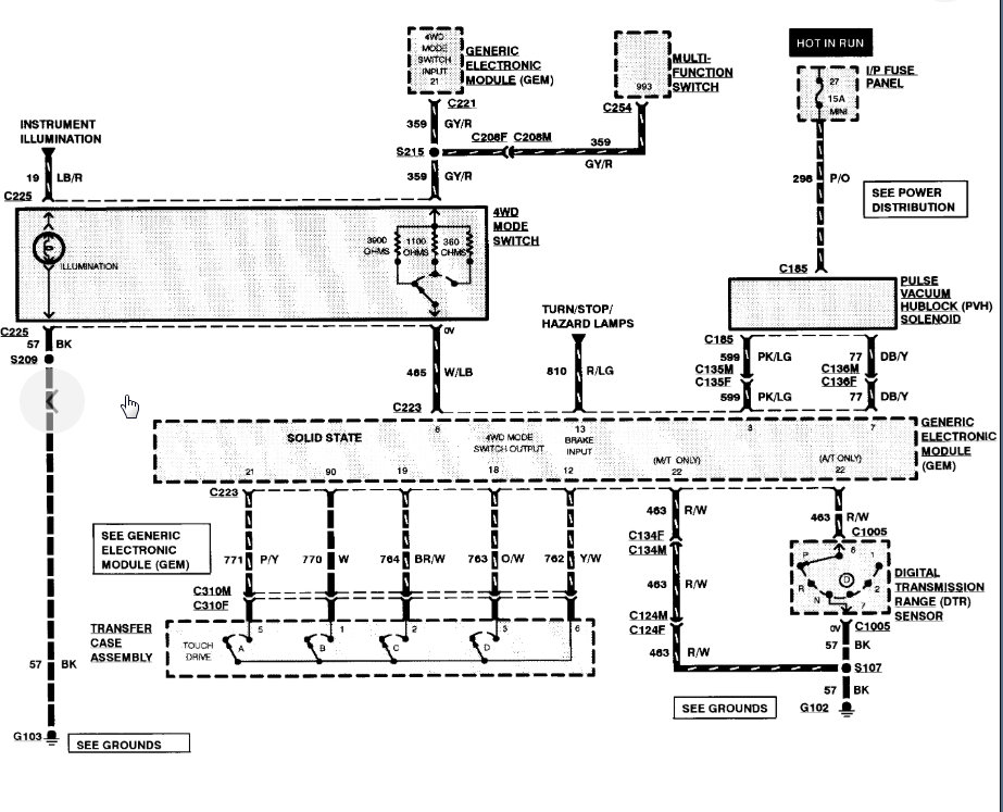
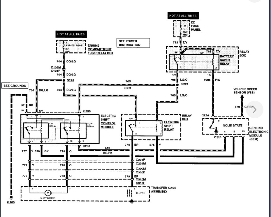
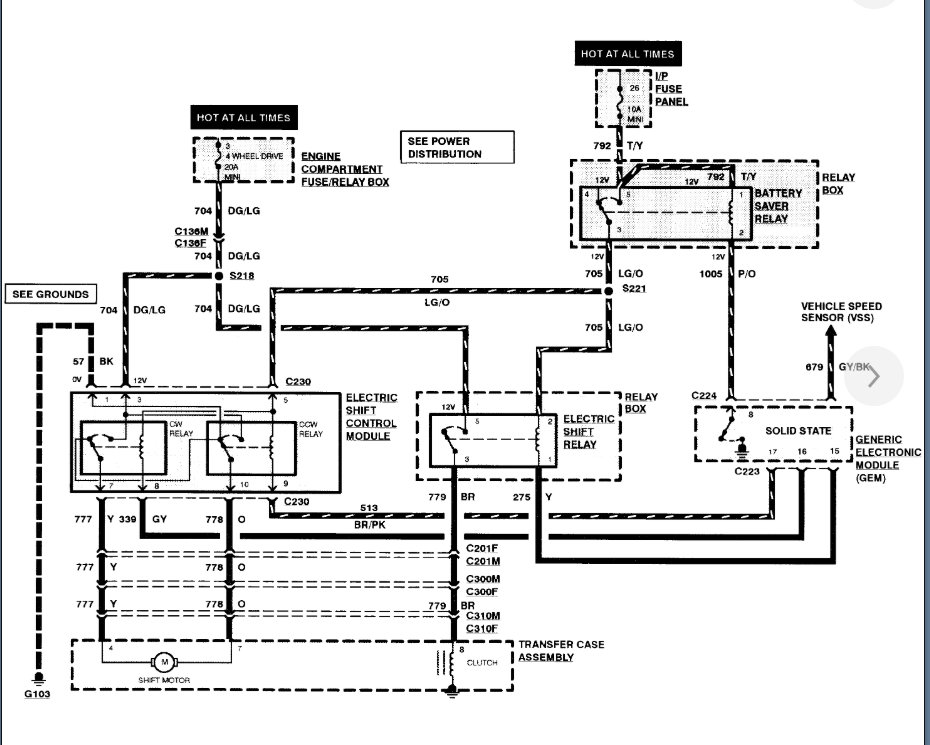
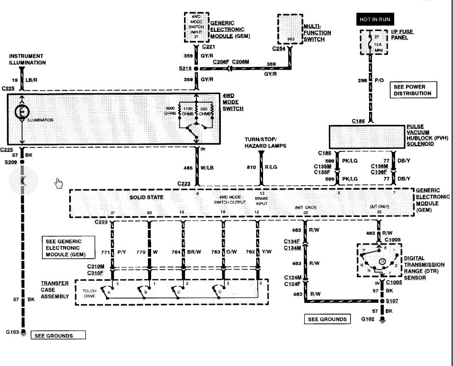
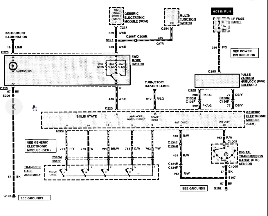
The light flashing is telling you that the shift motor has not engaged 4HI. The GEM senses that this has occurred and when it doesn't the light flashes. This means either the shift motor has failed and can no longer make the shift. Or the wiring is the issue and the motor doesn't get the voltage necessary to make the shift. Make sure you check the wiring and the ground. It is very common for the ground to become brittle and brake and this will cause the light to flash like you are seeing.

Due to what you have replaced already I am sure you have a wiring issue most likely at the shift motor connector on the back of the transfer case because this is open to the elements which is bad for wiring over time.
Was this
answer
helpful?
Yes
No
Monday, December 2nd, 2019 AT 5:09 PM

Please login or register to post a reply.