Thursday, April 10th, 2025 AT 4:57 AM
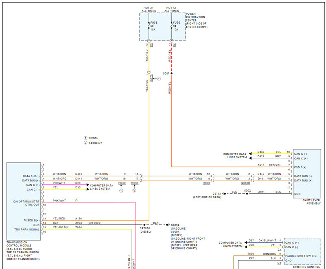
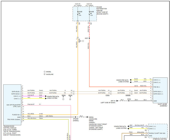
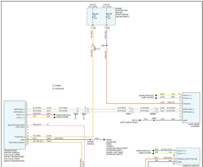
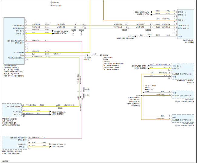
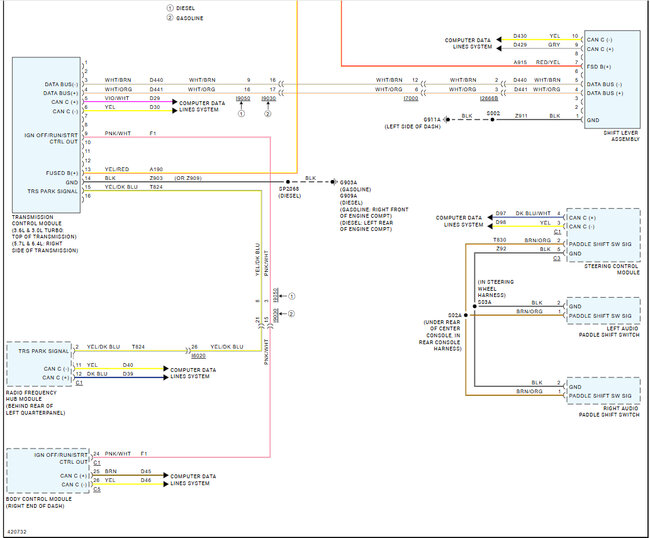
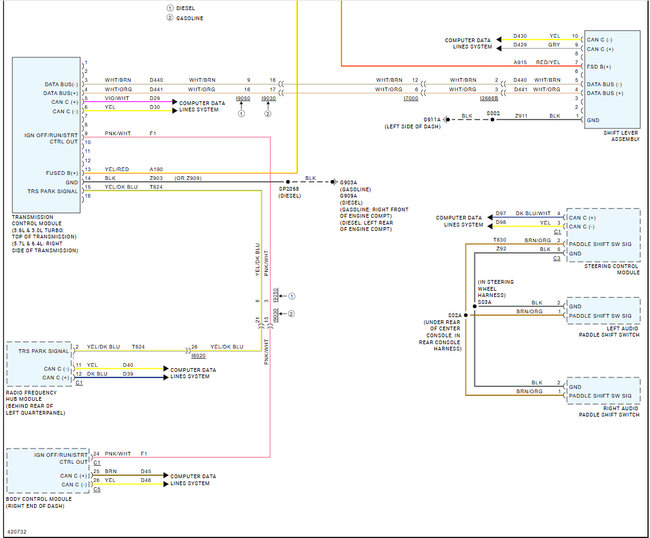
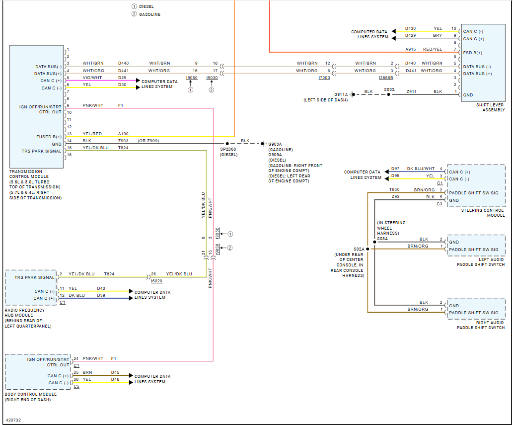
My 2014 Grand Cherokee Summit hasn't started for two weeks, and when I press the start button, the dashboard won't turn off. I think the transmission is disconnected or has an open circuit. Does anyone have a wiring diagram? It displays messages such as: (Vehicle Not in Park) (Until You Reach a Desired Location You May Not Be Able to Shift Again Until Serviced.) (Service Transmission Continue in D. Do Not Shift or Turn Engine Off)
















