TPS voltage?

Tiny
87RANGER
  • MEMBER
  • 1987 FORD RANGER
  • 2.9L
  • V6
  • 4WD
  • MANUAL
  • 200,000 MILES
My truck started shutting off and wouldn't start. I found that my TPS voltage is what it should be until half throttle. At half throttle the multimeter reads OL. I've tried 2 separate TPS with the same result. What causes this?
Tuesday, January 28th, 2025 AT 7:20 AM

56 Replies

Tiny
AL514
  • MECHANIC
  • 5,584 POSTS
Hello, what voltage reading are you getting up to the OL reading? The TPS should have a 5volt reference wire, ground and signal. So, when opening the throttle plate the voltage reading should be either roughly around 0-5volts or the opposite, 5-0volts. I would check that there is a full 5volts on one of the wires with the key On. It is possible another sensor that uses the same 5volt reference is partially shorted to ground, causing this issue.
Was this
answer
helpful?
Yes
No
Tuesday, January 28th, 2025 AT 10:03 AM
Tiny
87RANGER
  • MEMBER
  • 25 POSTS
With the key on the voltage is.8 and as I engage the throttle it goes up to 1.9 then reads ol. That's at approximately half throttle. While driving, with my foot on the accelerator there's a loss of power then it stalls and won't start again.
Was this
answer
helpful?
Yes
No
Tuesday, January 28th, 2025 AT 10:11 AM
Tiny
AL514
  • MECHANIC
  • 5,584 POSTS
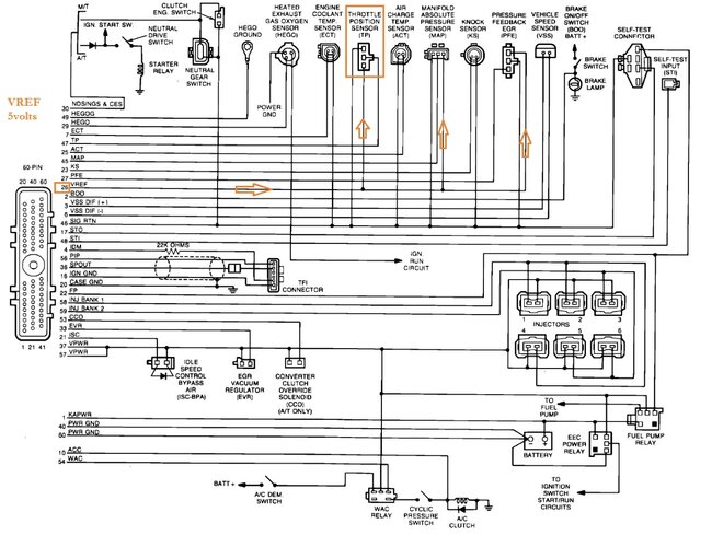
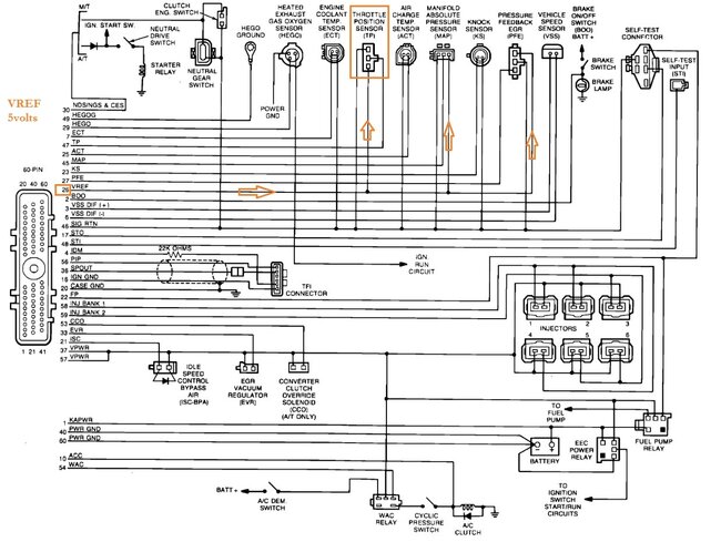
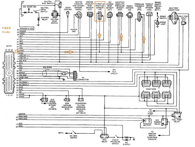
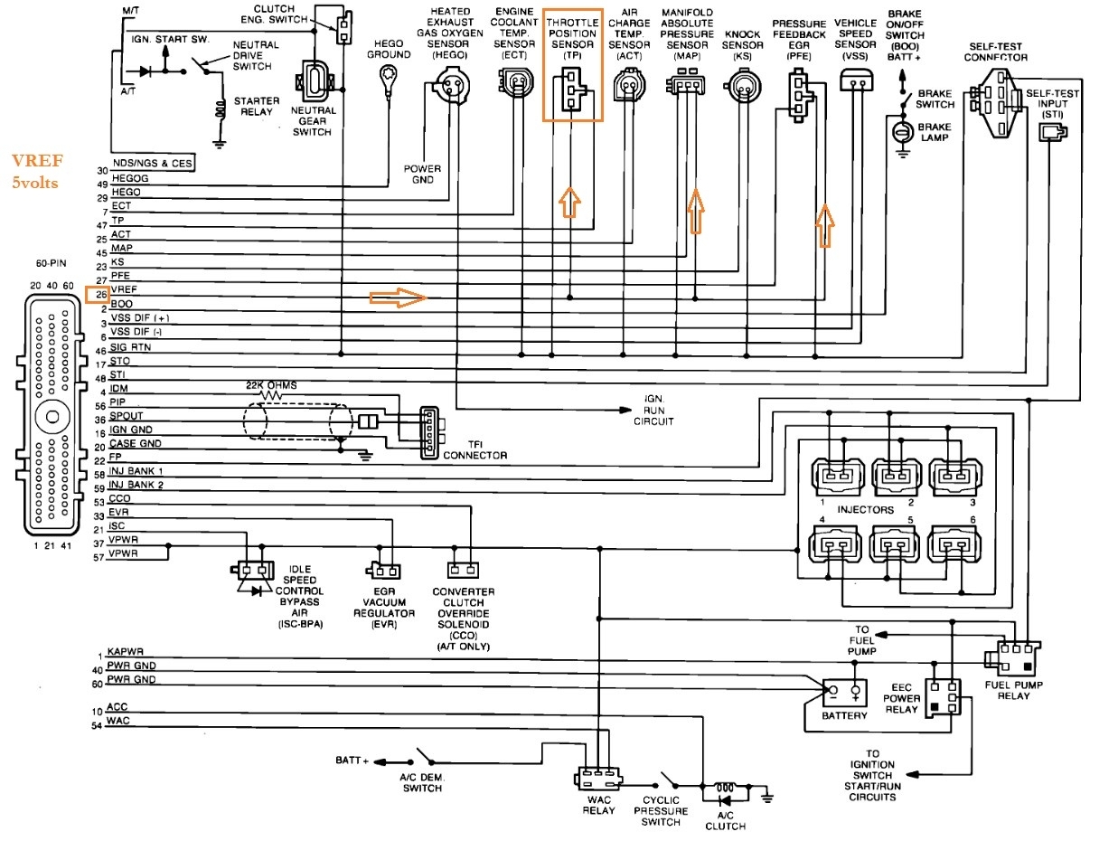
Here is the wiring diagram for the engine wiring harness and the TPS min and max voltage readings. If you are reading almost 5 volts at half throttle it's possible one of the wires is shorted to a 12volt power supply causing a high voltage reading. Where are you getting the new sensors from?
Was this
answer
helpful?
Yes
No
Tuesday, January 28th, 2025 AT 10:14 AM
Tiny
87RANGER
  • MEMBER
  • 25 POSTS
Thanks for the diagram. The first sensor was on the truck when I bought it and the second came from rock auto.
Was this
answer
helpful?
Yes
No
Tuesday, January 28th, 2025 AT 10:15 AM
Tiny
AL514
  • MECHANIC
  • 5,584 POSTS
Thats a very strange issue, with the sensor disconnected and key on do you read 5 volts okay on your meter on one of the wires?
Was this
answer
helpful?
Yes
No
Tuesday, January 28th, 2025 AT 10:15 AM
Tiny
AL514
  • MECHANIC
  • 5,584 POSTS
You are sure your meter is set on at least a 20-volt scale? It's very odd for it to read Out of Limits.
Was this
answer
helpful?
Yes
No
+1
Tuesday, January 28th, 2025 AT 10:17 AM
Tiny
AL514
  • MECHANIC
  • 5,584 POSTS
You may want to check the MAP sensor's reference voltage too, just to compare.
Was this
answer
helpful?
Yes
No
+1
Tuesday, January 28th, 2025 AT 10:18 AM
Tiny
AL514
  • MECHANIC
  • 5,584 POSTS
I'd be very interested in hearing what the issue is on this case, the only time I have seen a meter read OL for voltage is when its set to a lower scale.
Was this
answer
helpful?
Yes
No
+1
Tuesday, January 28th, 2025 AT 10:20 AM
Tiny
87RANGER
  • MEMBER
  • 25 POSTS
Okay. So, I'm dumb. It was at 2 not 20. My issue must be something else. I have sudden loss of power and the truck stalls and won't restart. I had vacuum leaks, but they were fixed. It was running rich and getting bad mpg now it won't stay running. This morning it was warming up and once it was warm it stalled. I was able to get it started then it immediately lost power and stalled. It idles high and then the RPMs drop, and it stalls.
Was this
answer
helpful?
Yes
No
Tuesday, January 28th, 2025 AT 10:26 AM
Tiny
AL514
  • MECHANIC
  • 5,584 POSTS
This only happens when it gets hot? And does it restart right away, or do you have to wait for it to cool down?
Was this
answer
helpful?
Yes
No
Tuesday, January 28th, 2025 AT 10:32 AM
Tiny
87RANGER
  • MEMBER
  • 25 POSTS
It's seems to run okay until it warms up, but I can't say for sure. It's been super cold, and I've been warming it up before I drive it. I've tried cranking it, but it won't get high enough idle to stay running. Then it'll start and idle momentarily. Then it wants to shut off again. It has all new injectors, some sensors, new battery, timing is 10 etc. Seems to run rich but since yesterday it's really struggling.
Was this
answer
helpful?
Yes
No
Tuesday, January 28th, 2025 AT 10:39 AM
Tiny
AL514
  • MECHANIC
  • 5,584 POSTS
Rich running as smoke out the tail pipe?
So, you can't keep your foot on the pedal to keep it running, it still stalls out?
Was this
answer
helpful?
Yes
No
Tuesday, January 28th, 2025 AT 10:44 AM
Tiny
87RANGER
  • MEMBER
  • 25 POSTS
I can feather it and keep it running momentarily. If I push the clutch and take the load off it shuts off. It's that eye watering exhaust smoke. Not burning oil or anything.
Was this
answer
helpful?
Yes
No
Tuesday, January 28th, 2025 AT 10:46 AM
Tiny
AL514
  • MECHANIC
  • 5,584 POSTS
So you may have injectors leaking, or possibly a sensor not reading correctly and the PCM is over fueling. I would see what the front Oxygen sensor voltage is reading, with a multimeter you will only get the fastest average voltage the meter can read, but if you see the voltage stuck low (the front 02 should read a fluctuating 0.2-0.8volts), if its stuck below 0.4v the PCM will enrich the mixture constantly due to a false 02 reading, basically the PCM will think the mixture is lean and keep adding fuel to compensate for that issue. A bad coolant temperature sensor can do the same thing, if it's reading a cold engine constantly the PCM will keep the mixture rich, but I assume you are seeing a normal temperature reading on the cluster since you see it reach operating temperature.
Was this
answer
helpful?
Yes
No
+1
Tuesday, January 28th, 2025 AT 10:57 AM
Tiny
AL514
  • MECHANIC
  • 5,584 POSTS
This would be something to observe on the live engine data of a scan tool, also check the fuel pressure regulator, there's a vacuum hose that goes to it from the intake manifold, check that no fuel comes out with the vacuum hose disconnected, if the regulator is bad it will pull fuel into the intake manifold through the regulator and the mixture will be extremely rich.
Was this
answer
helpful?
Yes
No
+1
Tuesday, January 28th, 2025 AT 11:10 AM
Tiny
AL514
  • MECHANIC
  • 5,584 POSTS
This is what you would see a normal oxygen sensor doing if you could observe the voltage fluctuation in real time. The first half is normal, and the second half is a slow responding sensor. But with a meter the signal is too fast so it will read the average as best it can. Here's a couple guides as well that may help. If the oxygen sensor were stuck at a low voltage due to the heater element inside the sensor not working or the sensor is just bad, the PCM would react by enriching the mixture.
But weak spark, low compression, or excessive fuel getting into the intake by some other means will cause fouled spark plugs with a lot of soot on them showing as a rich mixture as well.

https://www.2carpros.com/articles/how-to-test-an-oxygen-sensor-02-sensor

https://www.2carpros.com/articles/why-an-automotive-engine-will-run-rich
Was this
answer
helpful?
Yes
No
+1
Tuesday, January 28th, 2025 AT 11:30 AM
Tiny
87RANGER
  • MEMBER
  • 25 POSTS
When I got the truck, the timing was set at TDC, and it had clogged injectors from a rusty gas tank. Before replacing the injectors, I changed the plugs wires, o2 sensor and distributor cap. I just finished chasing down vacuum and exhaust leaks. I drove about 2 days with it before my current issue.
Was this
answer
helpful?
Yes
No
Tuesday, January 28th, 2025 AT 11:45 AM
Tiny
AL514
  • MECHANIC
  • 5,584 POSTS
Where did the injectors come from?
Was this
answer
helpful?
Yes
No
Tuesday, January 28th, 2025 AT 11:49 AM
Tiny
87RANGER
  • MEMBER
  • 25 POSTS
They were installed by the shop doing my inspection. I'm not sure.
Was this
answer
helpful?
Yes
No
Tuesday, January 28th, 2025 AT 11:50 AM
Tiny
AL514
  • MECHANIC
  • 5,584 POSTS
Are the spark plugs soaked in gas? And if the gas tank wasn't changed, I would be worried about possible rust making its way to the fuel injectors, after checking the condition of the plugs, you may want to get a fuel pressure gauge on the fuel rail or line going to it and see if fuel pressure is leaking down when the key is turned off, if the shop just rushed through the job and replaced the pump without really inspecting what else may have been in the tank. I can see debris migrating from the tank to the fuel rail over a 2-day period. If you're getting exhaust that is really that bad. Technically speaking, after all those repairs you should have good spark, good fuel control, and not the rich exhaust you're experiencing. I would bring it back to them, because really it's a come back for them.
Was this
answer
helpful?
Yes
No
+1
Tuesday, January 28th, 2025 AT 1:50 PM

Please login or register to post a reply.