I must check the fuses

Tiny
TYRELLE CHEEVES
  • MEMBER
  • 2008 GMC YUKON
  • 1.3L
  • V8
  • FWD
  • AUTOMATIC
  • 103,000 MILES
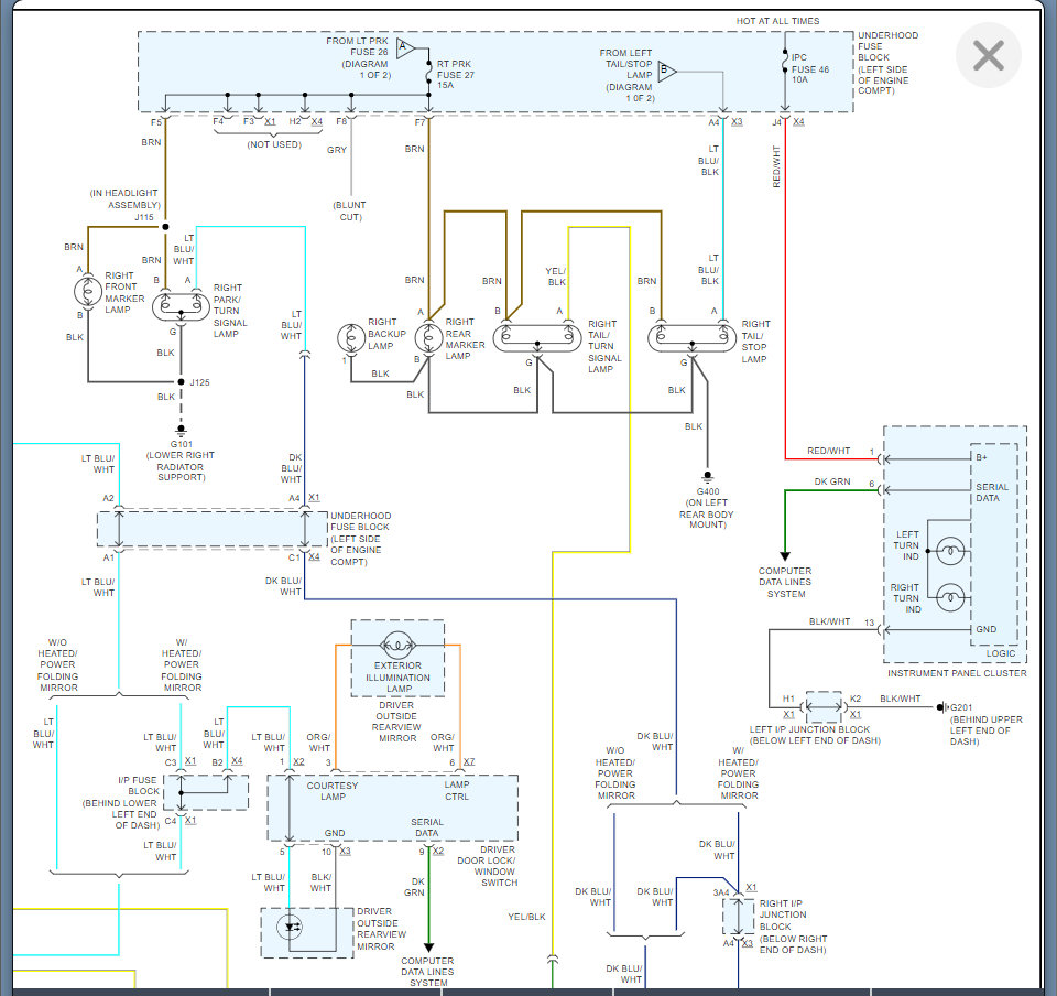
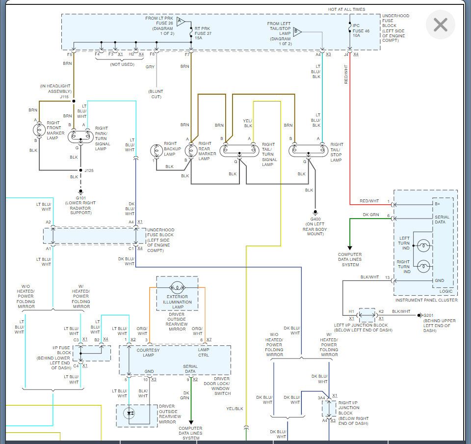
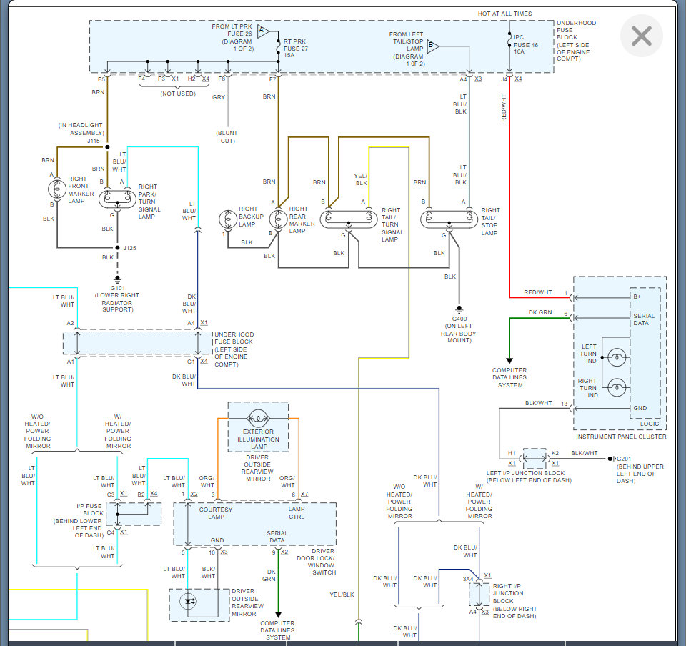
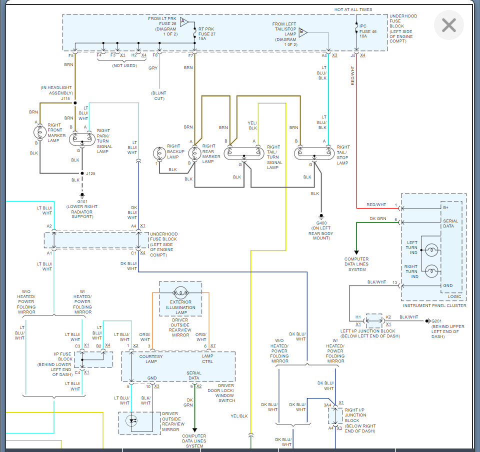
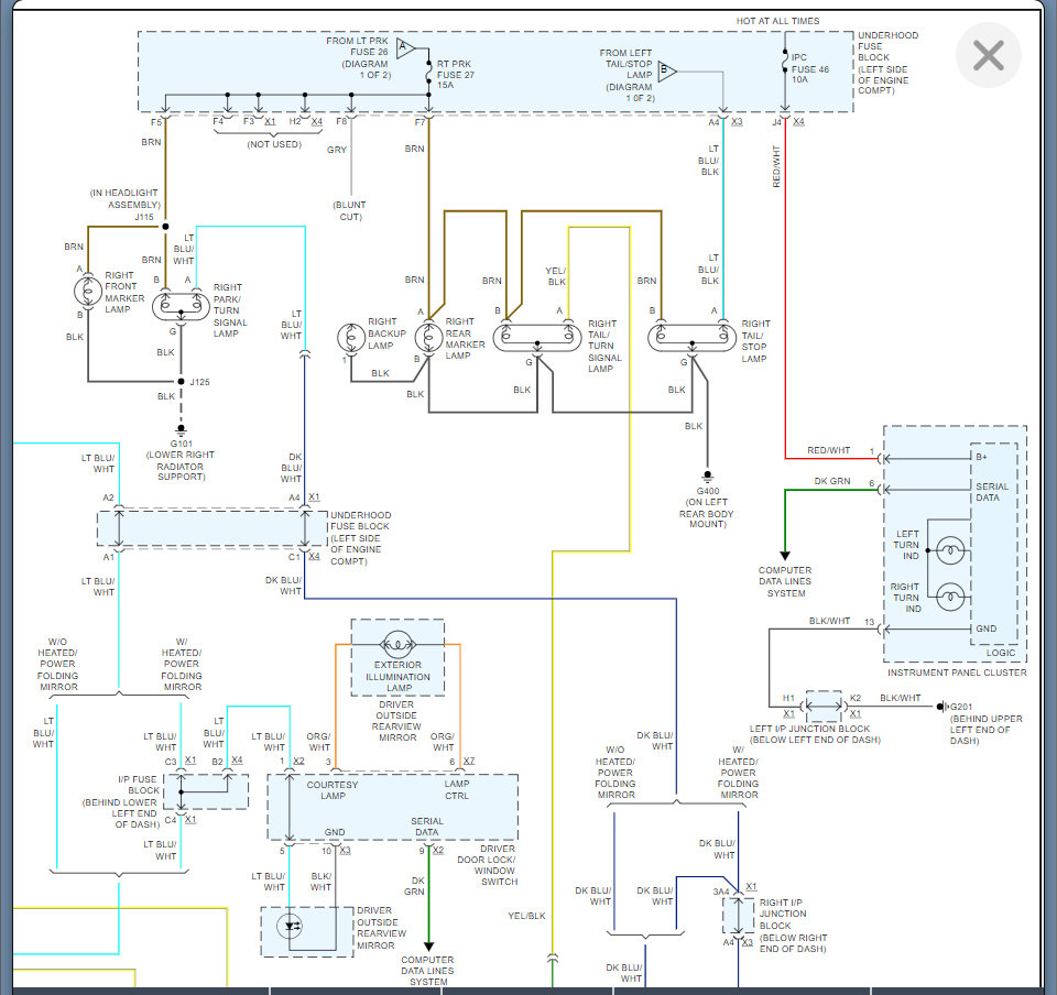
In addition, I have no brake lamps, both bulbs have been changed and still not working. I need to check the fuses.
Thursday, June 2nd, 2016 AT 12:44 PM

1 Reply

Tiny
KASEKENNY
  • MECHANIC
  • 18,907 POSTS
If you have no brake lights at all, then this could be a brake lamp switch as well, so that is something we need to check.

However, here are a couple guides that will help with testing and replacing fuses:

https://www.2carpros.com/articles/how-to-check-a-car-fuse

https://www.2carpros.com/articles/how-a-car-fuse-works

Below you will find the info about the fuses from the manual and the wiring diagram for the brake lights that will help as well.

Please run through this info and we can go from there. Thanks
Was this
answer
helpful?
Yes
No
Friday, July 2nd, 2021 AT 7:00 AM

Please login or register to post a reply.