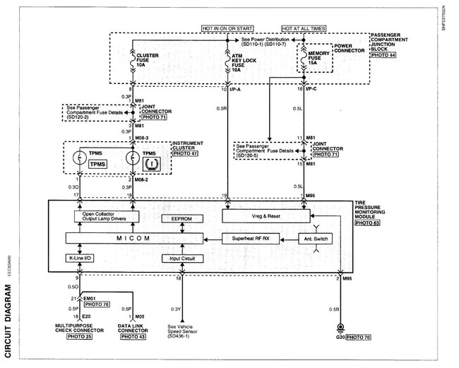
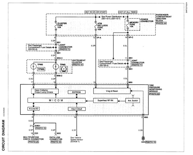
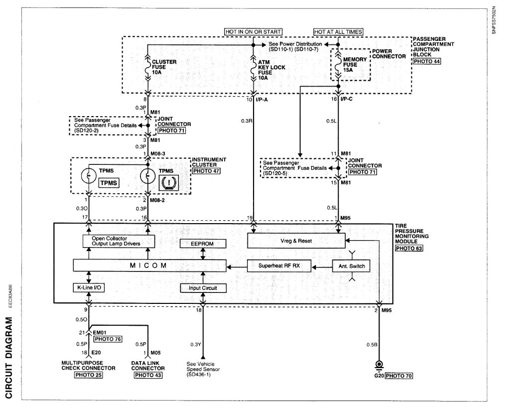
My tire pressure sensors are not communicating with the TPMS module.
Sensors are sending signals.
Should I replace the TPMS module?
I can't find the location of the module.
if there is a reset button. Where?
Diagrams would be helpful.
thanks,
Robert
Tuesday, October 1st, 2024 AT 9:30 AM









