Crankshaft position sensor location

Tiny
DENNY12
  • MEMBER
  • 1991 TOYOTA TERCEL
  • 4 CYL
  • 2WD
  • AUTOMATIC
  • 140,000 MILES
Car turns over but will not start. I would like to know location of the crankshaft sensor.
Monday, August 9th, 2010 AT 12:00 PM

4 Replies

Tiny
BLUELIGHTNIN6
  • MECHANIC
  • 16,542 POSTS
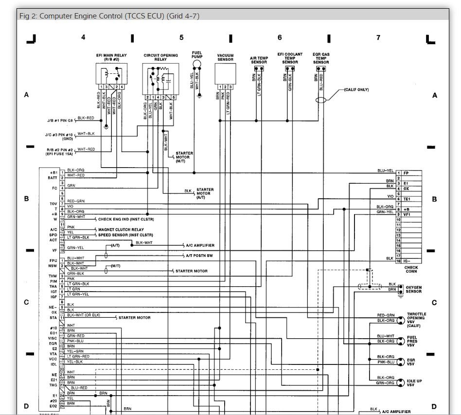
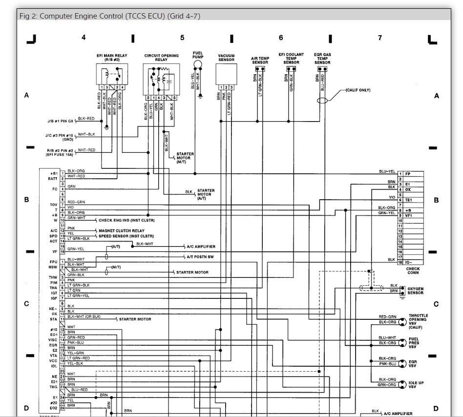
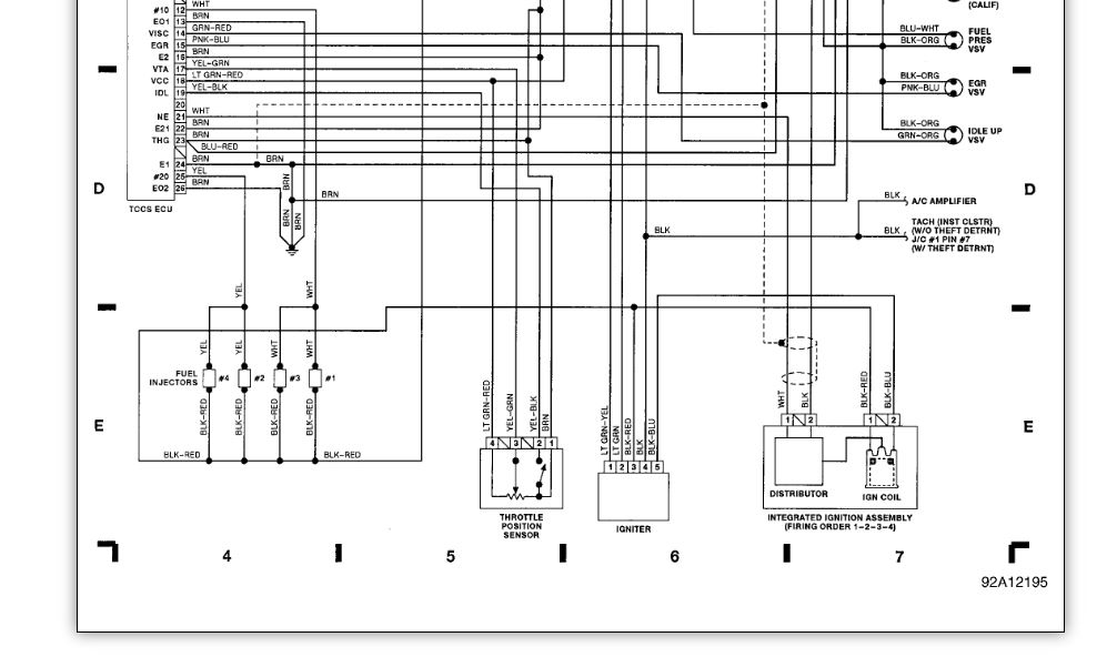
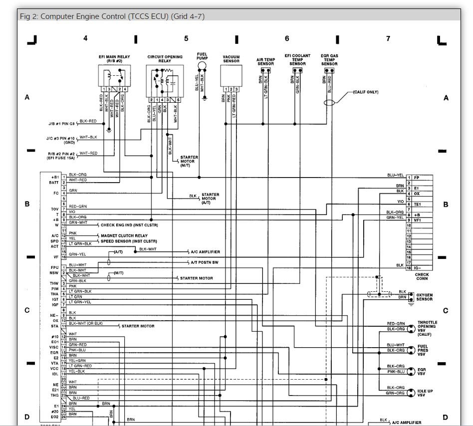
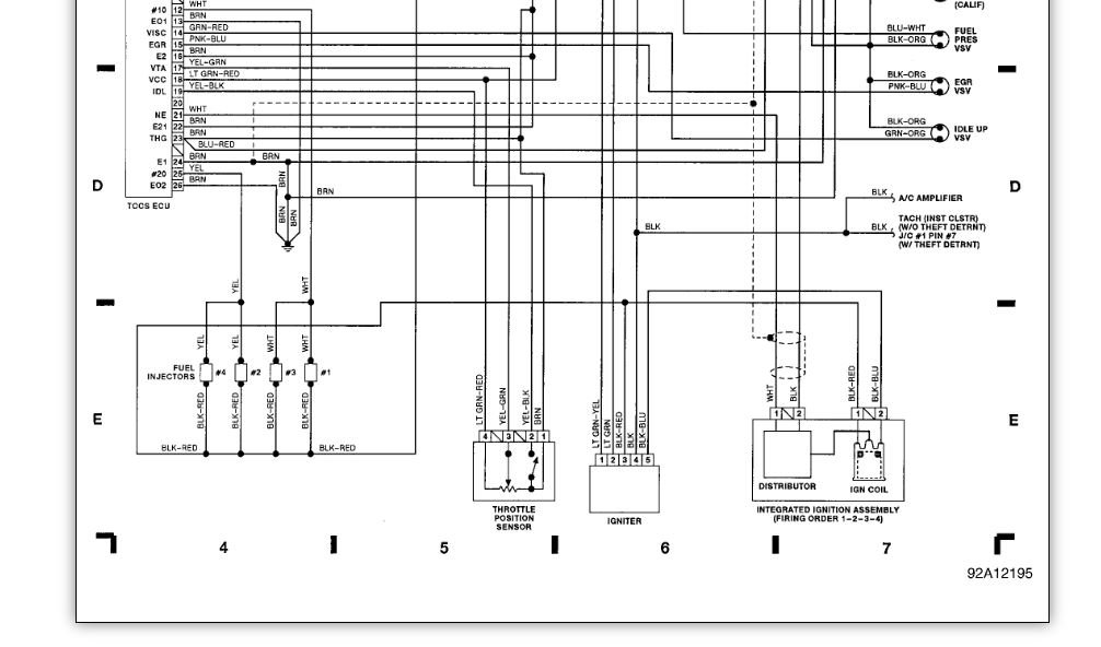
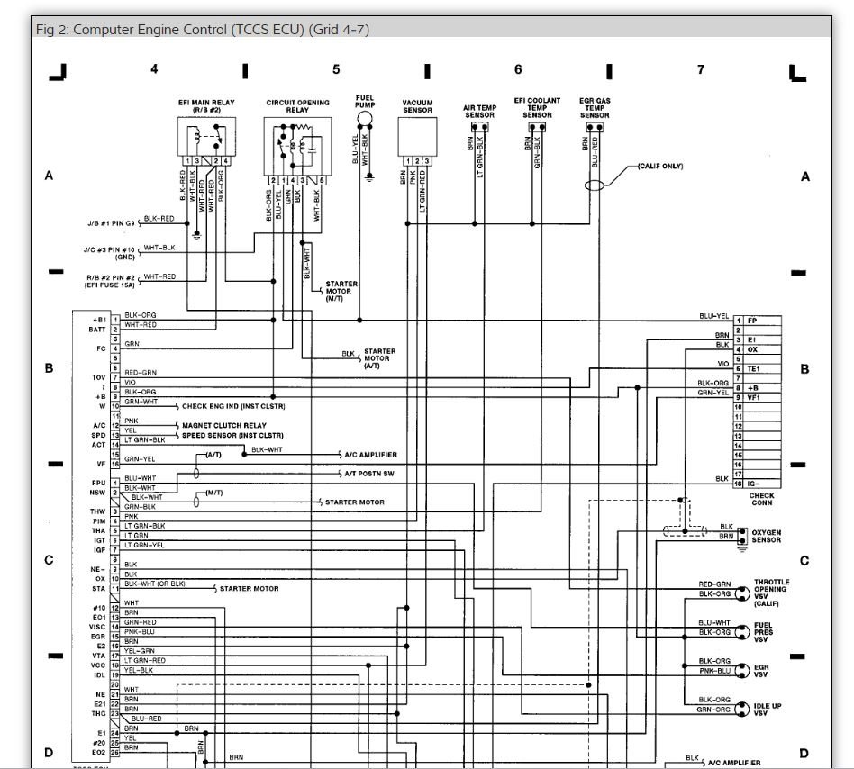
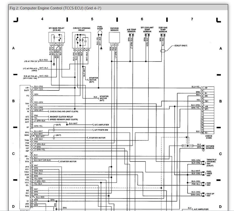
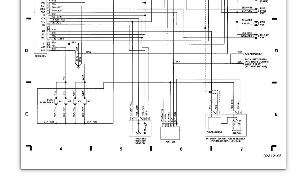
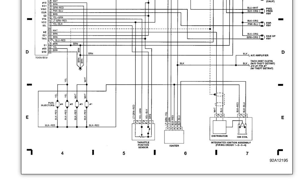
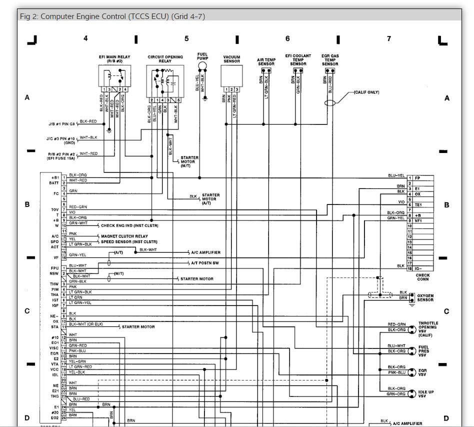
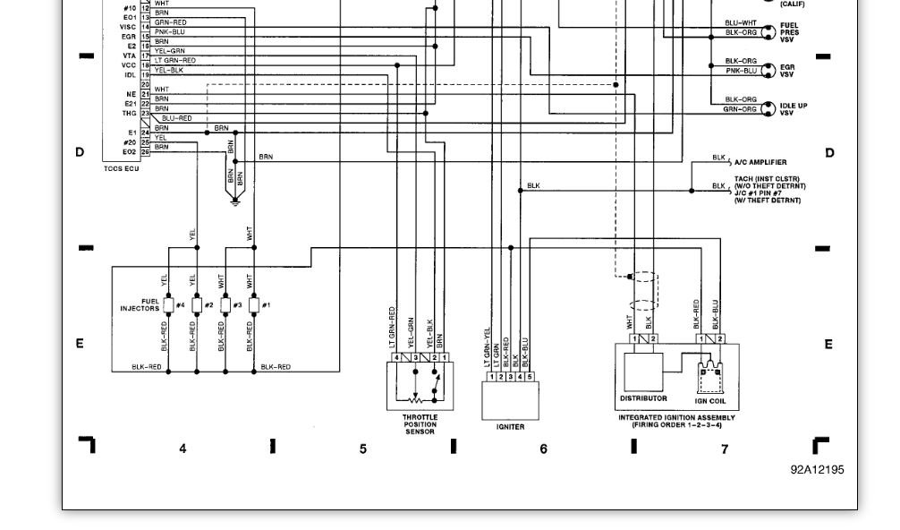
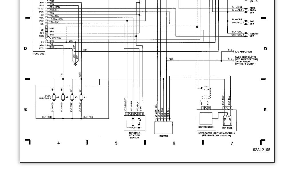
In 1991 Tercel's did not have actual crankshaft position sensors. Engine speed is sensed via pick-up coils in the distributor. This information is sent to the ECU and used to determine crankshaft position and engine rpm. Crankshaft position is input through terminal G and engine rpm is input through terminal NE of the ECU.
Check the guide below on how to test wiring as well as the guide on how to use a volt meter. Also attached is the wiring diagram for the ignition system to help you figure it out.
Let us know what you find.

https://www.2carpros.com/articles/how-to-check-wiring

https://www.2carpros.com/articles/how-to-use-a-voltmeter
Was this
answer
helpful?
Yes
No
+1
Monday, August 9th, 2010 AT 3:58 PM
Tiny
DENNY12
  • MEMBER
  • 8 POSTS
  • 1991 TOYOTA TERCEL
  • 4 CYL
  • 2WD
  • AUTOMATIC
  • 146,000 MILES
Need location of crankshaft position sensor.
Was this
answer
helpful?
Yes
No
+4
Wednesday, September 12th, 2018 AT 6:28 PM (Merged)
Tiny
RASMATAZ
  • MECHANIC
  • 75,992 POSTS
It does not come with one. What no spark?
Was this
answer
helpful?
Yes
No
+1
Wednesday, September 12th, 2018 AT 6:28 PM (Merged)
Tiny
BMRFIXIT
  • MECHANIC
  • 19,053 POSTS
To my knowledge Toyota did not use a crank sensor in 1991 Tercel.
Was this
answer
helpful?
Yes
No
+1
Wednesday, September 12th, 2018 AT 6:28 PM (Merged)

Please login or register to post a reply.