Wednesday, May 26th, 2010 AT 7:55 AM
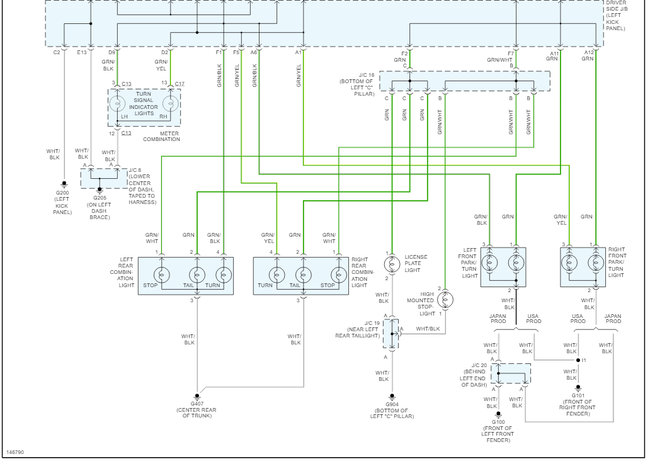
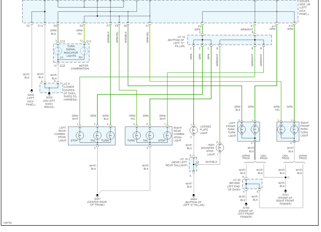
All three rear lights were out.I checked all fuses are ok. I than found third light bulb burnt.I replaced bulb and it is working but both brake lights still out. All wiring seems to be ok. Whats the problem?



