Tuesday, August 31st, 2010 AT 1:57 PM
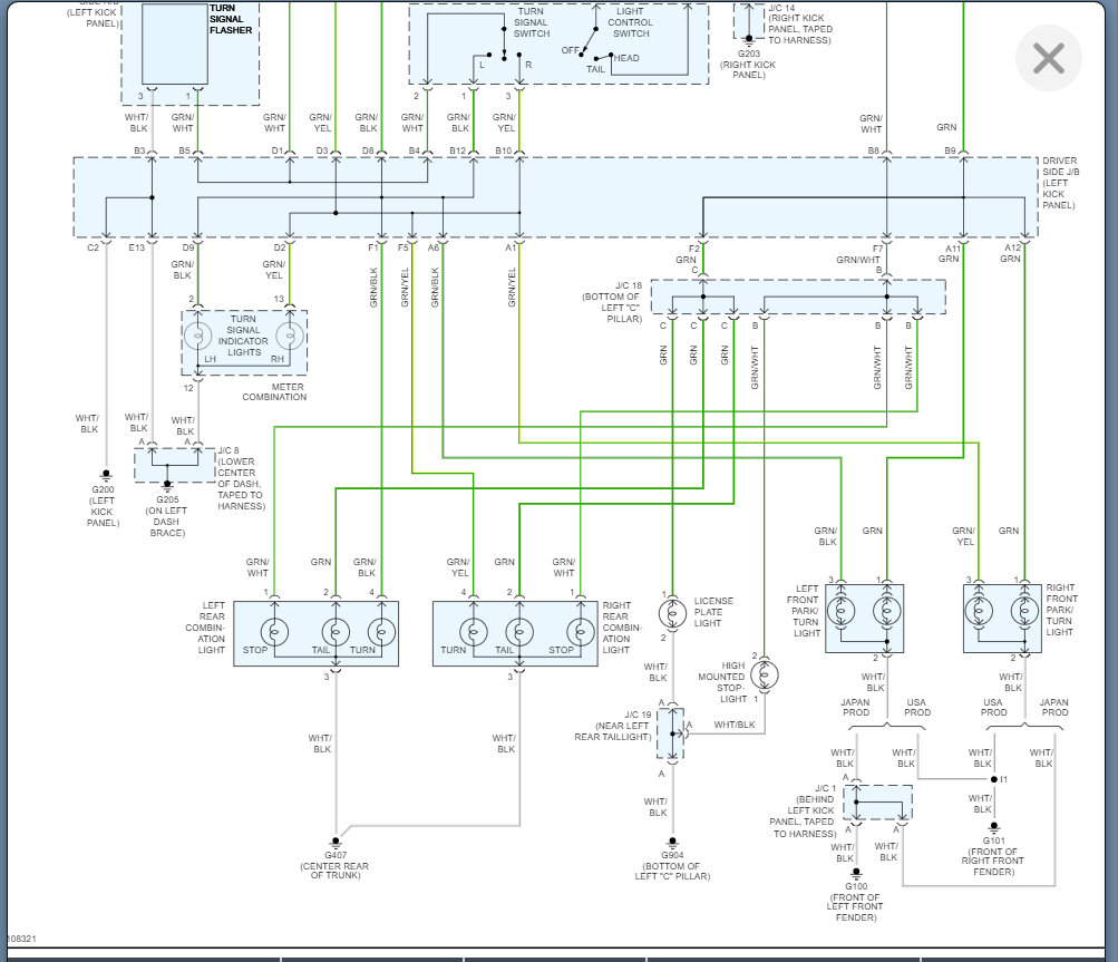
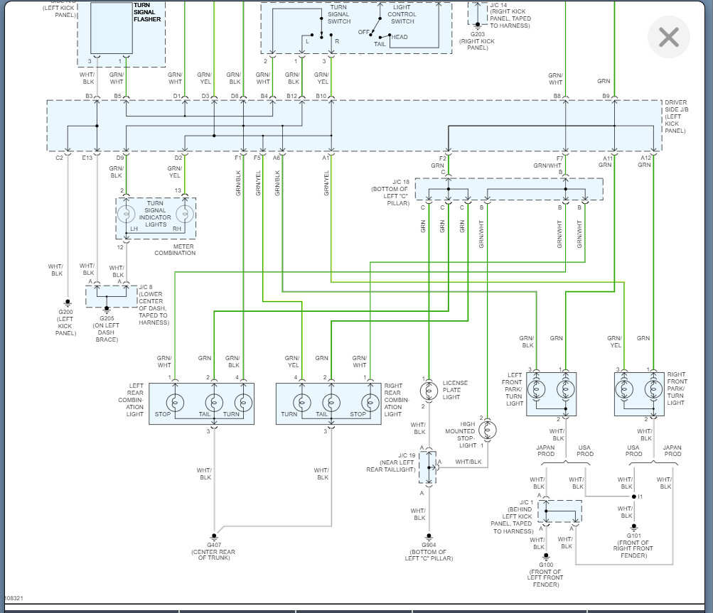
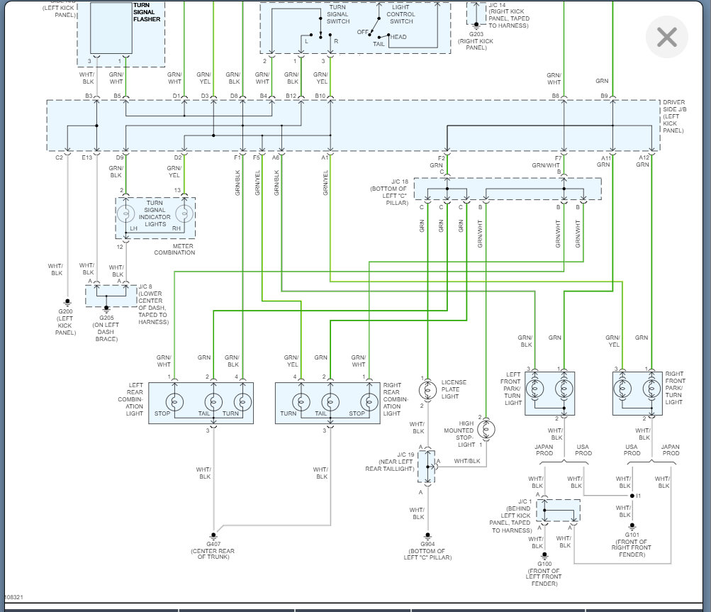
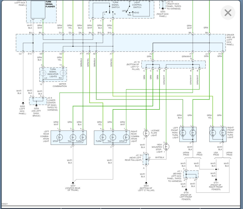
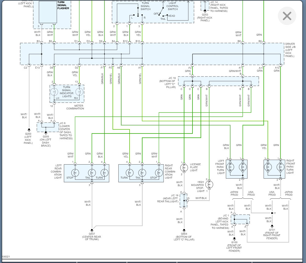
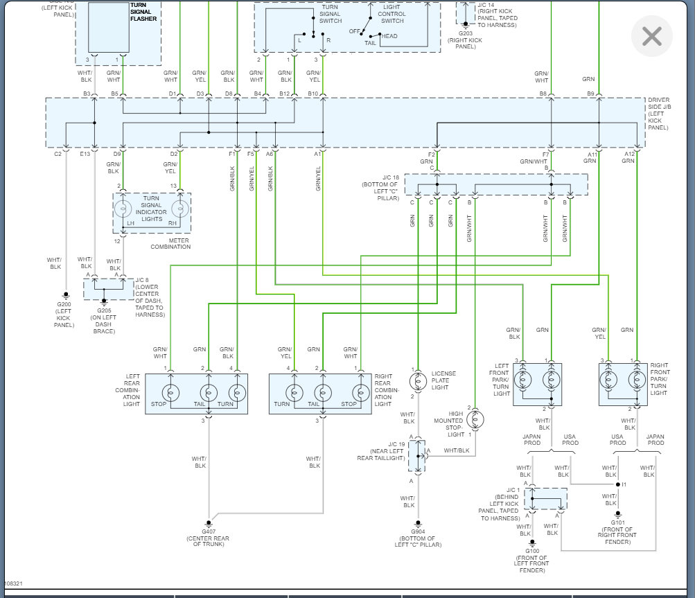
The brake lights on my corolla won't turn off. I have checked under the hood and located the brake switch but can't tell if it's stuck or is supposed to be that way. The switch is blue in color and I tried to jiggle and press it just in case but nothing. Might it be something else other than the brake switch? If it's still the brake switch, do you have a diagram that would show how it's supposed to look like? The cost to fix it is $100 and I am not paying that if I can do it myself. Thank you so much



