Blower fan for heat and AC

Tiny
EMTTIM
  • MEMBER
  • 1995 TOYOTA COROLLA
  • 4 CYL
  • FWD
  • AUTOMATIC
  • 24,500 MILES
My fan (internal/inside dashboard) stopped working. I do get air moving when the car is moving. What could be the problem? And how difficult to replace the fan.
Saturday, October 18th, 2008 AT 4:00 PM

25 Replies

Tiny
RASMATAZ
  • MECHANIC
  • 75,992 POSTS
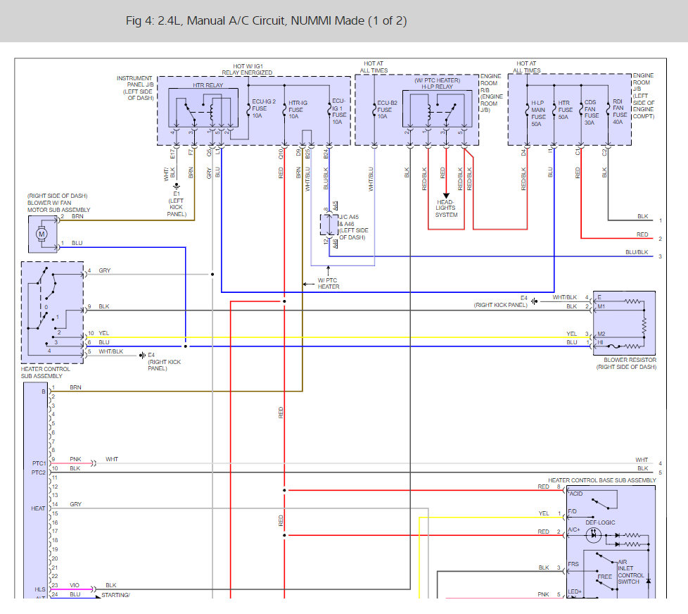
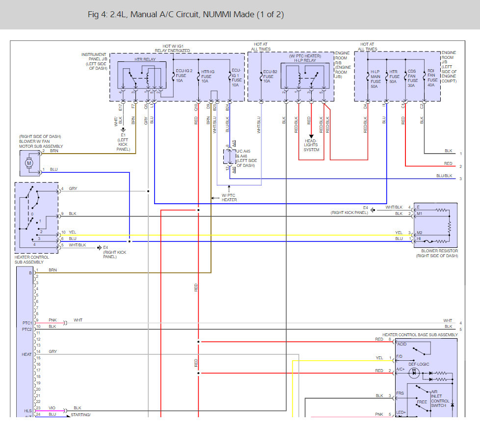
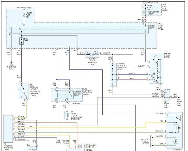
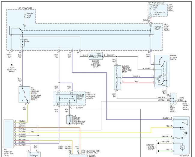
Check heater fuse 40amp and Gauge fuse 10amp, Heater relay, heater blower switch, blower motor resistor and blower motor

Read the guides below on testing wiring and using a test light, they will help you figure this out

https://www.2carpros.com/articles/how-to-check-wiring

https://www.2carpros.com/articles/how-to-use-a-test-light-circuit-tester

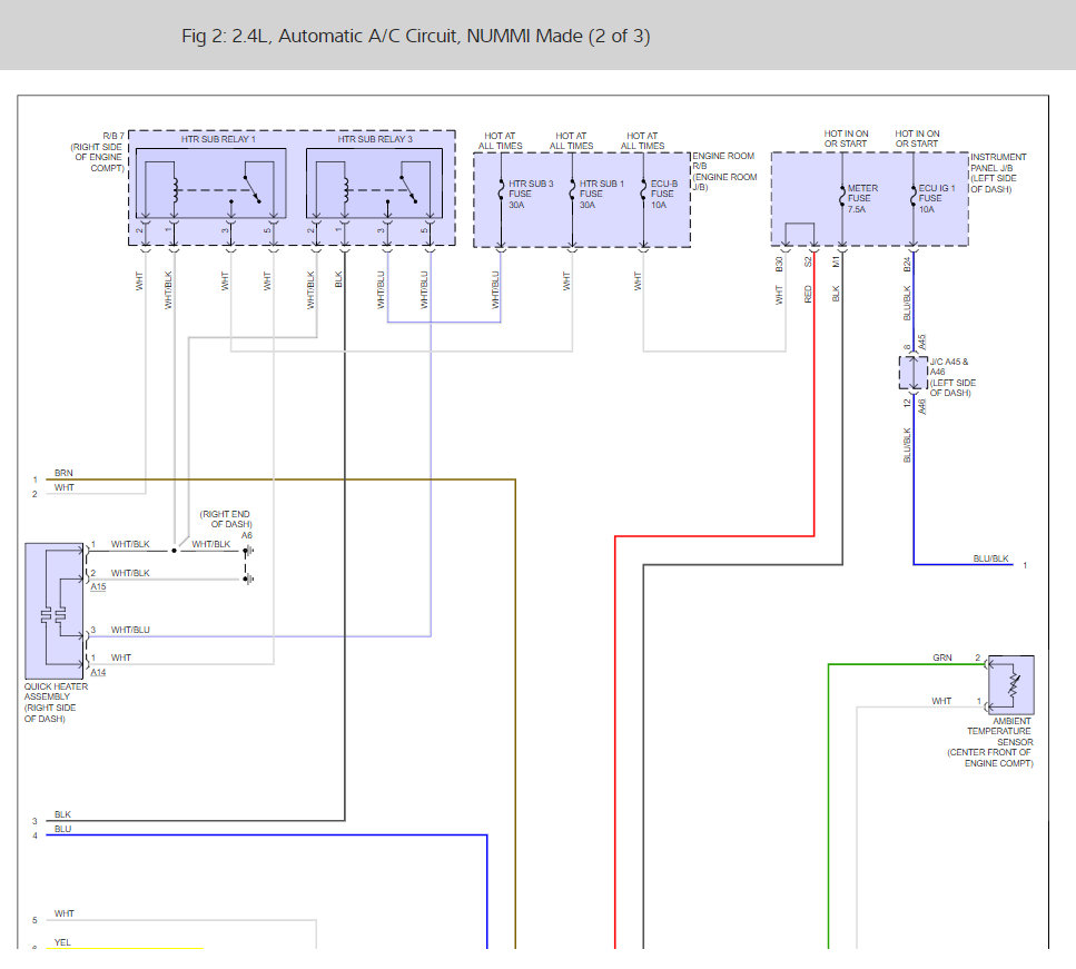
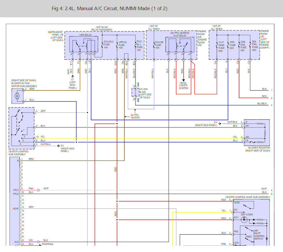
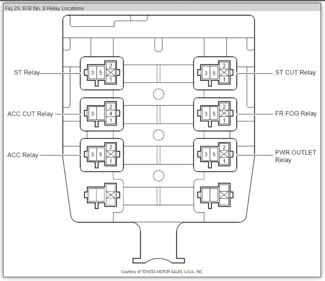
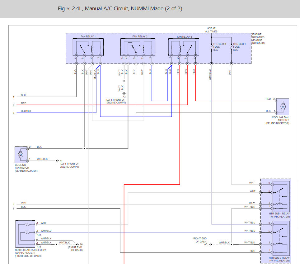
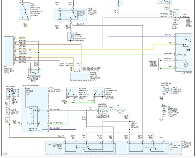
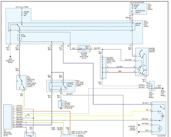
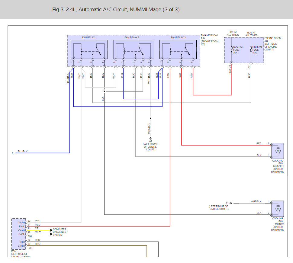
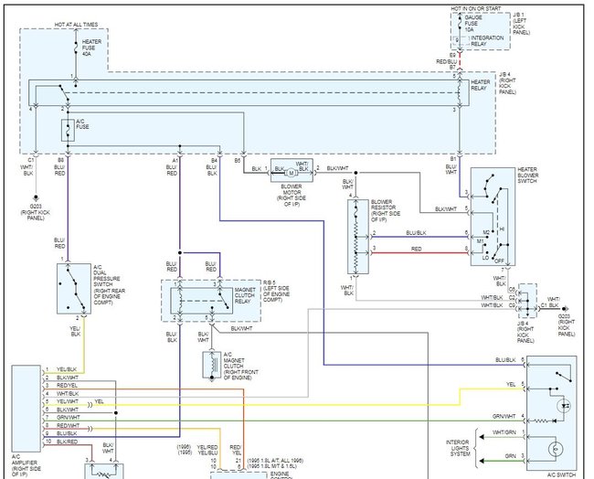
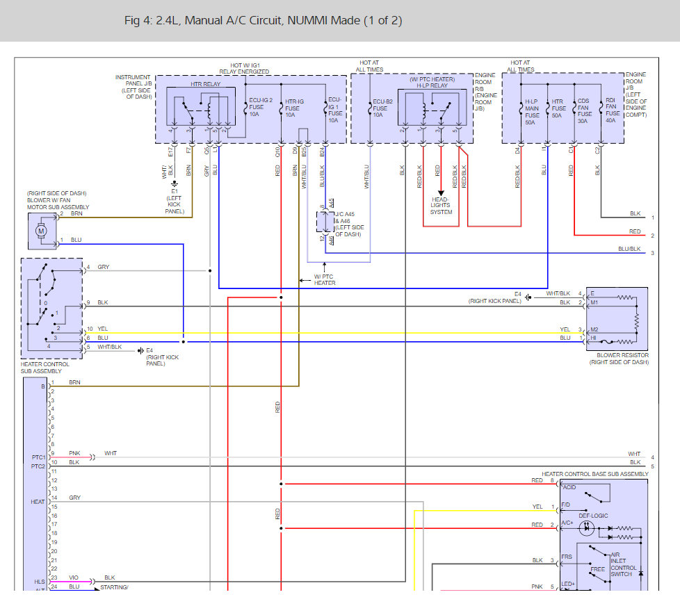
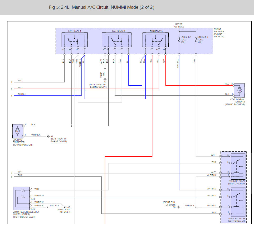
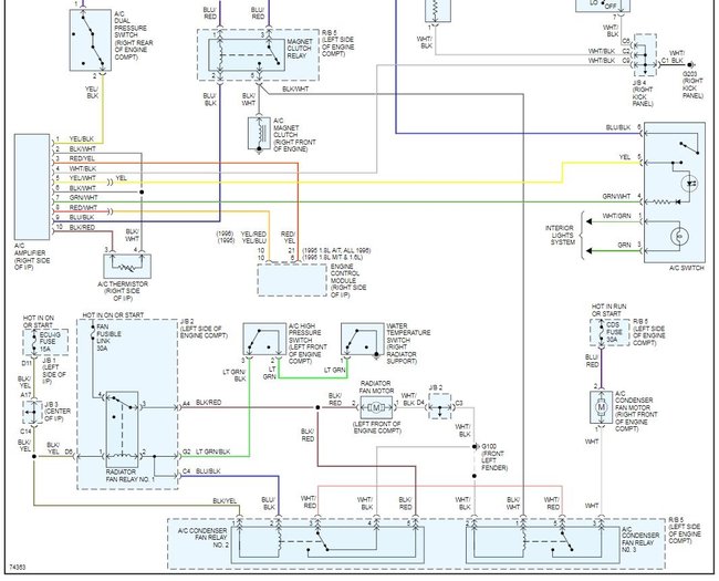
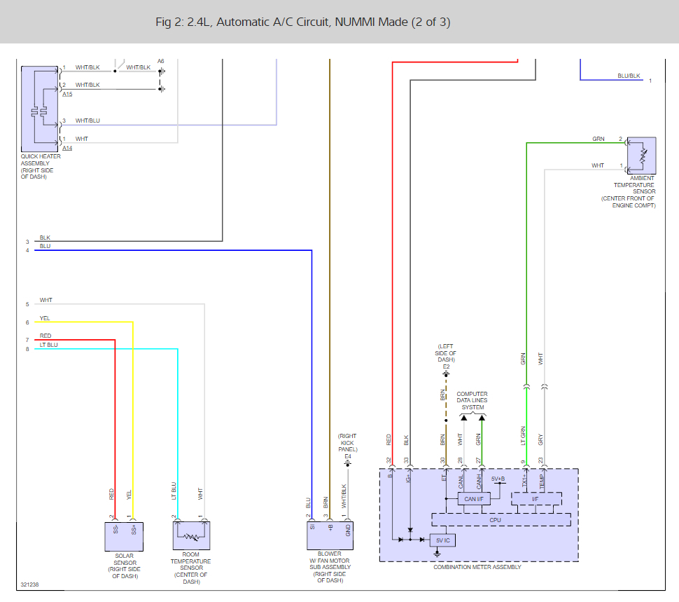
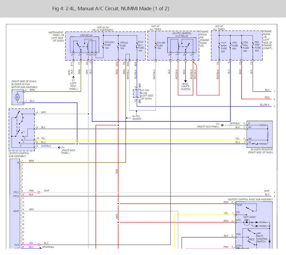
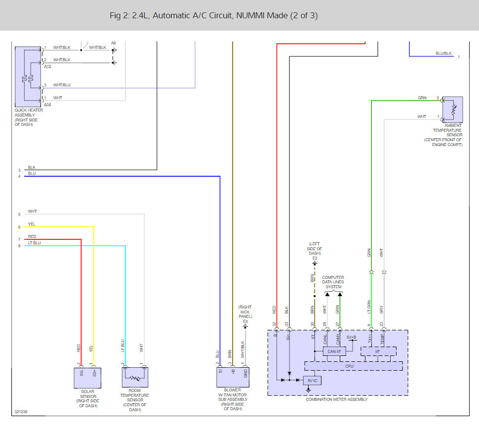
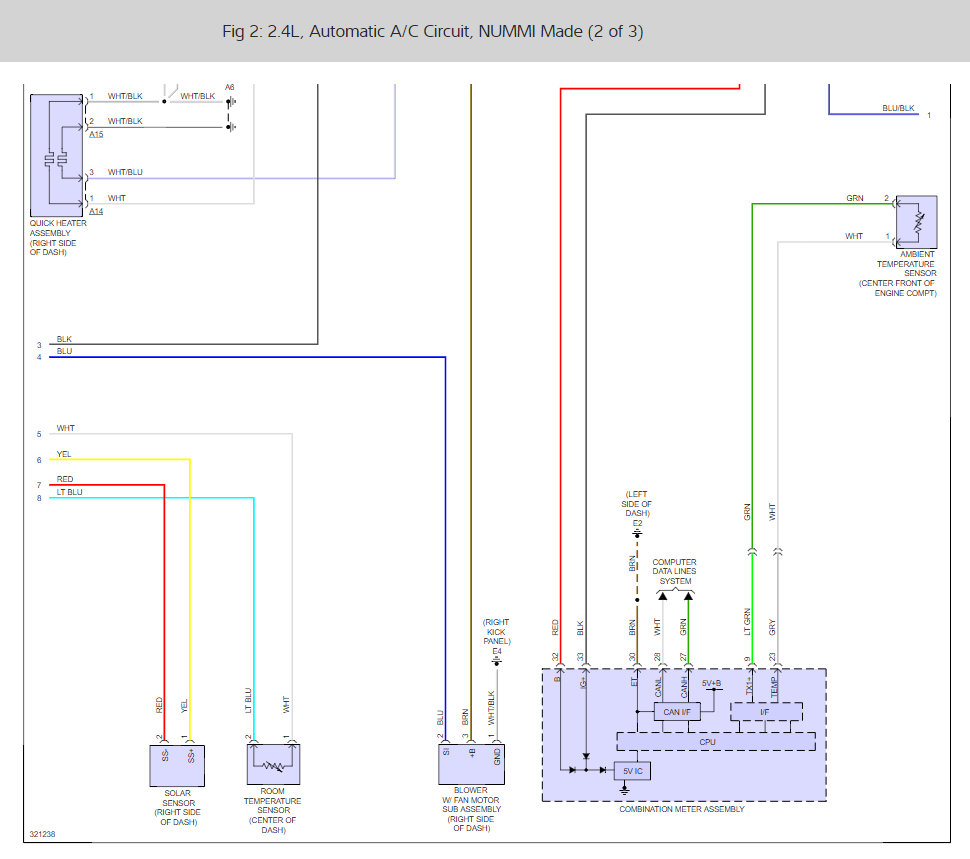
Attached below are the wiring diagrams for your blower motor
Was this
answer
helpful?
Yes
No
Saturday, October 18th, 2008 AT 4:11 PM
Tiny
TOYOTA42
  • MEMBER
  • 1 POST
  • 1988 TOYOTA COROLLA
  • 400,000 MILES
The heater blower stopped working. I checked and replaced the resistor as wa bad. I checked the fuse, circuit breaker, switch and relay and continuity was all ok. I tested the motor by connecting the two leads to the battery and it spun. I put it all back together and the blower still does not work. Do you think its actually the motor? I did pull the power plug from the motor and there is power at the plug. Tested with a multireader.
Help!
Was this
answer
helpful?
Yes
No
-2
Tuesday, November 27th, 2018 AT 5:29 PM (Merged)
Tiny
SATURNTECH9
  • MECHANIC
  • 30,869 POSTS
So are you sure you have both a power ad ground to the blower plug?If so you have a loose connection at the connector. You said the motor works when hot wiring it so the motor is good.
Was this
answer
helpful?
Yes
No
+2
Tuesday, November 27th, 2018 AT 5:29 PM (Merged)
Tiny
GIBBY56
  • MEMBER
  • 1 POST
  • 1991 TOYOTA COROLLA
  • 4 CYL
  • FWD
  • AUTOMATIC
  • 15,400 MILES
My blower for the air conditioner and heater is not working. How do I trouble shoot it? What are the various components that may be bad?
Was this
answer
helpful?
Yes
No
Tuesday, November 27th, 2018 AT 5:29 PM (Merged)
Tiny
MMPRINCE4000
  • MECHANIC
  • 8,548 POSTS
Start by removing connector to motor and check for 12V, if none then fuse or control head in dash.

If 12V then motor is bad.

One thing that you can do is go to local "pick and pull", find a 90-92 Corolla or Geo Prizm and use it as a test car. Pull blower motor and control head, it will help with parts as well as a "how to" disassemble without tearing up your car.

If you find one, scavange all interior parts that are in good shape, as well as the two fuse boxes in engine compartment (they simply unplug). Some of those relays and fuseable links are very expensive to purchase from Toyota. Also remove distributor, the ignitor alone for the 4AFE engine costs over $300 from autoparts stores.
Was this
answer
helpful?
Yes
No
Tuesday, November 27th, 2018 AT 5:29 PM (Merged)
Tiny
BRODD5
  • MEMBER
  • 1 POST
  • 1995 TOYOTA COROLLA
  • 22,100 MILES
Blower motor always worked fine. Now it will work then not work. Checked fuse, fuse is ok, replaced blower motor relay. With key on if you move switch to on, you can hear fhe relay click but no fan will come on in any speed position. This has happened before, then it will start working again at some point. And then nothing.? Note" already donated but it was placed on the wrong question, that I picked that was close to my situation.
Was this
answer
helpful?
Yes
No
+1
Tuesday, November 27th, 2018 AT 5:29 PM (Merged)
Tiny
RASMATAZ
  • MECHANIC
  • 75,992 POSTS
What liter engine is this?

Find the blower motor connector and disconnect it and power it direct from the battery and see if it comes on immediately-let me know
Was this
answer
helpful?
Yes
No
+1
Tuesday, November 27th, 2018 AT 5:29 PM (Merged)
Tiny
GEORGIATIMMY
  • MEMBER
  • 4 POSTS
I have the same problem with my 95 corolla I found that if you reach under the glove box and shake the bundle of wires the blower will come back on. Mine also comes on and goes off as I am driving down the road after hitting a bump. I am guessing there is a lose wire or harness connector under there someplace. I just cant seem to figure out how to get it open enough to be able to look.
Was this
answer
helpful?
Yes
No
+1
Tuesday, November 27th, 2018 AT 5:29 PM (Merged)
Tiny
STEVE4538
  • MEMBER
  • 1 POST
  • 1995 TOYOTA COROLLA
Interior problem
1995 Toyota Corolla 4 cyl Front Wheel Drive Manual

How do you remove the heater blower motor - the brushes are warn out
Was this
answer
helpful?
Yes
No
Tuesday, November 27th, 2018 AT 5:29 PM (Merged)
Tiny
MHPAUTOS
  • MECHANIC
  • 31,937 POSTS
Hi there,

Remove the glove box and the blower is there, 3 screws and its out.

Mark (mhpautos)
Was this
answer
helpful?
Yes
No
+2
Tuesday, November 27th, 2018 AT 5:29 PM (Merged)
Tiny
NASCAR FAN 2000
  • MEMBER
  • 1 POST
  • 1995 TOYOTA COROLLA
1995 Toyota Corolla 4 cyl

How do I get to the haeter fan to replace it
Was this
answer
helpful?
Yes
No
Tuesday, November 27th, 2018 AT 5:29 PM (Merged)
Tiny
2CARPRO JACK
  • MECHANIC
  • 11,533 POSTS
You have to remove the glove box to get to it. Then you just unscrew and replace it
Was this
answer
helpful?
Yes
No
Tuesday, November 27th, 2018 AT 5:29 PM (Merged)
Tiny
JETTRIGGS
  • MEMBER
  • 1 POST
  • 2010 TOYOTA COROLLA
  • 4 CYL
  • 2WD
  • MANUAL
  • 87,000 MILES
My ac speed knob, whether on off or full blast, consistently blows on the highest setting. I just replaced the resistor motor and It did not change anything. Could it be the actual ac knob inside the cabin, on the dash?

Also just to be clear, the blower is always on. And The heat works and the AC works, like my thermostat is fine. The blower will not turn off until I turn off my car
And the fuses are all fine too
Was this
answer
helpful?
Yes
No
Tuesday, November 27th, 2018 AT 5:29 PM (Merged)
Tiny
KEN L
  • MASTER CERTIFIED MECHANIC
  • 55,512 POSTS
Hey Jettriggs,

If you remove the panel and disconnect the switch does the fan still run?

Best, Ken
Was this
answer
helpful?
Yes
No
Tuesday, November 27th, 2018 AT 5:29 PM (Merged)
Tiny
PHREDSIEGEL
  • MEMBER
  • 1 POST
I have the same issue. Changed the resisistor and nothing changed. Dealer said it may be the motor control or switch bank both costing over $0. Think he is full of cr**. Thought on next thing to try? Please?
Was this
answer
helpful?
Yes
No
Tuesday, November 27th, 2018 AT 5:29 PM (Merged)
Tiny
KEN L
  • MASTER CERTIFIED MECHANIC
  • 55,512 POSTS
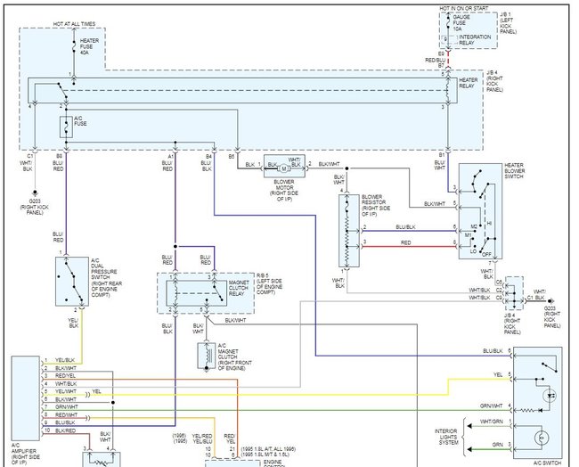
This sounds more like the air conditioner amplifier has gone out which controls the blower but to be sure lets do some simple tests. Here are some wiring diagrams and a guide to run the tests to make sure the unit is getting power and ground. If so I would think the amp has gone out. Im not sure if it is a plug and play or if you need to have it programmed.

https://www.2carpros.com/articles/how-to-use-a-test-light-circuit-tester

I would also check the fuses

https://www.2carpros.com/articles/how-to-check-a-car-fuse

Please let us know what happens so it will help others.

Cheers, Ken
Was this
answer
helpful?
Yes
No
-1
Tuesday, November 27th, 2018 AT 5:29 PM (Merged)
Tiny
DONALD LINEBAUGH
  • MEMBER
  • 1 POST
  • 1994 TOYOTA COROLLA
  • 25,000 MILES
I get heat but the blower does not work
Was this
answer
helpful?
Yes
No
Tuesday, November 27th, 2018 AT 5:29 PM (Merged)
Tiny
RASMATAZ
  • MECHANIC
  • 75,992 POSTS
BLOWER MOTOR
Removal & Installation
Disconnect negative battery cable. Remove glove box, if necessary. Unplug blower motor and resistor connectors. Remove blower motor. To install, reverse removal procedure.
Was this
answer
helpful?
Yes
No
-2
Tuesday, November 27th, 2018 AT 5:29 PM (Merged)
Tiny
SUYOG_11
  • MEMBER
  • 4 POSTS
  • 1998 TOYOTA COROLLA
  • 4 CYL
  • 2WD
  • AUTOMATIC
  • 140,000 MILES
Toyota Corolla, 1998, 140K. My car's AC blower fan makes noise if I try to run it at slower speed. If I put the blower to run fast I do there is no noise. Please advise.
Was this
answer
helpful?
Yes
No
Tuesday, November 27th, 2018 AT 5:29 PM (Merged)
Tiny
KHLOW2008
  • MECHANIC
  • 41,814 POSTS
Hi suyog_11,

3 possible causes that I can think of.

1. Blower armature uneven.

2. Foreign materials lodged, eg leaves

3. Fan blades chipped or out of balance.
Was this
answer
helpful?
Yes
No
+1
Tuesday, November 27th, 2018 AT 5:29 PM (Merged)

Please login or register to post a reply.