HOME
ASK A QUESTION
REPAIR GUIDES
BECOME A MEMBER
LOG IN
Login with Facebook
OR
Remember me
NOT A MEMBER?
FORGOT PASSWORD?
CONTACT US
PRIVACY POLICY
TERMS AND CONDITIONS
☰
Home
Toyota
Camry
Electrical
Fuse Panel
Location
What tools do I need to check the fuses
GARYAJA
MEMBER
2007 TOYOTA CAMRY
What tools do I need to check the fuses and where are the panels located?
Tuesday, February 16th, 2010 AT 11:15 AM
1 Reply
DANNY L
MECHANIC
5,648 POSTS
Hello, I'm Danny.
Here is the information you requested. Here are a few tutorials for you to view on how to check and replace fuses:
https://www.2carpros.com/articles/how-a-car-fuse-works
https://www.2carpros.com/articles/how-to-check-a-car-fuse
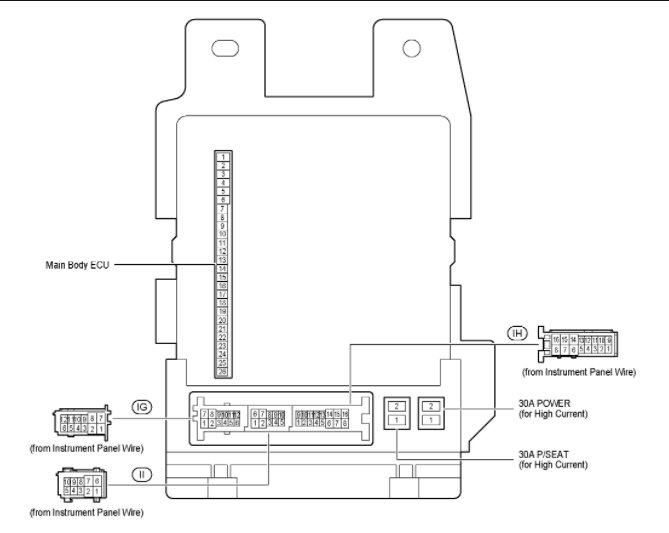
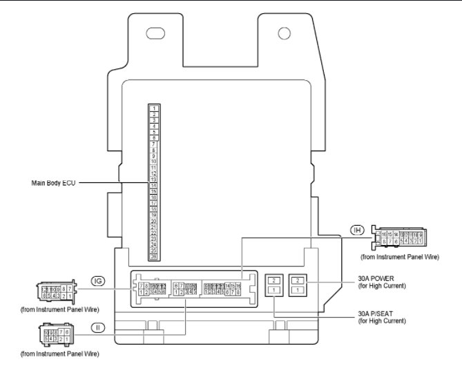
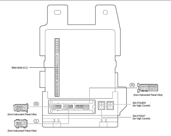
I've attached pictures below showing the fuse and relay locations on your car. Hope this helps and thanks for using 2CarPros.
Images (Click to make bigger)
Was this
answer
helpful?
Yes
No
Tuesday, June 15th, 2021 AT 10:57 PM
Please
login
or
register
to post a reply.
Related Fuse Panel Location Content
Fuse Panel?
Where Is The Power Window Fuse?
Asked by
marchaz84
·
5 ANSWERS
16 IMAGES
2004
TOYOTA CAMRY
My Wife Insists That We Check All The Fuses
My Wife Insists That We Check All The Fuses In The Car But I Cant Find Them Can You Tell Me How To Check Them As Well? My Oil Change Light...
Asked by
ggilliard
·
1 ANSWER
15 IMAGES
2005
TOYOTA CAMRY
Where Is The Inside Fuse Panel Located?
My Heater Worked Perfect Then All Of A Sudden It Won't Blow Heat! The Window Defroster Still Defrosts But Only With Cool Air! What Could...
Asked by
Anmfws
·
1 ANSWER
1 IMAGE
1992
TOYOTA CAMRY
Fuses & Relay Location
May I Get The Fuses And Relays Location Anddiagram For This Vehicle. 1993 Toyota Camry 2.2l. Thank You!
Asked by
bersyl671
·
5 ANSWERS
6 IMAGES
1993
TOYOTA CAMRY
Dash Fuses Located
My Car Dash Panel, Light Are Off I Changed All Light Bulbs And Still Out Of Light, I Checked The Fuses Box Inside And By Engine Side And I...
Asked by
uzziel
·
1 ANSWER
6 IMAGES
1995
TOYOTA CAMRY
VIEW MORE
Ask a Car Question. It's Free!
How to Use a Test Light
Code Read Retrieval/Clear Honda
Oxygen Sensor Replacement