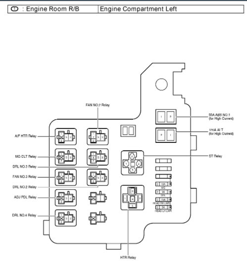
Sunday, August 24th, 2008 AT 2:47 PM
My wife insists that we check all the fuses in the car but I cant find them can you tell me how to check them as well? My oil change light wont go out.

















