Dome Light

Tiny
FATBOYPIZZAEATER
  • MEMBER
  • 2000 TOYOTA CAMRY
I have a 2000 v6 LE camry with 65K milegage on it. My car's dome light is not glowing and I checked the bulb and it is good. I was trying to check the fuse (one under the change holder and one under the hood) and could not find any fuse labeled by "dome". How could I find and replace it. All other interiors (Radio, dashboard) are working fine.
Thanks and I appreciate your time.
Monday, May 21st, 2007 AT 12:06 PM

2 Replies

Tiny
KEN L
  • MASTER CERTIFIED MECHANIC
  • 55,322 POSTS
Hello,

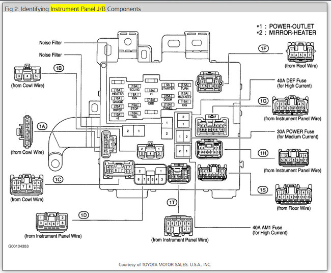
That fuse is in the under hood fuse box,fuse #14 = 7.5AMP here is a guide to help you test the fuse.

https://www.2carpros.com/articles/how-to-check-a-car-fuse

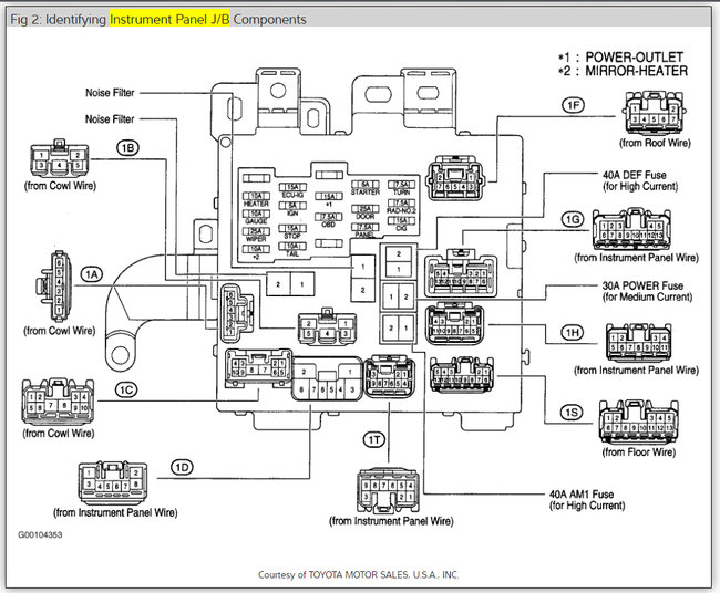
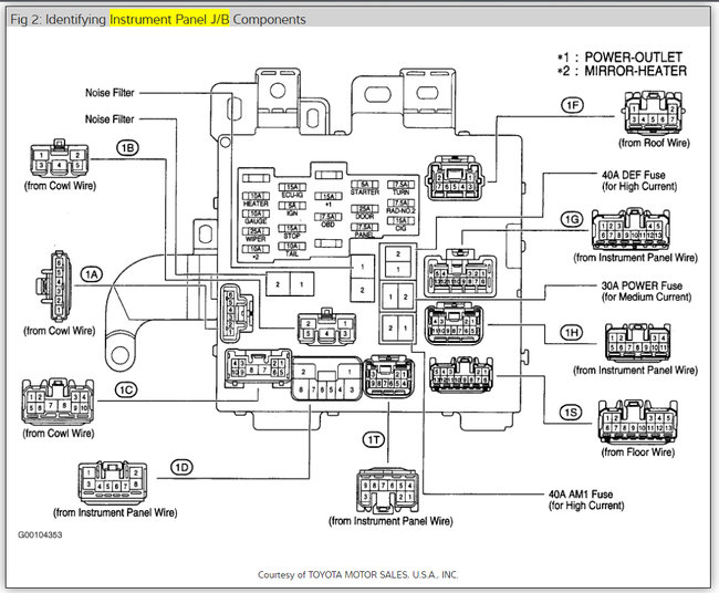
Here are the fuse panel locations and identification (below) you should keep this page in your favorites for future reference. It shows the relays as well

Check out the diagrams (Below)

Please let us know if you need anything else to get the problem fixed.

Cheers, Ken
Was this
answer
helpful?
Yes
No
+2
Tuesday, February 13th, 2018 AT 12:30 PM
Tiny
MICHAEL SAPP
  • MEMBER
  • 1 POST
Thank you!
Was this
answer
helpful?
Yes
No
+1
Tuesday, February 13th, 2018 AT 12:30 PM

Please login or register to post a reply.