Dome light

Tiny
ANONYMOUS
  • MEMBER
  • 1998 TOYOTA CAMRY
My interior dome light keeps burning out, what could be causing this. Have changed the fuse and still it burns out after a short while?
Saturday, December 15th, 2012 AT 10:33 AM

5 Replies

Tiny
KHLOW2008
  • MECHANIC
  • 41,814 POSTS
This happens when there is high resistance at the connection of the bulb. Remove the bulb and clean both contacts which should take care of the problem.

Please let us know if you need anything else to get the problem fixed.

Cheers
Was this
answer
helpful?
Yes
No
Sunday, December 16th, 2012 AT 9:30 AM
Tiny
PERRYTSAO
  • MEMBER
  • 2 POSTS
I have the same problem. In my case, the fuse is not blowing out, it is the bulb. I've confirmed this with the multimeter. Everytime I replace the bulb, it burns out again after about 1-2 weeks. I've replaced the fuse, but it made no difference. I can't figure out what would make the bulb burn out fast other than battery overvoltage, but it doesn't seem likely since I don't have any other electrical issues.

I've had this problem for 2 years now, so any suggestions would be very welcome.
Was this
answer
helpful?
Yes
No
+2
Monday, December 31st, 2012 AT 3:36 PM
Tiny
KHLOW2008
  • MECHANIC
  • 41,814 POSTS
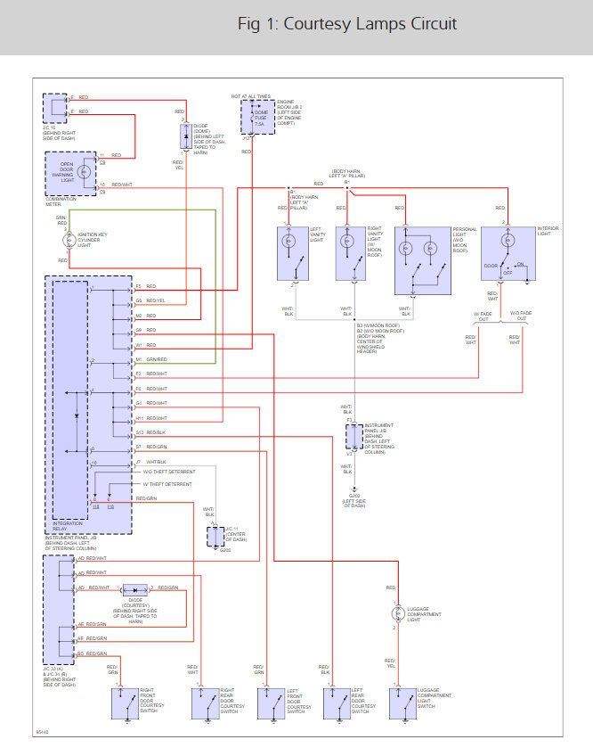
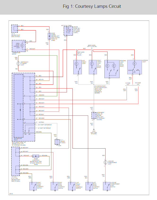
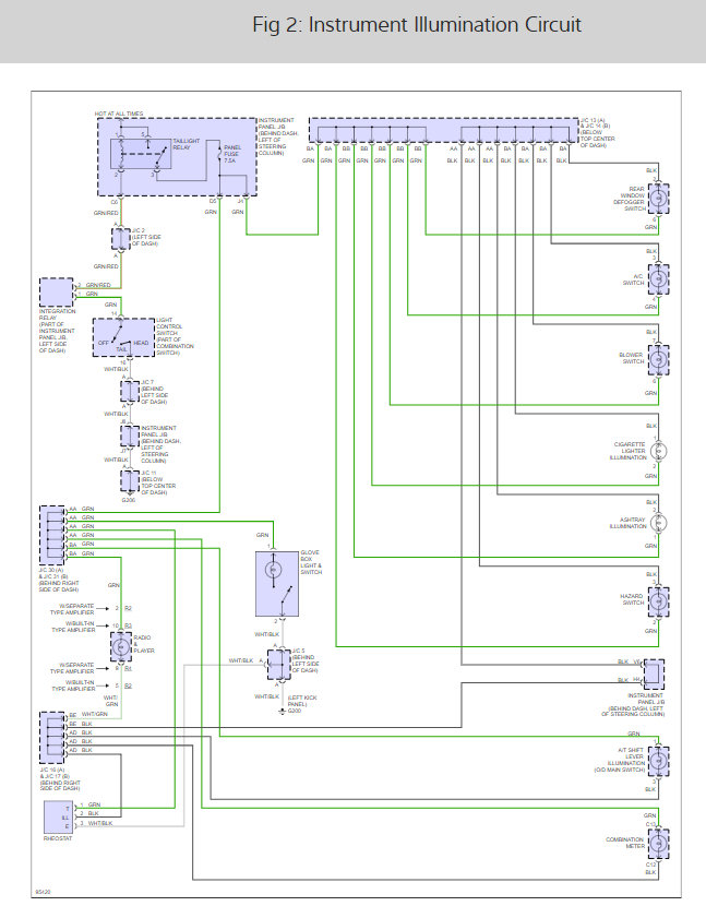
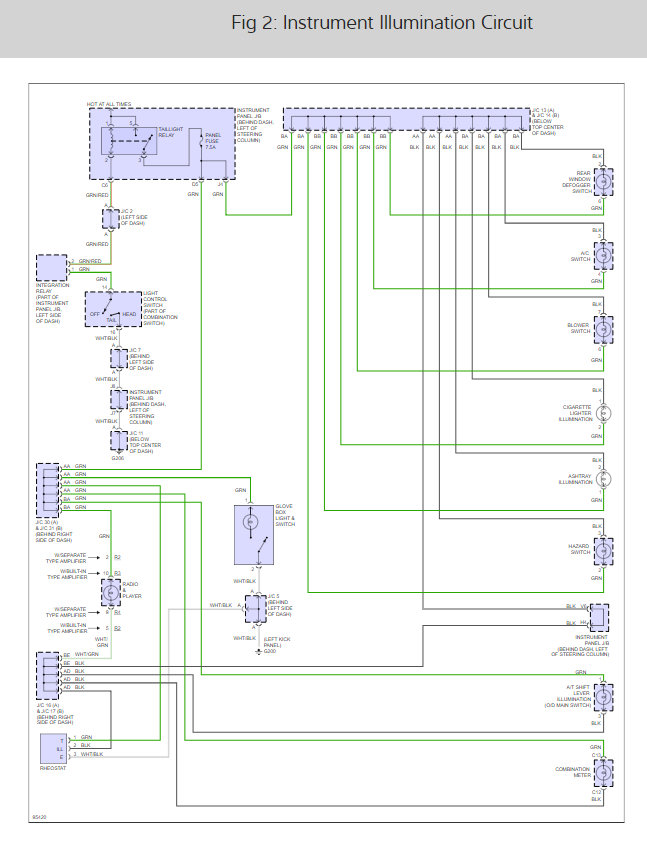
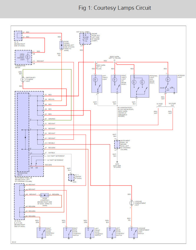
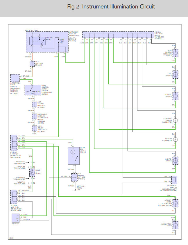
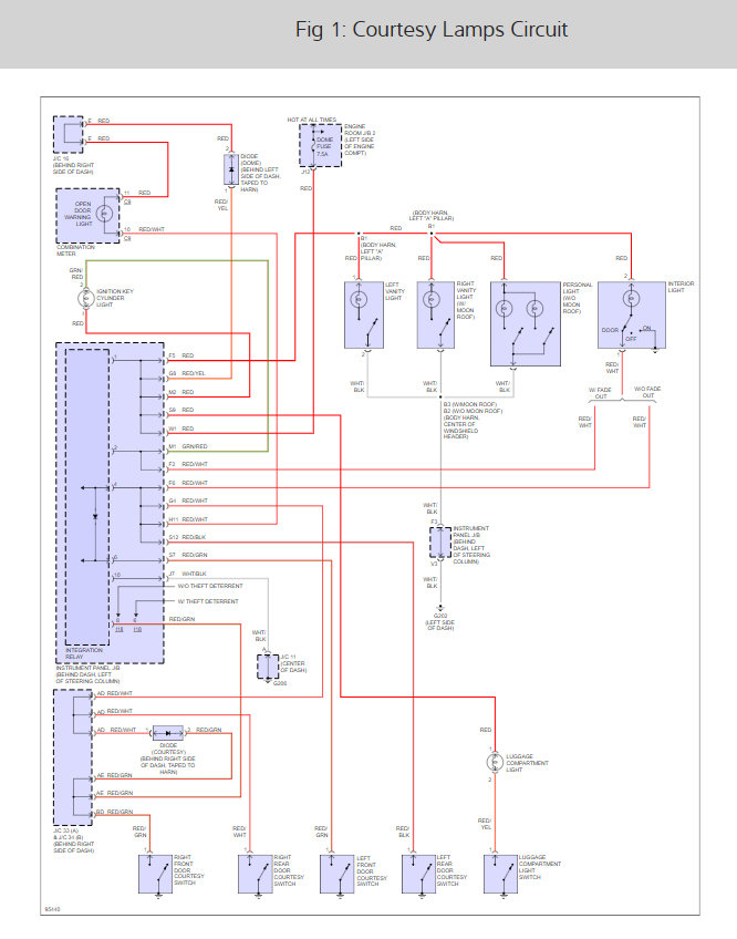
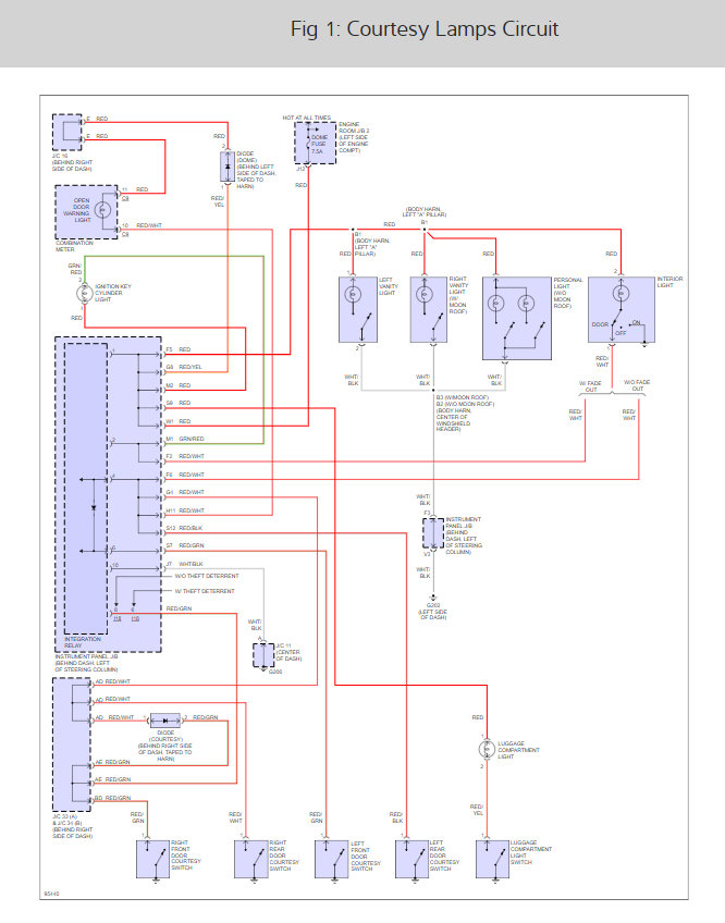
I see the instrument cluster is supplying power to the dome lights if this unit malfunctions it can send a voltage serge to the dome causing the bulbs to blow out. Here is a wiring diagram so you can see how the system works.

Check out the diagrams (Below). Please let us know what you find.

Cheers
Was this
answer
helpful?
Yes
No
+1
Tuesday, January 1st, 2013 AT 2:08 PM
Tiny
PERRYTSAO
  • MEMBER
  • 2 POSTS
I got myself a used cluster for $65.00 and then replaced the dome light. All good so far I will let you know if I have any more problems.
Was this
answer
helpful?
Yes
No
+2
Thursday, January 3rd, 2013 AT 3:09 AM
Tiny
KHLOW2008
  • MECHANIC
  • 41,814 POSTS
Glad you could get it fixed, that kind of problem can be tough. Please use 2CarPros anytime we are here to help

Cheers
Was this
answer
helpful?
Yes
No
Thursday, January 3rd, 2013 AT 2:13 PM

Please login or register to post a reply.